Part Number Hot Search : 
CX90411 U6220B NCP1246B SM6S13 SP8527KS 24M40 RLZ10A 2SC4150
Product Description
Full Text Search

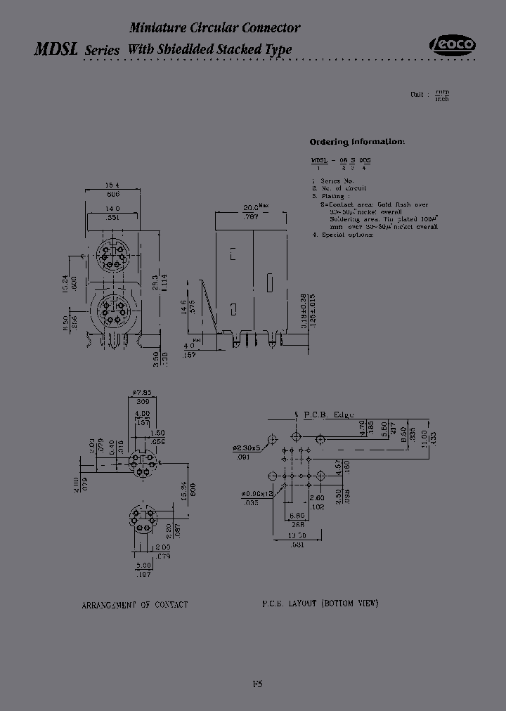
MDSL-06SD0S - 12 CONTACT(S), BOARD MOUNT, MINI DIN CONNECTOR, SOCKET

MDSL-06SD0S_6759147.PDF Datasheet


 Full text search : 12 CONTACT(S), BOARD MOUNT, MINI DIN CONNECTOR, SOCKET
 Product Description search : 12 CONTACT(S), BOARD MOUNT, MINI DIN CONNECTOR, SOCKET


 Related Part Number
PART Description Maker
M80-5C10605M2-02-336-02-336 Datamate 2-Row Mix-Tek Male Crimp Connector, Jackscrews 3.5mm board mount, 6 x Small bore signal contacts, 4 x 14 AWG Power contacts
HARWIN INC
M80-5000000M2-05-331-00-000 Datamate 2-Row Mix-Tek Male Vertical PC Tail Connector, Jackscrews 3.5mm board mount, no signal contacts, 5 x 3.5mm PC Tail Power contacts 5 CONTACT(S), MALE, STRAIGHT TWO PART BOARD CONNECTOR, SOLDER
Harwin PLC
M83-LML3M5N13-0302-333 Datamate 3-Row Mix-Tek Male Horizontal PC Tail Connector, Jackscrews 5mm board mount, 13 x 4mm PC Tail signal contacts, 5 x 3.5mm PC Tail Power contacts
HARWIN INC
M80-5L10822M5-02-333-00-000 Datamate 2-Row Mix-Tek Male Horizontal PC Tail Connector, Jackscrews 5mm board mount, 8 x 3mm PC Tail signal contacts, 2 x 3.5mm PC Tail Power contacts
HARWIN INC
M80-5L11042M5-02-313-02-313 Datamate 2-Row Mix-Tek Male Horizontal PC Tail Connector, Jackscrews 5mm board mount, 10 x 3mm PC Tail signal contacts, 4 x 3mm PC Tail Coax contacts
HARWIN INC
43650-0813 43650-1214 43650-0410 43650-0414 43650- Header; No. of Contacts:8; Pitch Spacing:0.118"; No. of Rows:1; Series:Micro-Fit 3.0; Body Material:Liquid Crystal Polymer 8 CONTACT(S), MALE, RIGHT ANGLE TWO PART BOARD CONNECTOR, SURFACE MOUNT
MicroFit 3.0 SR RA SMT Nail 30Au 12Ckt 12 CONTACT(S), MALE, RIGHT ANGLE TWO PART BOARD CONNECTOR, SURFACE MOUNT
CONN HEADER 4POS R/A W/CLIP SMD 4 CONTACT(S), MALE, RIGHT ANGLE TWO PART BOARD CONNECTOR, SURFACE MOUNT
MicroFit 3.0 SR RA SMT Nail 30Au 4Ckt 4 CONTACT(S), MALE, RIGHT ANGLE TWO PART BOARD CONNECTOR, SURFACE MOUNT
Header; Number of Contacts:10; Pitch Spacing:0.118"; Number of Rows:1; Series:Micro-Fit 3.0; Body Material:Liquid Crystal Polymer
Multipole Connector; Gender:Male; No. of Contacts:10; Series:43650; Body Material:Polyester; Connecting Termination:Crimp; Mounting Type:Wire-to-wire; No. of Rows:2; Operating Voltage:250V; Pitch Spacing:3mm RoHS Compliant: Yes
Molex, Inc.
MOLEX INC
87340-1422 87340-0622 Header; No. of Contacts:14; Pitch Spacing:2mm; No. of Rows:2; Series:Mill-Grid; Connector Body Material:Polymer; Mounting Type:PC Board; Terminal Type:Surface Mount 14 CONTACT(S), FEMALE, STRAIGHT TWO PART BOARD CONNECTOR, SURFACE MOUNT, RECEPTACLE
Header; No. of Contacts:6; Pitch Spacing:2mm; No. of Rows:2; Series:Mill-Grid; Connector Body Material:Polymer; Mounting Type:PC Board; Terminal Type:Surface Mount 6 CONTACT(S), FEMALE, STRAIGHT TWO PART BOARD CONNECTOR, SURFACE MOUNT, RECEPTACLE
Molex, Inc.
1716380000 Terminal Block,Cable Mount,PLUG,8 Contacts,SKT,DETENT 8 CONTACT(S), FEMALE, TWO PART BOARD CONNECTOR, SCREW, SOCKET
Weidmuller, Corp.
45985-6272 1.27mm (.050), 12.00mm (.472) Pitch, EXTreme LPHPower Header, Right Angle, 6Power Contacts, 36 Signal Contacts, Select Gold (Au) Plating, for 2.36mm (.093) Thick PC Board
Molex Electronics Ltd.
0459858481 45985-8481 1.27mm (.050), 12.00mm (.472) Pitch, EXTreme LPHPower Header, Right Angle, 8 Power Contacts, 40 Signal Contacts, Select Gold (Au) Plating, for 3.18mm (.125) Thick PC Board
Molex Electronics Ltd.
0459856132 1.27mm (.050), 12.00mm (.472) Pitch, EXTreme LPHPower Header, Right Angle, 6 Power Contacts, 20 Signal Contacts, Select Gold (Au) Plating, for 2.36mm (.093) Thick PC Board
Molex Electronics Ltd.
 
 Related keyword From Full Text Search System
MDSL-06SD0S board MDSL-06SD0S 参数 封装 MDSL-06SD0S power MDSL-06SD0S noise MDSL-06SD0S Purpose
MDSL-06SD0S amp MDSL-06SD0S Mode MDSL-06SD0S panasonic MDSL-06SD0S ultra MDSL-06SD0S ghz
 

 

Price & Availability of MDSL-06SD0S

All Rights Reserved © IC-ON-LINE 2003 - 2022  

[Add Bookmark] [Contact Us] [Link exchange] [Privacy policy]
Mirror Sites :  [www.datasheet.hk]   [www.maxim4u.com]  [www.ic-on-line.cn] [www.ic-on-line.com] [www.ic-on-line.net] [www.alldatasheet.com.cn] [www.gdcy.com]  [www.gdcy.net]


 . . . . .
  We use cookies to deliver the best possible web experience and assist with our advertising efforts. By continuing to use this site, you consent to the use of cookies. For more information on cookies, please take a look at our Privacy Policy. X
0.39656519889832