Part Number Hot Search : 
61M17F 0205135 628A472 EA09160 SA604AD SP7514 SB1260 MS3134
Product Description
Full Text Search

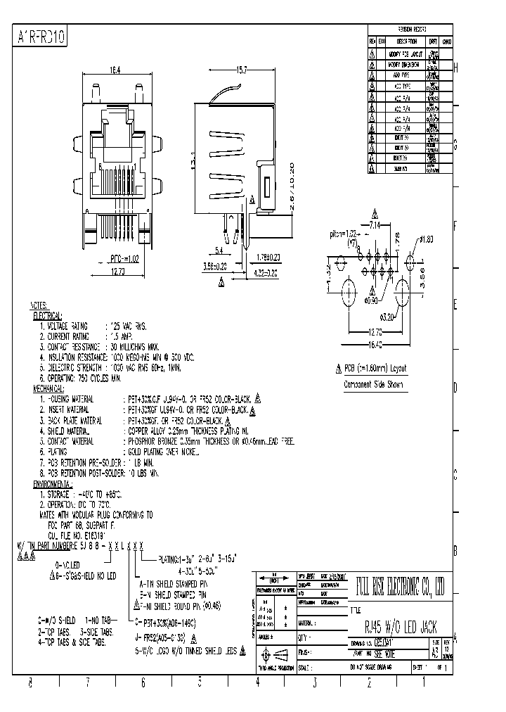
E5J88-03JA5 - 8 CONTACT(S), FEMALE, RIGHT ANGLE TELECOM AND DATACOM CONNECTOR, SOLDER, JACK

E5J88-03JA5_6742639.PDF Datasheet


 Full text search : 8 CONTACT(S), FEMALE, RIGHT ANGLE TELECOM AND DATACOM CONNECTOR, SOLDER, JACK
 Product Description search : 8 CONTACT(S), FEMALE, RIGHT ANGLE TELECOM AND DATACOM CONNECTOR, SOLDER, JACK


 Related Part Number
PART Description Maker
M80-4C13042F1-02-325-00-000 Datamate 2-Row Mix-Tek Female Crimp Connector, Hexagonal jackscrews, 30 x Small bore signal contacts, 2 x 12 AWG Power contacts 32 CONTACT(S), FEMALE, TWO PART BOARD CONNECTOR, CRIMP
Harwin PLC
M80-4C10405F1-02-325-00-000 Datamate 2-Row Mix-Tek Female Crimp Connector, Hexagonal jackscrews, 4 x Small bore signal contacts, 2 x 12 AWG Power contacts 6 CONTACT(S), FEMALE, TWO PART BOARD CONNECTOR, CRIMP
Harwin PLC
50-37-5073 50-37-5123 50-37-5023 MOLEXINC-50-37-50 Multipole Connector; Gender:Female; Number of Contacts:7; Series:SPOX; Body Material:Nylon 6/6; Number of Rows:1; Pitch Spacing:0.098" 7 CONTACT(S), FEMALE, STRAIGHT TWO PART BOARD CONNECTOR, CRIMP, RECEPTACLE
Connector Housing; Gender:Female; Number of Contacts:12; Series:5264-N SPOX(TM); Body Material:PA Polyamide (Nylon) 6/6; Connecting Termination:Crimp; Connector Shroud:Yes 12 CONTACT(S), FEMALE, STRAIGHT TWO PART BOARD CONNECTOR, CRIMP, RECEPTACLE
HEADER CONNECTOR,CABLE MNT,PLUG,2 CONTACTS,0.098 PITCH 2 CONTACT(S), FEMALE, STRAIGHT TWO PART BOARD CONNECTOR, CRIMP, RECEPTACLE
Molex, Inc.
39-01-2225 39-01-2025 Header; Number of Contacts:22; Pitch Spacing:0.165"; Number of Rows:2; Gender:Female; Series:Mini-Fit Jr. 5557; Body Material:Nylon 6/6 22 CONTACT(S), FEMALE, POWER CONNECTOR, RECEPTACLE
Multipole Connector; Gender:Female; Number of Contacts:2; Body Material:PA Polyamide (Nylon); Connecting Termination:Crimp; Mounting Type:Header; Operating Temp. Min:-40 C; Pitch Spacing:4.2mm; Voltage Rating:600V
Molex, Inc.
MOLEX INC
22-01-1082 Connector Housing; Gender:Female; Number of Contacts:8; Series:5051-N; Body Material:PA Polyamide (Nylon) 6/6; Number of Rows:1; Pitch Spacing:2.5mm 8 CONTACT(S), FEMALE, TWO PART BOARD CONNECTOR, CRIMP
Molex, Inc.
09-52-4064 PC Board Connector; No. of Contacts:6; Pitch Spacing:3.96mm; No. of Rows:1; Mounting Type:PCB Thru-hole; Body Material:PA Polyamide (Nylon); Gender:Female; Series:2145/3258 6 CONTACT(S), FEMALE, TWO PART BOARD CONNECTOR, CRIMP
Molex, Inc.
15-45-3522 15-45-3570 15-45-3624 15-45-3532 15-45- Connector; Number of Contacts:22; Pitch Spacing:0.1"; Number of Rows:2; Mounting Type:PCB; Gender:Header 22 CONTACT(S), FEMALE, STRAIGHT TWO PART BOARD CONNECTOR, SURFACE MOUNT
CGrid VT SMT Rcpt w/peg 15 SAu 70Ckt 70 CONTACT(S), FEMALE, STRAIGHT TWO PART BOARD CONNECTOR, SURFACE MOUNT
Header Connector,PCB Mnt,PLUG,24 Contacts,SKT,0.1 Pitch 24 CONTACT(S), FEMALE, STRAIGHT TWO PART BOARD CONNECTOR, SURFACE MOUNT
CGrid VT SMT Rcpt w/peg 15 SAu 32Ckt 32 CONTACT(S), FEMALE, STRAIGHT TWO PART BOARD CONNECTOR, SURFACE MOUNT
A-71395-0042 42 CONTACT(S), FEMALE, STRAIGHT TWO PART BOARD CONNECTOR, SURFACE MOUNT
15453614
Molex, Inc.
MOLEX INC
22-55-2321 22-55-2441 22-55-2241 Multipole Connector; Number of Contacts:32; Pitch Spacing:0.1"; Number of Rows:2; Body Material:Polyester, Glass-filled; Connecting Termination:Crimp; Gender:Female 32 CONTACT(S), FEMALE, TWO PART BOARD CONNECTOR, CRIMP
CGrid SL Hsg Opt A DR NPolar 44Ckt
Multipole Connector; Number of Contacts:24; Pitch Spacing:0.1"; Number of Rows:2; Body Material:Polyester, Glass-filled; Color:Black; Connecting Termination:Crimp; Gender:Female; Series:70450
Molex, Inc.
MOLEX INC
M83513/04-H03C M83513/02-EC M83513/02-FC M83513/02 Connector,D-Shell,Cable Mnt,RECEPT,100 Contacts,SKT,0.05 Pitch,WIRE Terminal,HOLE .138-.163 100 CONTACT(S), FEMALE, D MICROMINIATURE CONNECTOR, SOCKET
Connector,D-Shell,Cable Mnt,RECEPT,31 Contacts,SKT,0.05 Pitch,SOLDER Terminal,HOLE .087-.098 31 CONTACT(S), FEMALE, D MICROMINIATURE CONNECTOR, SOLDER, SOCKET
Connector,D-Shell,Cable Mnt,RECEPT,37 Contacts,SKT,0.05 Pitch,SOLDER Terminal,HOLE .087-.098 37 CONTACT(S), FEMALE, D MICROMINIATURE CONNECTOR, SOLDER, SOCKET
Connector,D-Shell,Cable Mnt,RECEPT,51 Contacts,SKT,0.05 Pitch,SOLDER Terminal,HOLE .087-.098 51 CONTACT(S), FEMALE, D MICROMINIATURE CONNECTOR, SOLDER, SOCKET
25 CONTACT(S), FEMALE, D MICROMINIATURE CONNECTOR, SOCKET
9 CONTACT(S), MALE, D MICROMINIATURE CONNECTOR, PLUG
9 CONTACT(S), FEMALE, D MICROMINIATURE CONNECTOR, SOCKET
Cinch Connectors
85052-0593 85052-0830 Connector,DIN-41612,PCB Mnt,PLUG,48 Contacts,SKT,0.1 Pitch,R ANGLE PC TAIL Terminal,LOCKING RoHS Compliant: Yes 48 CONTACT(S), FEMALE, RIGHT ANGLE TWO PART EURO CONNECTOR, SOLDER
DINCONN. R/2 FEMALE 48CKT 850520830 48 CONTACT(S), FEMALE, RIGHT ANGLE TWO PART EURO CONNECTOR, SOLDER
Molex, Inc.
 
 Related keyword From Full Text Search System
E5J88-03JA5 Mount E5J88-03JA5 Flash E5J88-03JA5 package E5J88-03JA5 использование E5J88-03JA5 Product
E5J88-03JA5 table E5J88-03JA5 Diode E5J88-03JA5 Protect E5J88-03JA5 bus switch E5J88-03JA5 npn transistor
 

 

Price & Availability of E5J88-03JA5

All Rights Reserved © IC-ON-LINE 2003 - 2022  

[Add Bookmark] [Contact Us] [Link exchange] [Privacy policy]
Mirror Sites :  [www.datasheet.hk]   [www.maxim4u.com]  [www.ic-on-line.cn] [www.ic-on-line.com] [www.ic-on-line.net] [www.alldatasheet.com.cn] [www.gdcy.com]  [www.gdcy.net]


 . . . . .
  We use cookies to deliver the best possible web experience and assist with our advertising efforts. By continuing to use this site, you consent to the use of cookies. For more information on cookies, please take a look at our Privacy Policy. X
0.65706300735474