Part Number Hot Search : 
MB88505 04598 W986432 KVX2301 6013CBZ 54ACT EC1031 51353
Product Description
Full Text Search

V61C51161024-15K - 128K X 8 STANDARD SRAM, 15 ns, PDSO44

V61C51161024-15K_6688067.PDF Datasheet


 Full text search : 128K X 8 STANDARD SRAM, 15 ns, PDSO44
 Product Description search : 128K X 8 STANDARD SRAM, 15 ns, PDSO44


 Related Part Number
PART Description Maker
WMS128K8V-17 WMS128K8V-35 WMS128K8V-20DRMA WMS128K 128Kx8 3.3V Monolithic SRAM(128Kx8,3.3V,单片静态RAM(存取时7ns
128Kx8 3.3单片的SRAM28Kx83.3伏,单片静态随机存储器(存取时间为35ns))
128K X 8 STANDARD SRAM, 20 ns, CDSO32 CERAMIC, SOJ-32
128K X 8 STANDARD SRAM, 15 ns, CDFP32 CERAMIC, DFP-32
128K X 8 STANDARD SRAM, 15 ns, CDSO32 CERAMIC, SOJ-32
128K X 8 STANDARD SRAM, 17 ns, CDIP32 SINGLE CAVITY, SIDE BRAZED, CERAMIC, DIP-32
128K X 8 STANDARD SRAM, 20 ns, CDFP32
White Electronic Designs Corporation
White Electronic Designs, Corp.
W24L011AQ-10 W24L011AQ-12 W24L011AQ-15 W24L011AT-1 128K X 8 High Speed CMOS Static RAM 128K X 8 STANDARD SRAM, 15 ns, PDSO32
128K X 8 High Speed CMOS Static RAM 128K X 8 STANDARD SRAM, 12 ns, PDSO32
TRANS PNP W/RES 60HFE NEW S TYPE 128K X 8 STANDARD SRAM, 15 ns, PDSO32
Circular Connector; No. of Contacts:4; Series:MS27474; Body Material:Aluminum; Connecting Termination:Crimp; Connector Shell Size:12; Circular Contact Gender:Pin; Circular Shell Style:Jam Nut Receptacle; Insert Arrangement:12-4 RoHS Compliant: No
JT 55C 55#22M SKT PLUG
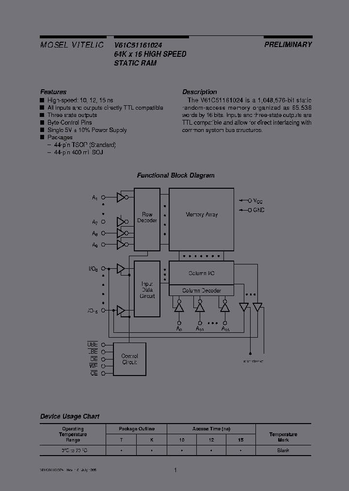
HIGH SPEED SRAM
Winbond Electronics, Corp.
Winbond Electronics Corp
WINBOND[Winbond]
AS7C31024 AS7C31024-10 AS7C31024-10TJC AS7C31024-1 AML41 Series, Solid State Indicator, Square, Pushbutton Style, Lighted, 2 Incandescent Lamp, Snap in panel mount
AML41 Series, Solid State Indicator, Rectangular, Pushbutton Style, Lighted, 1 Incandescent Lamp, Snap in panel mount
5V/3.3V 128K x 8 CMOS SRAM (Evolutionary Pinout) 5V/3.3V 128K的8 CMOS SRAM的(进化引脚
SWTCH PLUNGR SPDT 15A SCREW TERM 128K X 8 STANDARD SRAM, 20 ns, PDSO32
5V/3.3V 128K x 8 CMOS SRAM (Evolutionary Pinout) 128K X 8 STANDARD SRAM, 20 ns, PDSO32
High Speed CMOS Logic Dual Negative-Edge-Triggered J-K Flip-Flops with Set and Reset 16-TSSOP -55 to 125 128K X 8 STANDARD SRAM, 20 ns, PDSO32
5V/3.3V 128K x 8 CMOS SRAM (Evolutionary Pinout) 128K X 8 STANDARD SRAM, 15 ns, PDSO32
BZ Series Standard Basic Switch, Single Pole Double Throw Circuitry, 15 A at 250 Vac, Pin Plunger Actuator, 2,5 N - 3,61 N [9 oz -13 oz] Operating Force, Silver Contacts, Solder Termination, CE, CSA, DEMKO, UL 128K X 8 STANDARD SRAM, 20 ns, PDSO32
AML41 Series, Solid State Indicator, Rectangular, Pushbutton Style, Lighted, 2 Incandescent Lamp, Snap in panel mount
5V/3.3V 128K8 CMOS SRAM (Evolutionary Pinout)
Alliance Semiconductor, Corp.
Alliance Semiconductor Corporation
ETC
GVT71128E36B-7 GVT71128E36T-7 128K X 36 STANDARD SRAM, 7.5 ns, PBGA119 14 X 22 MM, 2.40 MM HEIGHT, FBGA-119
128K X 36 STANDARD SRAM, 7.5 ns, PQFP100 14 X 20 MM, 1.40 MM HEIGHT, PLASTIC, TQFP-100
Cypress Semiconductor, Corp.
CY62136VLL-70BAI CY62136VLL-70ZI CY62136VLL-55ZI C 2M (128K x 16) Static RAM
x16 SRAM
128K x 16 Static RAM 128K X 16 STANDARD SRAM, 70 ns, PDSO44
128K x 16 Static RAM 128K X 16 STANDARD SRAM, 70 ns, PBGA48
CYPRESS[Cypress Semiconductor]
Cypress Semiconductor Corp.
Cypress Semiconductor, Corp.
CY7C1009B-15VXC CY7C1009B-20VCT CY7C109B-12VCT 128K x 8 Static RAM 128K X 8 STANDARD SRAM, 15 ns, PDSO32
128K X 8 STANDARD SRAM, 20 ns, PDSO32
128K X 8 STANDARD SRAM, 12 ns, PDSO32
Cypress Semiconductor, Corp.
CYPRESS SEMICONDUCTOR CORP
AS7C33128FT18B AS7C33128FT18B-80TQIN AS7C33128FT18 3.3V 128K x 18 Flow Through Synchronous SRAM 128K X 18 STANDARD SRAM, 10 ns, PQFP100
3.3V 128K x 18 Flow Through Synchronous SRAM 128K X 18 STANDARD SRAM, 7.5 ns, PQFP100
3.3V 128K x 18 Flow Through Synchronous SRAM 128K X 18 STANDARD SRAM, 6.5 ns, PQFP100
128K X 18 STANDARD SRAM, 8 ns, PQFP100 14 X 20 MM, TQFP-100
128K X 18 STANDARD SRAM, 7.5 ns, PQFP100 14 X 20 MM, LEAD FREE, TQFP-100
128K X 18 STANDARD SRAM, 10 ns, PQFP100 14 X 20 MM, LEAD FREE, TQFP-100
128K X 18 STANDARD SRAM, 10 ns, PQFP100 14 X 20 MM, TQFP-100
128K X 18 STANDARD SRAM, 8 ns, PQFP100 14 X 20 MM, LEAD FREE, TQFP-100
128K X 18 STANDARD SRAM, 7.5 ns, PQFP100 14 X 20 MM, TQFP-100
128K X 18 STANDARD SRAM, 6.5 ns, PQFP100 14 X 20 MM, TQFP-100
128K X 18 STANDARD SRAM, 6.5 ns, PQFP100 14 X 20 MM, LEAD FREE, TQFP-100
Sync SRAM - 3.3V
INTEGRATED SILICON SOLUTION INC
Alliance Semiconductor, Corp.
Integrated Silicon Solution, Inc.
ALSC[Alliance Semiconductor Corporation]
CXK5T81000ATN/AYN-10LLX CXK5T81000ATN/AYN-12LLX CX 128K X 8 STANDARD SRAM, 120 ns, PDSO32 8 X 13.40 MM, PLASTIC, TSOP-32
128K X 8 STANDARD SRAM, 100 ns, PDSO32 8 X 13.40 MM, PLASTIC, TSOP-32
131072-word x 8-bit High Speed CMOS Static RAM
Electronic Theatre Controls, Inc.
SONY
GM76C8128L-85 GM76C8128LFW-85 128K X 8 STANDARD SRAM, 85 ns, PDIP32
128K X 8 STANDARD SRAM, 85 ns, PDSO32
Integrated Silicon Solution, Inc.
 
 Related keyword From Full Text Search System
V61C51161024-15K single cell V61C51161024-15K Mode V61C51161024-15K cmos V61C51161024-15K Characteristic V61C51161024-15K datasheet online
V61C51161024-15K port V61C51161024-15K size V61C51161024-15K technology V61C51161024-15K read V61C51161024-15K ic资料网
 

 

Price & Availability of V61C51161024-15K

All Rights Reserved © IC-ON-LINE 2003 - 2022  

[Add Bookmark] [Contact Us] [Link exchange] [Privacy policy]
Mirror Sites :  [www.datasheet.hk]   [www.maxim4u.com]  [www.ic-on-line.cn] [www.ic-on-line.com] [www.ic-on-line.net] [www.alldatasheet.com.cn] [www.gdcy.com]  [www.gdcy.net]


 . . . . .
  We use cookies to deliver the best possible web experience and assist with our advertising efforts. By continuing to use this site, you consent to the use of cookies. For more information on cookies, please take a look at our Privacy Policy. X
0.045953989028931