Part Number Hot Search : 
TC5092 9015FC 3PMT12A 2SC43 SLOU037 KS7308 22087 STEVA
Product Description
Full Text Search

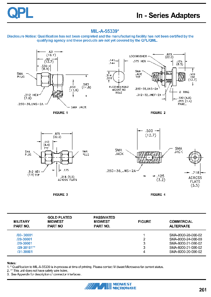
M5533929-30101 - MALE-MALE, RF STRAIGHT ADAPTER, PLUG

M5533929-30101_6703623.PDF Datasheet


 Full text search : MALE-MALE, RF STRAIGHT ADAPTER, PLUG
 Product Description search : MALE-MALE, RF STRAIGHT ADAPTER, PLUG


 Related Part Number
PART Description Maker
AD-PL153-E1-PL122 AD-CJ150-E2-CJ20 AD-PL153-E2-PL2 PANEL MOUNT, MALE-MALE, RF STRAIGHT ADAPTER, PLUG
CABLE TERMINATED, FEMALE-FEMALE, RF STRAIGHT ADAPTER, JACK
TROMPETER ELECTRONICS INC
03K719-S22S3 03S159-K20S3 03K109-S00S3 PANEL MOUNT, FEMALE-MALE, RF STRAIGHT ADAPTER, JACK-PLUG
MALE-FEMALE, RF STRAIGHT ADAPTER
ROSENBERGER HOCHFREQUENZTECHNIK GMBH & CO KG
MD1-FPSS-SS-001 MALE-MALE, RF STRAIGHT ADAPTER
Cristek Interconnects, Inc.
R694208415 MALE-MALE, RF STRAIGHT ADAPTER
RADIALL S A
12-22-137 12-22-125 12-22-123 12-22-63 FEMALE-MALE, RF STRAIGHT ADAPTER, JACK-PLUG
PANEL MOUNT, FEMALE-MALE, RF STRAIGHT ADAPTER, JACK-PLUG
TROMPETER ELECTRONICS INC
07P104-S00S3 MALE, RF STRAIGHT ADAPTER, PLUG
ROSENBERGER HOCHFREQUENZTECHNIK GMBH & CO KG
GT50G-50 FEMALE-MALE, RF STRAIGHT ADAPTER
AMPHENOL CORP
SP5000-5068-43 DM5000-5068-07 50-68 CONTACT(S), MALE-MALE, RECTANGULAR ADAPTER
50-68 CONTACT(S), CABLE MOUNT, MALE-MALE, RECTANGULAR ADAPTER
METHODE ELECTRONICS INC
V204 1.85 MM FEMALE STRAIGHT TO SMK MALE ADAPTER
List of Unclassifed Manufacturers
5390 SMA MALE TO SMA MALE STRAIGHT ADAPTER
List of Unclassifed Man...
 
 Related keyword From Full Text Search System
M5533929-30101 bridge M5533929-30101 mos M5533929-30101 Programmable M5533929-30101 voltage M5533929-30101 transistor
M5533929-30101 Semiconductor M5533929-30101 Processor M5533929-30101 single cell M5533929-30101 Package M5533929-30101 max
 

 

Price & Availability of M5533929-30101

All Rights Reserved © IC-ON-LINE 2003 - 2022  

[Add Bookmark] [Contact Us] [Link exchange] [Privacy policy]
Mirror Sites :  [www.datasheet.hk]   [www.maxim4u.com]  [www.ic-on-line.cn] [www.ic-on-line.com] [www.ic-on-line.net] [www.alldatasheet.com.cn] [www.gdcy.com]  [www.gdcy.net]


 . . . . .
  We use cookies to deliver the best possible web experience and assist with our advertising efforts. By continuing to use this site, you consent to the use of cookies. For more information on cookies, please take a look at our Privacy Policy. X
0.32941102981567