Part Number Hot Search : 
12S05 L3404 80ASJ LH1524 HSMA5819 HD14519 FX315 MAX6198C
Product Description
Full Text Search

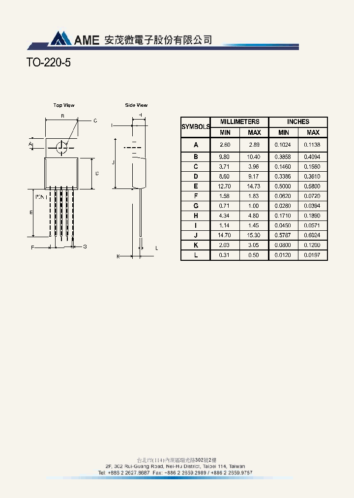
TO-220-5 - A : MIN 2.60 MAX 2.89 B : MIN 9.80 MAX 10.40

TO-220-5_6364331.PDF Datasheet


 Full text search : A : MIN 2.60 MAX 2.89 B : MIN 9.80 MAX 10.40
 Product Description search : A : MIN 2.60 MAX 2.89 B : MIN 9.80 MAX 10.40


 Related Part Number
PART Description Maker
BCP51115 45 V, 1 A PNP medium power transistors - Complement: BCP54 ; fT min: 115 MHz; hFE max: 250 ; hFE min: 40 ; I<sub>C</sub> max: 1000 mA; Polarity: PNP ; Ptot max: 1300 mW; VCEO max: 45 V; Package: SOT223 (SC-73); Container: Tape reel smd
NXP SEMICONDUCTORS
PZTA44 PZTA44_4 PZTA44115 NPN high-voltage transistor - fT min: 20 MHz; hFE max:&gt;40 ; hFE min: 40 ; I<sub>C</sub> max: 300 mA; Polarity: NPN ; Ptot max: 1350 mW; VCEO max: 400 V; Package: SOT223 (SC-73); Container: Tape reel smd
From old datasheet system
NXP SEMICONDUCTORS
PHILIPS[Philips Semiconductors]
BCX56 BCX56135 80 V, 1 A NPN medium power transistors - fT min: 130 MHz; hFE max: 250 ; hFE min: 40 ; I<sub>C</sub> max: 1000 mA; Polarity: NPN ; Ptot max: 1300 mW; VCEO max: 80 V; Package: SOT89 (MPT3; UPAK); Container: Tape reel smd
NXP SEMICONDUCTORS
Philips
TO-263-5 A : MIN 9.800 MAX 10.668 B : MIN 8.200 MAX 9.169
Analog Microelectronics
SOT-143 A : MIN 0.900 MAX 1.150 A1 : MIN 0.000 MAX 0.100
Analog Microelectronics
PDIP-40 A : MIN 3.300 MAX 4.200 B : MIN 0.018 MAX 0.570
Analog Microelectronics
FS2VS-16A Solid-State Panel Mount Relay; Output Device:SCR; Output Voltage Max:280Vrms; Output Voltage Min:24Vrms; Control Voltage Max:140Vrms; Control Voltage Min:90Vrms; Load Current Max:18A; Switching:Zero Cross RoHS Compliant: Yes
Mitsubishi Electric Corporation
TSOT-23    MILLIMETERS MIN 0.80 MAX 1.30 INCHES MIN 0.0315 MAX 0.0512
Analog Microelectronics
PMBTA92 PMBTA92215 PMBTA92-T 100 mA, 300 V, PNP, Si, SMALL SIGNAL TRANSISTOR, TO-236AB
PNP high-voltage transistor - Complement: PMBTA42 ; fT min: 50 MHz; hFE max:&gt;40 ; hFE min: 40 ; I<sub>C</sub> max: 100 mA; Polarity: PNP ; Ptot max: 250 mW; VCEO max: 300 V; Package: SOT23 (TO-236AB); Container: Tape reel smd
NXP Semiconductors
TO-263-3 (D2 PAK) A : MIN 9.65 MAX 10.67 B : MIN 8.28 MAX 9.66
Analog Microelectronics
CSD2475G CSE2410 TRIGGER OUTPUT SOLID STATE RELAY, 4000 V ISOLATION-MAX
Solid State Relay; Output Device:SCR; Output Voltage Max:280Vrms; Output Voltage Min:24Vrms; Control Voltage Max:32VDC; Control Voltage Min:15VDC; Load Current Max:10A; Switching:Zero Cross; Output Current:10A; Output Type:SCR
CRYDOM CORP
CLU028-1201C4-30AL7M4-F1 CLU028-1201C4-40AL7M4-F1 Ra70 Min, Ra80 Min. Model
CITIZEN ELECTRONICS CO....
 
 Related keyword From Full Text Search System
TO-220-5 ac/dc eurocard TO-220-5 Level TO-220-5 programmable TO-220-5 datasheet pdf TO-220-5 Electronic
TO-220-5 Command TO-220-5 Byte TO-220-5 Electronics TO-220-5 电子元器件 TO-220-5 reset
 

 

Price & Availability of TO-220-5

All Rights Reserved © IC-ON-LINE 2003 - 2022  

[Add Bookmark] [Contact Us] [Link exchange] [Privacy policy]
Mirror Sites :  [www.datasheet.hk]   [www.maxim4u.com]  [www.ic-on-line.cn] [www.ic-on-line.com] [www.ic-on-line.net] [www.alldatasheet.com.cn] [www.gdcy.com]  [www.gdcy.net]


 . . . . .
  We use cookies to deliver the best possible web experience and assist with our advertising efforts. By continuing to use this site, you consent to the use of cookies. For more information on cookies, please take a look at our Privacy Policy. X
0.34936594963074