Part Number Hot Search : 
GBS4K CD401 24800 TDA3603 16M188RT 48S12 471MC NSPB520S
Product Description
Full Text Search

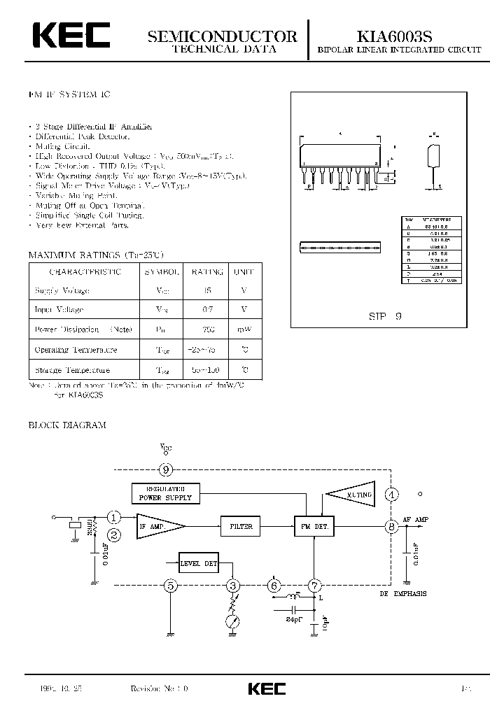
KIA6003S - FM IF SYSTEM IC

KIA6003S_5957472.PDF Datasheet

 
Part No. KIA6003S
Description FM IF SYSTEM IC

File Size 450.13K  /  4 Page  

Maker

Korea Electronics (KEC)



JITONG TECHNOLOGY
(CHINA HK & SZ)
Datasheet.hk's Sponsor

Part: KIA6003S
Maker: KEC
Pack: SIP-9
Stock: Reserved
Unit price for :
    50: $0.52
  100: $0.50
1000: $0.47

Email: oulindz@gmail.com

Contact us

Homepage
Download [ ]
[ KIA6003S Datasheet PDF Downlaod from Datasheet.HK ]
[KIA6003S Datasheet PDF Downlaod from Maxim4U.com ] :-)


[ View it Online ]   [ Search more for KIA6003S ]

[ Price & Availability of KIA6003S by FindChips.com ]

 Full text search : FM IF SYSTEM IC
 Product Description search : FM IF SYSTEM IC


 Related Part Number
PART Description Maker
M51951A M51951B M51952A M51952B M1951B M51951E M51 1-CHANNEL POWER SUPPLY SUPPORT CKT, PBCY3
VOLTAGE DETECTING SYSTEM RESETTING IC SERIES 电压检测系统重调IC系列
VOLTAGE DETECTING,SYSTEM RESETTING IC SERIES 电压检测,系统重调IC系列
VOLTAGE DETECTING SYSTEM RESETTING IC SERIES 电压检测系统重IC系列
From old datasheet system
VOLTAGE DETECTINGSYSTEM RESETTING IC SERIES
VOLTAGE DETECTING, SYSTEM RESETTING IC SERIES
VOLTAGE DETECTING/SYSTEM RESETTING IC SERIES
Mitsubishi Electric, Corp.
MITSUBISHI[Mitsubishi Electric Semiconductor]
Mitsubishi Electric Corporation
M51945 M51945B M51945A M51946B M51946A M51945AFP M VOLTAGE DETECTING, SYSTEM RESETTING IC SERIES 电压检测,系统重调IC系列
VOLTAGE DETECTING SYSTEM RESETTING IC SERIES
From old datasheet system
VOLTAGE DETECTING/ SYSTEM RESETTING IC SERIES
Voltage Detecting, System Resetting IC Series with Built-in Load
Voltage Detecting, System Resetting IC Series, Open Collector
Mitsubishi Electric, Corp.
MITSUBISHI[Mitsubishi Electric Semiconductor]
Mitsubishi Electric Corporation
TC9309AF-119 EE08717 SINGLE CHIP DIGITAL TUNING SYSTEM FOR CD RADIO CASSETTE
From old datasheet system
Toshiba
9300 TDA7512 AM/FM CAR RADIO TUNER IC WITH INTELLIGENT SELECTIVITY SYSTEM (ISS)
From old datasheet system
ST Microelectronics
IPM6220 FN4903 Multi-Output System Electronics Regulator for Mobile PCs
From old datasheet system
Intersil
TC9321F-006 EE08716 SINGLE CHIP DIGITAL TUNING SYSTEM FOR CAR CD 单片数字调谐系统的车CD
From old datasheet system
Toshiba, Corp.
Toshiba Corporation
TOSHIBA[Toshiba Semiconductor]
STPCC5HEBC STPCC5HEBI STPCC4HEBI STPCCONSUMER-II S From old datasheet system
X86 Core PC Compatible Information Appliance System-on-Chip
STMICROELECTRONICS[STMicroelectronics]
MT9M112 From old datasheet system
1/4-Inch, 1.3 Megapixel CMOS Image Sensor System-on-Chip
MICRON[Micron Technology]
TA8865 TA8865BN E004021 From old datasheet system
PLL MULTI PIF/SIF SYSTEM FOR COLOR TV AND VCR
TOSHIBA[Toshiba Semiconductor]
TA1230Z E008096 TV SOUND MULTIPLEX BROADCAST DEMODULATOR IC FOR EIAJ SYSTEM
From old datasheet system
Toshiba Corporation
TOSHIBA[Toshiba Semiconductor]
XC95288-10BG352C XC95288-10BG352I XC95288-10HQ208C XC95288 In-System Programmable CPLD
Product Specification
From old datasheet system
XILINX[Xilinx, Inc]
 
 Related keyword From Full Text Search System
KIA6003S pressure sensor KIA6003S state KIA6003S DATASHEET PDF KIA6003S state diagram KIA6003S laser diode
KIA6003S circuit KIA6003S filetype:pdf KIA6003S electronics KIA6003S watt KIA6003S Address
 

 

Price & Availability of KIA6003S

All Rights Reserved © IC-ON-LINE 2003 - 2022  

[Add Bookmark] [Contact Us] [Link exchange] [Privacy policy]
Mirror Sites :  [www.datasheet.hk]   [www.maxim4u.com]  [www.ic-on-line.cn] [www.ic-on-line.com] [www.ic-on-line.net] [www.alldatasheet.com.cn] [www.gdcy.com]  [www.gdcy.net]


 . . . . .
  We use cookies to deliver the best possible web experience and assist with our advertising efforts. By continuing to use this site, you consent to the use of cookies. For more information on cookies, please take a look at our Privacy Policy. X
1.0920510292053