Part Number Hot Search : 
HAT1093C RBV805S P8204 HL7621F 2SC5710 BYV98 ES51962Q 1E1201
Product Description
Full Text Search

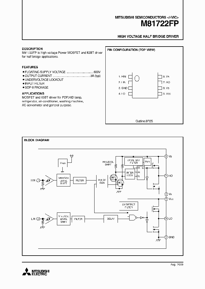
M81722FP - HIGH VOLTAGE HALF BRIDGE DRIVER

M81722FP_5627671.PDF Datasheet


 Full text search : HIGH VOLTAGE HALF BRIDGE DRIVER
 Product Description search : HIGH VOLTAGE HALF BRIDGE DRIVER


 Related Part Number
PART Description Maker
IR04H420 500V Hi-Voltage Half-Bridge Hybrid MOSFET and Gate Driver in a 9 Lead SIP w/o #5and8 package
HIGH VOLTAGE HALF-BRIDGE
IRF[International Rectifier]
CAT24FC32ALTE13 CAT24FC32AYTE13 CAT24FC32A CAT24FC 32-kb I
32K-Bit Fast Mode I2C Serial CMOS EEPROM
ER 2C 2#8 SKT PLUG
LM5104 High Voltage Half-Bridge Gate Driver with Adaptive Delay; Package: SOIC NARROW; No of Pins: 8
LM5102 High Voltage Half-Bridge Gate Driver with Programmable Delay; Package: LLP; No of Pins: 10
CATALYST[Catalyst Semiconductor]
IR53HD420 IR53HD420-P2 IR53H420 IR53H420-P2 HALF BRIDGE BASED PRPHL DRVR, PSIP7
SELF-OSCILLATING HALF BRIDGE(82.40 k)
500V Self-Oscilliating Half-Bridge Hybrid MOSFET and Gate Driver in a 9 Lead SIP w/o #5and8 package
IRF[International Rectifier]
FAN73901 FAN73901M FAN73901MX Half Bridge Gate Driver
High- and Low-Side, Gate-Drive IC
Fairchild Semiconductor
IR03H420 HYBRID-1998 High Voltage Half-Bridge
International Rectifier
IR082HD4C10U-P2 IR062HD4C10U-P2 HIGH VOLTAGE HALF BRIDGE
IRF[International Rectifier]
M81706AFP HIGH VOLTAGE HALF BRIDGE DRIVER
Mitsubishi Electric Semiconductor
M63992 M63992FP HIGH VOLTAGE HALF BRIDGE DRIVER
MITSUBISHI[Mitsubishi Electric Semiconductor]
L6384D013TR HIGH-VOLTAGE HALF BRIDGE DRIVER
STMicroelectronics
M81722FP HIGH VOLTAGE HALF BRIDGE DRIVER
Mitsubishi Electric Semiconductor
M81723FP HIGH VOLTAGE HALF BRIDGE DRIVER
Mitsubishi Electric Semiconductor
M81019FP 1200V HIGH VOLTAGE HALF BRIDGE DRIVER
Mitsubishi Electric Semiconductor
 
 Related keyword From Full Text Search System
M81722FP 替换表 M81722FP filetype:pdf M81722FP Nation M81722FP M81722FP Microelectronic
M81722FP hitachi M81722FP Matsushita M81722FP infineon M81722FP Description M81722FP suply voltase IC
 

 

Price & Availability of M81722FP

All Rights Reserved © IC-ON-LINE 2003 - 2022  

[Add Bookmark] [Contact Us] [Link exchange] [Privacy policy]
Mirror Sites :  [www.datasheet.hk]   [www.maxim4u.com]  [www.ic-on-line.cn] [www.ic-on-line.com] [www.ic-on-line.net] [www.alldatasheet.com.cn] [www.gdcy.com]  [www.gdcy.net]


 . . . . .
  We use cookies to deliver the best possible web experience and assist with our advertising efforts. By continuing to use this site, you consent to the use of cookies. For more information on cookies, please take a look at our Privacy Policy. X
0.45235991477966