Part Number Hot Search : 
LTC1067 X76F128X TCS10NLU X222M AIC3414 LM246D 1N3530A PS2832
Product Description
Full Text Search

M63020FP - Spindle Motor and 5ch Actuator Driver

M63020FP_5633679.PDF Datasheet


 Full text search : Spindle Motor and 5ch Actuator Driver
 Product Description search : Spindle Motor and 5ch Actuator Driver


 Related Part Number
PART Description Maker
M63021FP SPINDLE MOTOR AND 5CH ACTUATOR DRIVER
Renesas Electronics Corporation
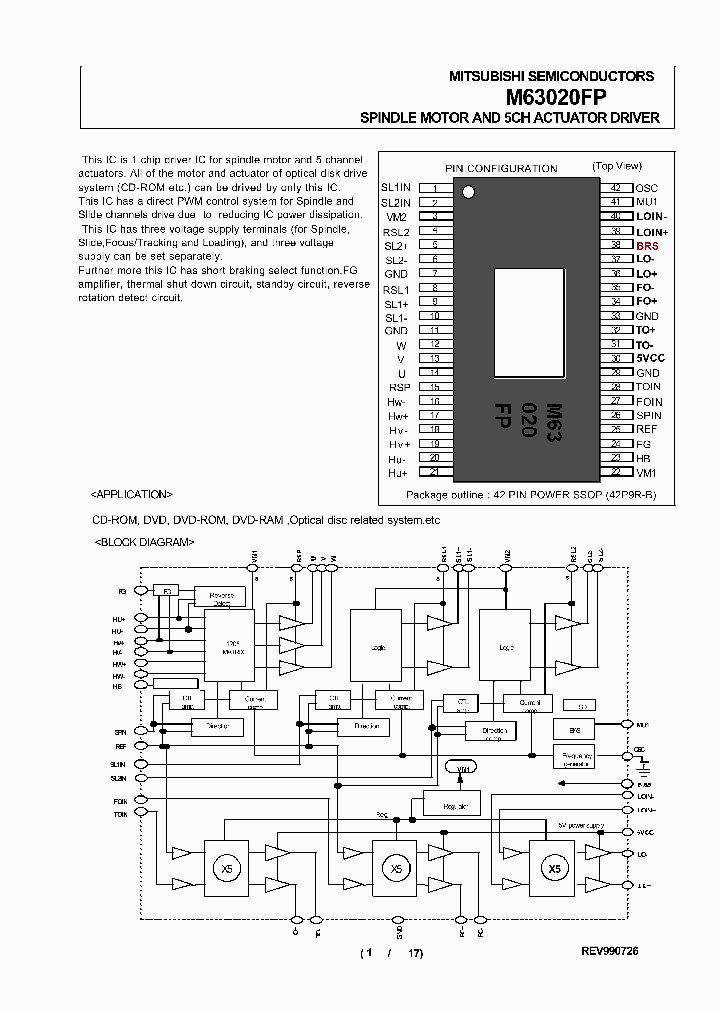
M63020FP SPINDLE MOTOR AND 5CH ACTUATOR DRIVER
MITSUBISHI[Mitsubishi Electric Semiconductor]
M63020FP SPINDLE MOTOR AND 5CH ACTUATOR DRIVER
Renesas Electronics Corporation
FAN8732G FAN8732CG FAN8732BG FAN8732BGX FAN8732CGX 3-Phase BLDCM 5CH BTL Driver
Spindle motor and 5-CH actuator driver [Spindle(PWM), Sled 2-CH(PWM) 3-CH(Linear)]
FAIRCHILD[Fairchild Semiconductor]
M63016FP Spindle Motor AND 4CH ACTUATOR Drive IC
RENESAS[Renesas Electronics Corporation]
M63010FP SPINDLE MOTOR AND 4CH ACTUATOR DRIVER
Renesas Electronics Corporation
BA6795FP Optical Disc LSIs > Motor/Actuator driver > CD/CD-ROM driver(5ch,6ch)
ROHM
BA6995FP Optical Disc LSIs > Motor/Actuator driver > CD/CD-ROM driver(5ch,6ch)
5-channel BTL driver for CD players
Rohm CO.,LTD.
BA6996 BA6996FP Optical Disc LSIs > Motor/Actuator driver > CD/CD-ROM driver(5ch,6ch)
5-channel BTL driver for CD and MD Players
Rohm CO.,LTD.
BA6796 BA6796FP A5800984 Optical Disc LSIs > Motor/Actuator driver > CD/CD-ROM driver(5ch,6ch)
5-channel BTL driver for CD players
From old datasheet system
ROHM[Rohm]
BA6665FM Motor Drivers LSIs > CD-ROM/RW/DVD spindle motor driver
Motor driver for CD-ROMs
ROHM[Rohm]
 
 Related keyword From Full Text Search System
M63020FP electronics M63020FP mos M63020FP synchronous M63020FP port M63020FP level
M63020FP mitsubishi M63020FP number M63020FP maker M63020FP outputs M63020FP timer
 

 

Price & Availability of M63020FP

All Rights Reserved © IC-ON-LINE 2003 - 2022  

[Add Bookmark] [Contact Us] [Link exchange] [Privacy policy]
Mirror Sites :  [www.datasheet.hk]   [www.maxim4u.com]  [www.ic-on-line.cn] [www.ic-on-line.com] [www.ic-on-line.net] [www.alldatasheet.com.cn] [www.gdcy.com]  [www.gdcy.net]


 . . . . .
  We use cookies to deliver the best possible web experience and assist with our advertising efforts. By continuing to use this site, you consent to the use of cookies. For more information on cookies, please take a look at our Privacy Policy. X
0.31426692008972