Part Number Hot Search : 
MSD511 TE28F2 BSN2000 4562D 1N3821 N567G121 170M3244 UPC3018
Product Description
Full Text Search

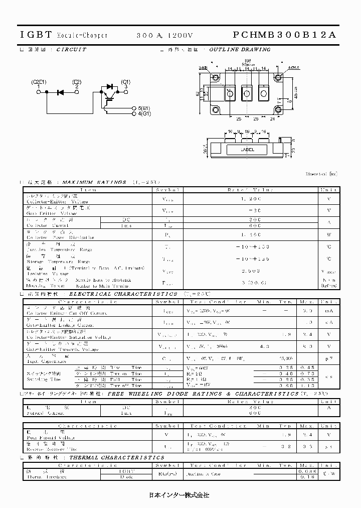
PCHMB300B12A - 300A, 1200V

PCHMB300B12A_5441913.PDF Datasheet


 Full text search : 300A, 1200V
 Product Description search : 300A, 1200V


 Related Part Number
PART Description Maker
PHMB300B12 IGBT MODULE Single 300A 1200V
NIEC[Nihon Inter Electronics Corporation]
1MBI300HH-120L-50 IGBT MODULE 1200V / 300A / 1 in one package
Fuji Electric
2MBI300VD-120-50 IGBT MODULE (V series) 1200V / 300A / 2 in one package
Fuji Electric
PP300T120 POW-R-PAK 300A / 1200V 3 phase IGBT Assembly
Powerex Power Semiconductors
2MBI300N-120-01 Circular Connector; Body Material:Aluminum Alloy; Series:MS3116; No. of Contacts:41; Connector Shell Size:22; Connecting Termination:Solder; Circular Shell Style:Straight Plug; Circular Contact Gender:Pin; Insert Arrangement:22-41 RoHS Compliant: No
1200V / 300A 2 in one-package
FUJI ELECTRIC HOLDINGS CO., LTD.
FUJI[Fuji Electric]
ISL9K8120P3 8A, 1200V StealthDual Diode 8 A, 1200 V, SILICON, RECTIFIER DIODE, TO-220AB
8A, 1200V Stealth Dual Diode
8A, 1200V Stealth⑩ Dual Diode
8A, 1200V Stealth?/a> Dual Diode
Fairchild Semiconductor, Corp.
FAIRCHILD[Fairchild Semiconductor]
IGP01N120H2 IGB01N120H2 IGD01N120H2 IGB01N120H2E30 1200V HighSpeed2 and 600V HighSpeed IGBT for switching frequency from 30kHz upwards. Focus applications: Lamp ballast, power supplies ...
IGBTs & DuoPacks - 1A 1200V HighSpeed2 IGBT D2Pak
IGBTs & DuoPacks - 1A 1200V HighSpeed2 IGBT DPak
IGBTs & DuoPacks - 1A 1200V HighSpeed2 IGBT TO220
HighSpeed 2-Technology
From old datasheet system
INFINEON[Infineon Technologies AG]
6MBP75RJ120 IGBT IPM R-series 1200V class 1200V / 75A 6 in one-package
Fuji Electric
ETC
List of Unclassifed Manufacturers
IHW20T120 IGBTs & DuoPacks - 20A / 1200V IGBT and 9A / 1200V Diode in DuoPack
Soft Switching Series
INFINEON[Infineon Technologies AG]
IRG4PH30KD IRG4PH30 1200V UltraFast 4-20 kHz Copack IGBT in a TO-247AC package
INSULATED GATE BIPOLAR TRANSISTOR WITH ULTRAFAST SOFT RECOVERY DIODE(Vces=1200V, Vce(on)typ.=3.10V, @Vge=15V, Ic=10A)
IRF[International Rectifier]
IKW03N120H2 Q67040-S4597 IKB03N120H2 IKP03N120H2 Q IGBTs & DuoPacks - 3A 1200V HighSpeed2 DuoPack IGBT D2Pak
1200V HighSpeed2 IGBT and 600V HighSpeed IGBT with antiparallel fast recovery EmCon™ diode in only one package.
IGBTs & DuoPacks - 3A 1200V HighSpeed2 DuoPack IGBT TO247
IGBTs & DuoPacks - 3A 1200V HighSpeed2 DuoPack IGBT TO220
HighSpeed 2-Technology with soft, fast recovery anti-parallel EmCon HE diode
From old datasheet system
Infineon Technologies A...
INFINEON[Infineon Technologies AG]
RURU50120 FN3741 50A/ 1200V Ultrafast Diode
50A, 1200V Ultrafast Diode 50 A, 1200 V, SILICON, RECTIFIER DIODE
50A 1200V Ultrafast Diode
From old datasheet system
Intersil, Corp.
INTERSIL[Intersil Corporation]
 
 Related keyword From Full Text Search System
PCHMB300B12A Resistor PCHMB300B12A timer PCHMB300B12A capacitors PCHMB300B12A Description PCHMB300B12A Volt
PCHMB300B12A siemens PCHMB300B12A bridge PCHMB300B12A upload PCHMB300B12A free down PCHMB300B12A schottky
 

 

Price & Availability of PCHMB300B12A

All Rights Reserved © IC-ON-LINE 2003 - 2022  

[Add Bookmark] [Contact Us] [Link exchange] [Privacy policy]
Mirror Sites :  [www.datasheet.hk]   [www.maxim4u.com]  [www.ic-on-line.cn] [www.ic-on-line.com] [www.ic-on-line.net] [www.alldatasheet.com.cn] [www.gdcy.com]  [www.gdcy.net]


 . . . . .
  We use cookies to deliver the best possible web experience and assist with our advertising efforts. By continuing to use this site, you consent to the use of cookies. For more information on cookies, please take a look at our Privacy Policy. X
0.32415080070496