Part Number Hot Search : 
DG417DY SHM60UF DPH21SG 74210 S1020 AD1848 024BF ZSD10006
Product Description
Full Text Search

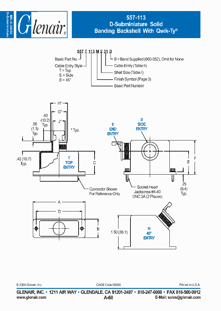
557E113M - D-Subminiature Solid

557E113M_5390386.PDF Datasheet


 Full text search : D-Subminiature Solid
 Product Description search : D-Subminiature Solid


 Related Part Number
PART Description Maker
AM2520SGD5V AM2520Y5DV AM2520D5V AM2520EJ AM2520EJ Subminiature solid state lamp. Yellow (peak wavelength 590 nm). Lens type yellow diffused.
SUBMINIATURE SOLID STATE LAMPS
Subminiature solid state lamp. Super bright green (peak wavelength 565 nm). Lens type green diffused.
KINGBRIGHT[Kingbright Corporation]
Kingbright Electronic
AM2520YD5V AM2520EH AM2520EH5V AM2520ID5V AM2520SG Subminiature solid state lamp. Yellow (peak wavelength 590 nm). Lens type yellow diffused.
SUBMINIATURE SOLID STATE LAMPS
Subminiature solid state lamp. Super bright green (peak wavelength 565 nm). Lens type green diffused.
KINGBRIGHT[Kingbright Corporation]
Kingbright Electronic
CX16 CX16M685M CX16A474K CX16A474M CX16J104K CX16J Subminiature, Leaded Solid Tantalum Capacitors 超小型,引线式固体钽电解电容
Subminiature / Leaded Solid Tantalum Capacitors
Vishay Intertechnology, Inc.
Vishay Intertechnology,Inc.
VISAY[Vishay Siliconix]
http://
AM2520EJ/YD5V AM2520EJ/SGD5V SUBMINIATURE SOLID STATE LAMPS T-3/4 SINGLE COLOR LED, YELLOW, 1.8 mm
SUBMINIATURE SOLID STATE LAMPS T-3/4 SINGLE COLOR LED, SUPER BRIGHT GREEN, 1.8 mm
Kingbright Corporation.
Kingbright, Corp.
AM2520ID02 AM2520YD02 AM2520YC02 AM2520SGD02 AM252 Subminiature solid state lamp. High efficiency red (peak wavelength 627 nm). Lens type red diffused
Subminiature solid state lamp. Yellow (peak wavelength 590 nm). Lens type yellow diffused.
Subminiature solid state lamp. Yellow (peak wavelength 590 nm). Lens type water clear.
Subminiature solid state lamp. Super bright green (peak wavelength 565 nm). Lens type green diffused.
Subminiature solid state lamp. High efficiency red (peak wavelength 627 nm). Lens type water clear.
Subminiature solid state lamp. Super bright green (peak wavelength 565 nm). Lens type water clear.
Kingbright Electronic
557E113M 557S113M 557T113M D-Subminiature Solid
Glenair, Inc.
AM2520EJSGD AM2520EJYD Subminiature solid state lamp. Super bright green (peak wavelength 565 nm). Lens type green diffused.
Subminiature solid state lamp. Yellow (peak wavelength 590 nm). Lens type yellow diffused.
Kingbright Electronic
AM27EC08 SUBMINIATURE SOLID STATE LAMP
KINGBRIGHT[Kingbright Corporation]
AM2520YC08 SUBMINIATURE SOLID STATE LAMP
Kingbright Corporation.
KINGBRIGHT[Kingbright Corporation]
AM27SURC08 SUBMINIATURE SOLID STATE LAMP
KINGBRIGHT[Kingbright Corporation]
AM27SRC03 SUBMINIATURE SOLID STATE LAMP
KINGBRIGHT[Kingbright Corporation]
 
 Related keyword From Full Text Search System
557E113M applications 557E113M terminal 557E113M enhancement 557E113M corporation 557E113M Hex
557E113M read 557E113M header 557E113M datasheet pdf 557E113M 中文网站 557E113M corporation
 

 

Price & Availability of 557E113M

All Rights Reserved © IC-ON-LINE 2003 - 2022  

[Add Bookmark] [Contact Us] [Link exchange] [Privacy policy]
Mirror Sites :  [www.datasheet.hk]   [www.maxim4u.com]  [www.ic-on-line.cn] [www.ic-on-line.com] [www.ic-on-line.net] [www.alldatasheet.com.cn] [www.gdcy.com]  [www.gdcy.net]


 . . . . .
  We use cookies to deliver the best possible web experience and assist with our advertising efforts. By continuing to use this site, you consent to the use of cookies. For more information on cookies, please take a look at our Privacy Policy. X
0.053364992141724