Part Number Hot Search : 
EK7309 AE1194 SS24T3 CM1208 HVP101 MIC52 V2100 B2567
Product Description
Full Text Search

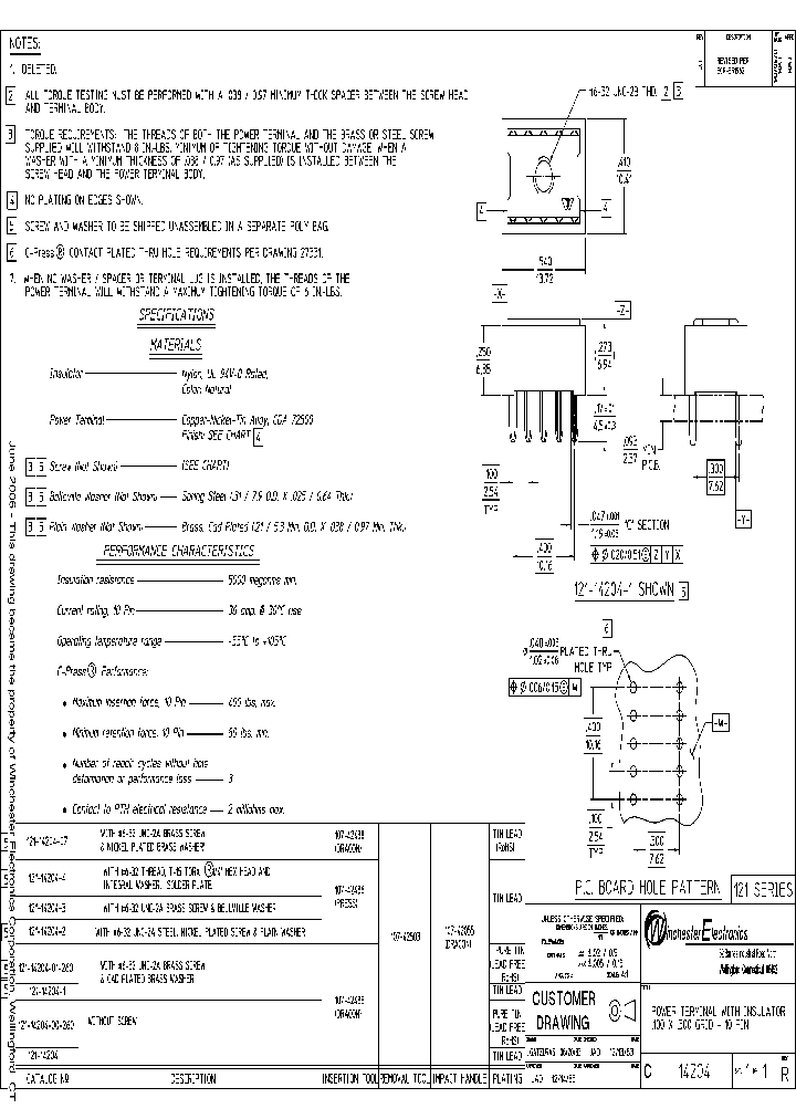
121-14204-00-260 - POWER TERMINAL WITH INSULATOR 100x300 GIRD

121-14204-00-260_5221609.PDF Datasheet


 Full text search : POWER TERMINAL WITH INSULATOR 100x300 GIRD
 Product Description search : POWER TERMINAL WITH INSULATOR 100x300 GIRD


 Related Part Number
PART Description Maker
19204-0017 19204-0025 19204-0004 19204-0030 19204- Ring Tongue Solderless Terminal; Wire Size (AWG):16-14; Insulator Color:Blue; Terminal Insulation:Nylon 2 mm2, COPPER ALLOY, WIRE TERMINAL
Ring Tongue Solderless Terminal; Wire Size (AWG):12-10; Insulator Color:Yellow; Terminal Insulation:PVC 5 mm2, COPPER ALLOY, WIRE TERMINAL
Ring Tongue Solderless Terminal; Wire Size (AWG):22-18; Insulator Color:Red; Terminal Insulation:PVC 0.8 mm2, COPPER ALLOY, WIRE TERMINAL
Ring Tongue Solderless Terminal; Wire Size (AWG):12-10; Insulator Color:Yellow; Terminal Insulation:Nylon 5 mm2, COPPER ALLOY, WIRE TERMINAL
3-WAY AVIKRIMP CONNECTOR (A-5YC) 0.8 mm2, COPPER ALLOY, WIRE TERMINAL
PARALLEL SPLICE NYLON INS (BS-N-304) 2 mm2, COPPER ALLOY, WIRE TERMINAL
Molex, Inc.
PN14-6F-M Fork Tongue Solderless Terminal; Wire Size (AWG):16-14; Stud Size:#6; Insulator Color:Blue; Pack Quantity:1000 COPPER ALLOY, TIN FINISH, FORK TERMINAL
Panduit, Corp.
BU-49-0 BU-49-2 Insulator for BU?8, BU?0, BU?1 and BU?5 Series Clips
List of Unclassifed Man...
ADIP-28Z-LC ADIP-14-Z-LC ASS 2320 CO
INSULATOR MATERIAL
Assmann Electronics Inc...
AWHW20-G-SMD AWHW-10G-SMD AWHW-14G-SMD AWHW-20G-SM Insulator Material
ASS 2316 CO
Assmann Electronics Inc...
FI-J25C5 FI-J20C5 FI-J40C5 FI-J35C5 FI-J30C5 INSULATOR HEAT RESISTING PLASTIC
Japan Aviation Electronics Industry, Ltd.
JL05-6A36-74PCW-FO-R PLUG, COVER INSULATOR SYNTHETIC RESIN
Japan Aviation Electronics Industry, Ltd.
MS3106F16S-1PZ ISOLIERKORPER STIFT INSULATOR PIN DICHTKORPER GROMMET ENDRING
ITT Industries
0190110038 190110038 InsulKrimp Piggyback Quick Disconnect, Tab 6.35mm (.250) by 0.81mm (.032),14-16 AWG, Blue Insulator, Tape
InsulKrimp垄芒 Piggyback Quick Disconnect, Tab 6.35mm (.250") by 0.81mm (.032"),14-16 AWG, Blue Insulator, Tape
Molex Electronics Ltd.
BCS-114-L-D INSULATOR: GLASS FILLED LCP UL 94 VO, COLOR: BLACK CONTACT: PHOS.BRONZE
Samtec, Inc
 
 Related keyword From Full Text Search System
121-14204-00-260 Semiconductors 121-14204-00-260 infineon 121-14204-00-260 Digital 121-14204-00-260 found 121-14204-00-260 Temperature
121-14204-00-260 asm encoder 121-14204-00-260 Transistor 121-14204-00-260 phase 121-14204-00-260 制造商 121-14204-00-260 Table
 

 

Price & Availability of 121-14204-00-260

All Rights Reserved © IC-ON-LINE 2003 - 2022  

[Add Bookmark] [Contact Us] [Link exchange] [Privacy policy]
Mirror Sites :  [www.datasheet.hk]   [www.maxim4u.com]  [www.ic-on-line.cn] [www.ic-on-line.com] [www.ic-on-line.net] [www.alldatasheet.com.cn] [www.gdcy.com]  [www.gdcy.net]


 . . . . .
  We use cookies to deliver the best possible web experience and assist with our advertising efforts. By continuing to use this site, you consent to the use of cookies. For more information on cookies, please take a look at our Privacy Policy. X
0.97445011138916