Part Number Hot Search : 
DFA15 MC14075B 8K32P 74AUP1G D8133V20 HT162207 D2W215CD SF30HG
Product Description
Full Text Search

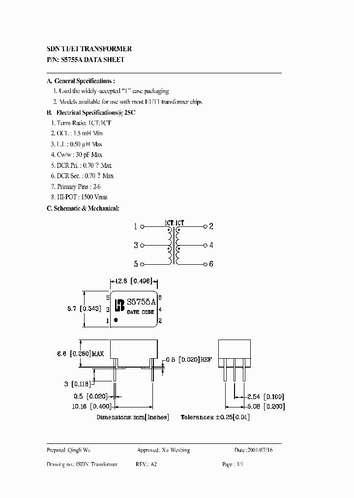
S5755A - SDN T1/E1 TRANSFORMER

S5755A_5115897.PDF Datasheet


 Full text search : SDN T1/E1 TRANSFORMER
 Product Description search : SDN T1/E1 TRANSFORMER


 Related Part Number
PART Description Maker
SDN5-24-100P SDN-P DIN Rail Series
List of Unclassifed Man...
2779H T1/E1 Transformer TELECOM TRANSFORMER
HIGH FREQUECY MAGNETICS T1/E1 Surface Mount Transformer
Bel Fuse, Inc.
BEL[Bel Fuse Inc.]
MH1500AM MT500AM MH250AE MH250AJ MH250JE MH1000PR POWER TRANSFORMER, 1500 VA
POWER TRANSFORMER, 500 VA
POWER TRANSFORMER, 250 VA
POWER TRANSFORMER, 1000 VA
POWER TRANSFORMER, 750 VA

GA0007-AL Flyback Transformer
Transformer, for ON NCP1351, RoHS 48 W, SMPS TRANSFORMER
Coilcraft lnc.
Coilcraft, Inc.
PL2417BBEB PL4201ABEB PL4208ABEB PL4208BBEB VISHAY POWER TRANSFORMER, 10 VA ROHS COMPLIANT
SPLIT BOBBIN POWER TRANSFORMER, 1.5 VA
POWER TRANSFORMER, 4.5 VA
Vishay Intertechnology, Inc.
VISHAY DALE
EPE6045SE EPE6045SE-LF DATACOM TRANSFORMER FOR 10 BASE-T APPLICATION(S) LEAD FREE
10Base-T Isolation Transformer
Samsung Semiconductor Co., Ltd.
PCA ELECTRONICS INC.
AS8696-B DSL transformer, for Alcatel MTK-20140, not RoHS TELECOM TRANSFORMER
Coilcraft, Inc.
DA2421-AL DA2420-AL DA2421-ALB PoE Transformers
Transformer, for STE12PS, 1:3, SMT, RoHS SMPS TRANSFORMER
Coilcraft lnc.
Coilcraft, Inc.
A9786-ALD DSL transformer, for AD20MSP910/918, not RoHS 150 W, SMPS TRANSFORMER
Coilcraft, Inc.
POE60C-25LD POE60D-25LB POE60C-25LB POE60D-25LD PO PoE transformer, SMT, RoHS 6 W, SMPS TRANSFORMER
Coilcraft, Inc.
MABAES0032 Transformer, 1:1 Transmission Line Transformer 5 to 1000 MHz
M/A-COM Technology Solutions, Inc.
 
 Related keyword From Full Text Search System
S5755A quad S5755A instruments S5755A corp S5755A siliconix S5755A Fixed
S5755A system S5755A single S5755A lead S5755A timer S5755A mosfet
 

 

Price & Availability of S5755A

All Rights Reserved © IC-ON-LINE 2003 - 2022  

[Add Bookmark] [Contact Us] [Link exchange] [Privacy policy]
Mirror Sites :  [www.datasheet.hk]   [www.maxim4u.com]  [www.ic-on-line.cn] [www.ic-on-line.com] [www.ic-on-line.net] [www.alldatasheet.com.cn] [www.gdcy.com]  [www.gdcy.net]


 . . . . .
  We use cookies to deliver the best possible web experience and assist with our advertising efforts. By continuing to use this site, you consent to the use of cookies. For more information on cookies, please take a look at our Privacy Policy. X
0.03681206703186