Part Number Hot Search : 
PN328 2SC43 2BU05R T521021 SMS3415 ZVN4210A SDW30 HFU4N50
Product Description
Full Text Search

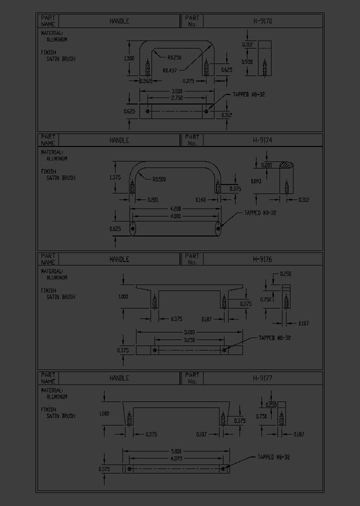
H-9176 - HANDLE

H-9176_4809296.PDF Datasheet


 Full text search : HANDLE
 Product Description search : HANDLE


 Related Part Number
PART Description Maker
SF-THEX-6-200 T-handle screwdriver, for Allen screws, hexagon (with chamfer), size: Hex 6 x 200 mm, ergonomically shaped handle, matt chrome-plated
PHOENIX CONTACT
H-9162 H-9163 H-9165 H-9166 H-9160 H-9164 H-9168 H HANDLE
Bud Industries, Inc.
H-9160 HANDLE
List of Unclassifed Man...
IDT71V016 IDT71V016SA IDT71V016SA10BF8 IDT71V016SA 3.3V CMOS Static RAM 1 Meg (64K x 16-Bit) 64K X 16 STANDARD SRAM, 12 ns, PBGA48
High-Performance Current-Mode PWM Controller 14-SOIC -40 to 85 64K X 16 STANDARD SRAM, 10 ns, PDSO44
64K X 16 STANDARD SRAM, 12 ns, PDSO44 0.400 INCH, PLASTIC, SOJ-44
TOOLS,SCREWDRIVERS,TORX,BALLDRIVER T-HANDLE SET,10-PC.INCH SIZES 3/32-3/8" AND STAND,HAND TOOLS,BALLDRIVER® T-HANDLE SETS ,BONDHUS
3.3V 64K x 16 Static RAM
Integrated Device Technology, Inc.
IDT[Integrated Device Technology]
Integrated Device Techn...
1427LBC 1427LGC EXPLODED HANDLE ASSEMBLY
Hammond Manufacturing L...
L10-HM1 L10-HM1-N2 L10-HM1E-N2 L10-HM4 L10-HM4E-N2 Switch Handle Assemblies
Sprecher Schuh
8368-1032-A OVAL INTERNAL THREAD HANDLE
RAF ELECTRONIC HARDWARE
BU-60H-9 BU-60H-2 BU-60H-0 BU-60H-4 BU-60H-5 Alligator Clip with Acetate Handle
List of Unclassifed Man...
10051-501 D914 PROMO PACK - HANDLE W/ 66 D914普莱蒙包拉手 66
Amphenol, Corp.
161-12 03730 004330 256258 Wiha Flag Handle and Offset Screwdriver.
List of Unclassifed Manufacturers
List of Unclassifed Man...
7101J1AKE32 7101J1AKI32 7101J2AKE32 7101J2AKI32 71 Rocker and Lever Handle Switches 摇臂开
ITT, Corp.
ITT Corporation
BU-60HPR-0 Phone Tip Alligator Clip with Acetate Handle
List of Unclassifed Man...
 
 Related keyword From Full Text Search System
H-9176 pressure sensor H-9176 Address H-9176 processor H-9176 sanyo H-9176 Technique
H-9176 panasonic H-9176 filetype:pdf H-9176 替换的 H-9176 UNITED CHEMI CON H-9176 microchip
 

 

Price & Availability of H-9176

All Rights Reserved © IC-ON-LINE 2003 - 2022  

[Add Bookmark] [Contact Us] [Link exchange] [Privacy policy]
Mirror Sites :  [www.datasheet.hk]   [www.maxim4u.com]  [www.ic-on-line.cn] [www.ic-on-line.com] [www.ic-on-line.net] [www.alldatasheet.com.cn] [www.gdcy.com]  [www.gdcy.net]


 . . . . .
  We use cookies to deliver the best possible web experience and assist with our advertising efforts. By continuing to use this site, you consent to the use of cookies. For more information on cookies, please take a look at our Privacy Policy. X
0.44658303260803