Part Number Hot Search : 
B3NK60Z 2SK2104 RGL34K HX1203 11M6M SFR1011 NFR25 15W28
Product Description
Full Text Search

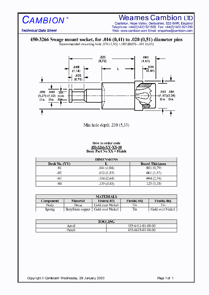
450-3266 - Swage mount socket, for .016 (0,41) to .020 (0,51) diameter pins

450-3266_4651721.PDF Datasheet


 Full text search : Swage mount socket, for .016 (0,41) to .020 (0,51) diameter pins
 Product Description search : Swage mount socket, for .016 (0,41) to .020 (0,51) diameter pins


 Related Part Number
PART Description Maker
450-3266 Swage mount socket, for .016 (0,41) to .020 (0,51) diameter pins
CAMBION Electronic Components
450-3263 Swage mount socket, stackable, .025 (0,64) diameter pin and socket
CAMBION Electronic Components
450-3310 Swage mount socket stackable .040 (1 / 02) diameter pin and socket
CAMBION Electronic
450-3379 Swage mount Socket
CAMBION Electronic
GSM293-7C35A6-V GSM040-1F1141-V GSM142-7F1341-V GS PGA293, IC SOCKET
PGA40, IC SOCKET
PGA142, IC SOCKET
PGA80, IC SOCKET
PGA300, IC SOCKET
PGA122, IC SOCKET
PGA156, IC SOCKET
PGA591, IC SOCKET
PGA155, IC SOCKET
PGA124, IC SOCKET
PGA169, IC SOCKET
PGA72, IC SOCKET
PGA241, IC SOCKET
PGA391, IC SOCKET
PGA320, IC SOCKET
PGA761, IC SOCKET
PGA319, IC SOCKET
PGA223, IC SOCKET
PGA200, IC SOCKET
PGA207, IC SOCKET
PGA209, IC SOCKET
PGA400, IC SOCKET
PGA321, IC SOCKET
PGA447, IC SOCKET
PGA240, IC SOCKET
PGA189, IC SOCKET
PGA225, IC SOCKET
PGA133, IC SOCKET
THOMAS & BETTS CORP
0605-G-14-L SST-1209-S-15-L SST-1209-S-32-L SST-12 PGA30, IC SOCKET
PGA108, IC SOCKET
PGA20, IC SOCKET
DIP10, IC SOCKET
PGA96, IC SOCKET
SIP1, IC SOCKET
PGA84, IC SOCKET
PGA80, IC SOCKET
PGA225, IC SOCKET
PGA98, IC SOCKET
SIP14, IC SOCKET
PGA28, IC SOCKET
PGA126, IC SOCKET
PGA18, IC SOCKET
PGA180, IC SOCKET
PGA15, IC SOCKET
SIP3, IC SOCKET
SIP12, IC SOCKET
PGA270, IC SOCKET
DIP24, IC SOCKET
SAMTEC INC
515-13-400-20-000003 515-44-149-15-063001 510-13-4 PGA400, IC SOCKET
PGA149, IC SOCKET
PGA121, IC SOCKET
PGA431, IC SOCKET
PGA64, IC SOCKET
PGA85, IC SOCKET
PGA12, IC SOCKET
PGA153, IC SOCKET
PGA209, IC SOCKET
PGA100, IC SOCKET
PGA124, IC SOCKET
PGA76, IC SOCKET
PGA114, IC SOCKET
MILL-MAX MFG CORP
1FGS304-551TG MGS272-636TT FBS225-551GG FBS225-551 304 POS FR-4 BGA SOCKET BGA304, IC SOCKET
272 POS 1.27MM BGA SOCKET BGA272, IC SOCKET
225 POS FR-4 BGA SOCKET BGA225, IC SOCKET
521 POS FR-4 BGA SOCKET BGA521, IC SOCKET
303 POS FR-4 BGA SOCKET BGA303, IC SOCKET
540 POS FR-4 BGA SOCKET BGA540, IC SOCKET
456 POS FR-4 BGA SOCKET BGA456, IC SOCKET
475 POS FG4 BGA SOCKET BGA475, IC SOCKET
400 POS 1.27MM BGA SOCKET
BGA240, IC SOCKET
BGA400, IC SOCKET
BGA121, IC SOCKET
BGA396, IC SOCKET
BGA256, IC SOCKET
169 POS FR-4 BGA SOCKET
BGA169, IC SOCKET
432 POS FR-4 BGA SOCKET
BGA204, IC SOCKET
Advanced Interconnections, Corp.
ADVANCED INTERCONNECTIONS CORP
DS628-01TG3M LS336-01GG3M LS336-04GG3M LS336-01TT3 28 POS MOLDED DIP SOCKET DIP48, IC SOCKET
DIP56, IC SOCKET
DIP58, IC SOCKET
DIP50, IC SOCKET
DIP46, IC SOCKET
DIP60, IC SOCKET
DIP52, IC SOCKET
DIP54, IC SOCKET
Advanced Interconnections, Corp.
ADVANCED INTERCONNECTIONS CORP
110-99-428-41-001 110-91-636-41-001 110-99-636-41- DIP28, IC SOCKET
DIP36, IC SOCKET
DIP10, IC SOCKET
DIP32, IC SOCKET
DIP52, IC SOCKET
DIP64, IC SOCKET
DIP4, IC SOCKET
DIP6, IC SOCKET
DIP50, IC SOCKET
MILL-MAX MFG CORP
342-10-105-00-592 MILL-MAXMFGCORP-342-90-106-00-59 SIP5, IC SOCKET
SIP33, IC SOCKET
SIP31, IC SOCKET
SIP12, IC SOCKET
SIP32, IC SOCKET
SIP1, IC SOCKET
SIP23, IC SOCKET
SIP22, IC SOCKET
SIP2, IC SOCKET
MILL-MAX MFG CORP
1427-3 MICRO PIN, SWAGE MOUNT
List of Unclassifed Man...
 
 Related keyword From Full Text Search System
450-3266 Bus 450-3266 huck 450-3266 ICPRICE 450-3266 Regulator 450-3266 Volt
450-3266 SePIC 450-3266 Amplifier 450-3266 sonardyne 450-3266 maker 450-3266 Voltage
 

 

Price & Availability of 450-3266

All Rights Reserved © IC-ON-LINE 2003 - 2022  

[Add Bookmark] [Contact Us] [Link exchange] [Privacy policy]
Mirror Sites :  [www.datasheet.hk]   [www.maxim4u.com]  [www.ic-on-line.cn] [www.ic-on-line.com] [www.ic-on-line.net] [www.alldatasheet.com.cn] [www.gdcy.com]  [www.gdcy.net]


 . . . . .
  We use cookies to deliver the best possible web experience and assist with our advertising efforts. By continuing to use this site, you consent to the use of cookies. For more information on cookies, please take a look at our Privacy Policy. X
0.18220806121826