Part Number Hot Search : 
M7R18FAJ SM120 EE08968 74C914 13020 MMBT5 2300S TDA8199
Product Description
Full Text Search

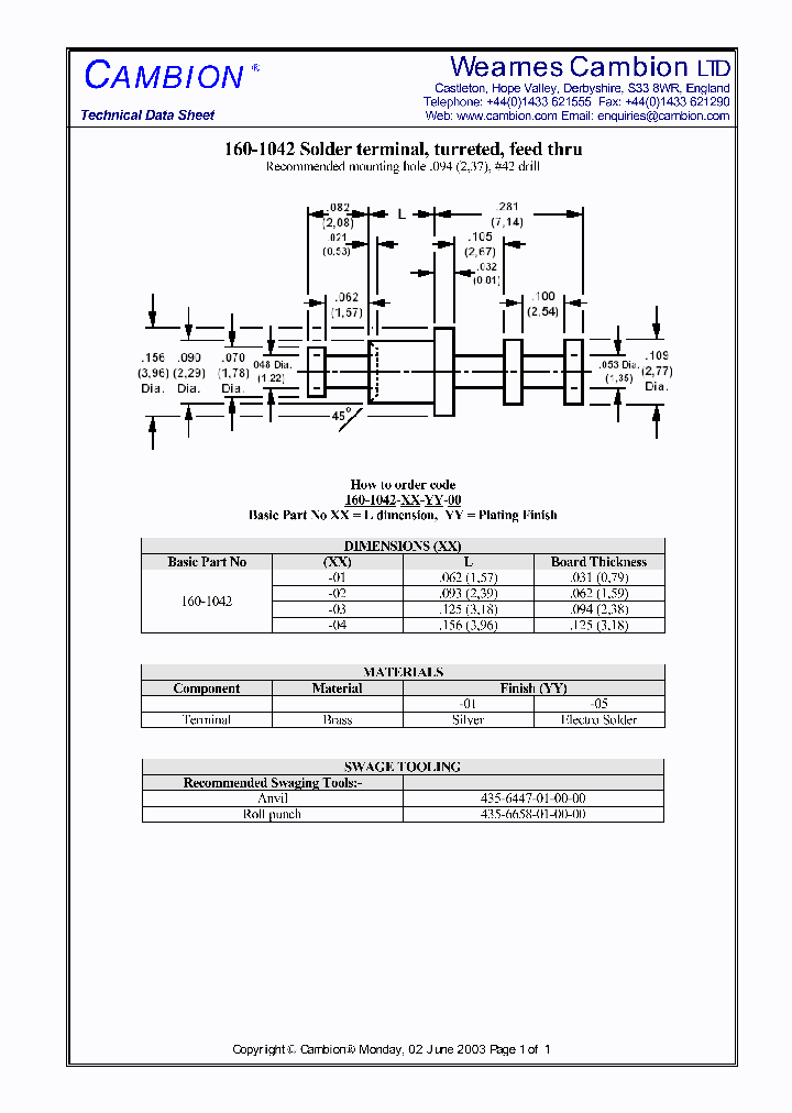
160-1042 - Solder terminal, turreted, feed thru

160-1042_4604308.PDF Datasheet


 Full text search : Solder terminal, turreted, feed thru
 Product Description search : Solder terminal, turreted, feed thru


 Related Part Number
PART Description Maker
570-2256 570-2256-02-03-00 BRASS, GOLD FINISH, PCB TERMINAL
Insulated solder terminal, Turreted
WEARNES CAMBION LTD
CAMBION Electronic Components
160-2040 160-2040-02-01-00 BRASS, SILVER FINISH, PCB TERMINAL
Solder terminal, turreted, feed thru
WEARNES CAMBION LTD
CAMBION Electronic Components
160-2141 160-2141-03-01-00 BRASS, SILVER FINISH, PCB TERMINAL
Solder terminal, turreted, feed thru, thru hole
WEARNES CAMBION LTD
CAMBION Electronic Components
160-1245 160-1245-01-05-00 160-1245-02-05-00 BRASS, PCB TERMINAL
Solder terminal, turreted
WEARNES CAMBION LTD
CAMBION Electronic Components
160-2110 Solder terminal, turreted
CAMBION Electronic Components
572-4810 Insulated solder terminal, Turreted
CAMBION Electronic Components
572-4833 Insulated solder terminal, Turreted
CAMBION Electronic Components
160-1512 Solder terminal, turreted, thru hole
CAMBION Electronic Components
572-4881 Insulated solder terminal, Turreted
CAMBION Electronic Components
572-4838 Insulated solder terminal, Turreted
CAMBION Electronic Components
160-2044 Solder terminal, turreted, feed thru
CAMBION Electronic Components
 
 Related keyword From Full Text Search System
160-1042 Product 160-1042 mosfet 160-1042 电子元件中文资料网站 160-1042 Interface 160-1042 技术参数
160-1042 ic equivalent 160-1042 mitsubishi 160-1042 application 160-1042 alldatasheet 160-1042 Reference
 

 

Price & Availability of 160-1042

All Rights Reserved © IC-ON-LINE 2003 - 2022  

[Add Bookmark] [Contact Us] [Link exchange] [Privacy policy]
Mirror Sites :  [www.datasheet.hk]   [www.maxim4u.com]  [www.ic-on-line.cn] [www.ic-on-line.com] [www.ic-on-line.net] [www.alldatasheet.com.cn] [www.gdcy.com]  [www.gdcy.net]


 . . . . .
  We use cookies to deliver the best possible web experience and assist with our advertising efforts. By continuing to use this site, you consent to the use of cookies. For more information on cookies, please take a look at our Privacy Policy. X
0.39278411865234