Part Number Hot Search : 
NE06F 74HC00A JMS578 UM8321 Z062B WFF2N60B RT8868A TD62305
Product Description
Full Text Search

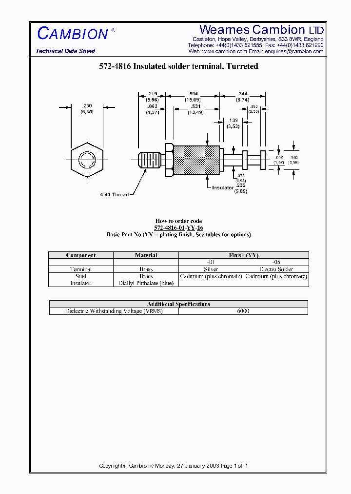
572-4816 - Insulated solder terminal, Turreted

572-4816_4272542.PDF Datasheet


 Full text search : Insulated solder terminal, Turreted
 Product Description search : Insulated solder terminal, Turreted


 Related Part Number
PART Description Maker
571-4254 571-4254-01-01-19 BRASS, SILVER FINISH, PCB TERMINAL
Insulated solder terminal, Slotted, Feed thru
WEARNES CAMBION LTD
http://
571-4031 571-4031-01-05-19 BRASS, TIN LEAD OVER COPPER FINISH, PCB TERMINAL
Insulated solder terminal, Pin type
WEARNES CAMBION LTD
CAMBION Electronic Components
571-4101 Insulated solder terminal, Turreted
http://
572-4827 Insulated solder terminal, Turreted
CAMBION Electronic Components
572-4814 Insulated solder terminal, Turreted
CAMBION Electronic Components
572-4821 Insulated solder terminal, Turreted
CAMBION Electronic Components
572-4842 Insulated solder terminal, Turreted
CAMBION Electronic Components
572-4810 Insulated solder terminal, Turreted
CAMBION Electronic Components
571-4115 Insulated solder terminal, Turreted
http://
570-3648 Insulated solder terminal, Turreted
http://
570-2432 Insulated solder terminal, Slotted
http://
 
 Related keyword From Full Text Search System
572-4816 vishay 572-4816 hot 572-4816 Mount 572-4816 mhz 572-4816 Switching
572-4816 Data 572-4816 data 572-4816 Crystals 572-4816 Instruments 572-4816 gdcy
 

 

Price & Availability of 572-4816

All Rights Reserved © IC-ON-LINE 2003 - 2022  

[Add Bookmark] [Contact Us] [Link exchange] [Privacy policy]
Mirror Sites :  [www.datasheet.hk]   [www.maxim4u.com]  [www.ic-on-line.cn] [www.ic-on-line.com] [www.ic-on-line.net] [www.alldatasheet.com.cn] [www.gdcy.com]  [www.gdcy.net]


 . . . . .
  We use cookies to deliver the best possible web experience and assist with our advertising efforts. By continuing to use this site, you consent to the use of cookies. For more information on cookies, please take a look at our Privacy Policy. X
0.47108006477356