Part Number Hot Search : 
P160J P6SMB62A MV21002 A6FSAU01 X9255 AM2946 HWGXXX D2300
Product Description
Full Text Search

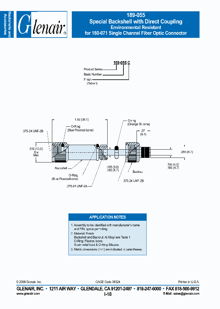
189-055C - Special Backshell with Direct Coupling

189-055C_4250611.PDF Datasheet


 Full text search : Special Backshell with Direct Coupling
 Product Description search : Special Backshell with Direct Coupling


 Related Part Number
PART Description Maker
0322110000 Special terminal, special connections, Clamping yoke, PA, black, Busbar
Weidmuller
0210160000 0495360000 Special terminal, special connections, 4 mm2, Screw connection, PA 66, beige, TS 32
Weidmuller
0502780000 Special terminal, special connections, PA, blue, Busbar
Weidmuller
HD74CDCV857A ASSP>Special Logic ICs for PC>HD74CDC Series(Special Logic for PC)
Renesas
K4R441869A-NM K4R441869A-MCK8 K4R441869A-NCK7 8M X 18 DIRECT RAMBUS DRAM, 45 ns, PBGA62
K4R271669A-N(M):Direct RDRAMData Sheet
Samsung Electronic
C450DA700-0207 C450DA700-0209 C450DA700-0214 C460D Direct Attach LED Technology Rectangular LED RF Performance
Direct Attach DA700 LEDs
Cree, Inc
Marktech Corporate
PP0800EB PP1500EA Direct ProTek Replacement:PP0800EB 直接太克替代:PP0800EB
Direct ProTek Replacement:PP1500EA
20 A, SILICON SURGE PROTECTOR, TO-92
Air Cost Control
PROTEK DEVICES
HTW-1A11A77 HTW-2D12A44 2G11B11 SPECIAL SWITCH-HALL EFFECT THUMBWHEEL SWITCH, SPST, MOMENTARY, 0.025A, 5.5VDC, PANEL MOUNT
SPECIAL SWITCH-HALL EFFECT THUMBWHEEL SWITCH, SPST, MOMENTARY, 0.05A, 5.5VDC, THROUGH HOLE-STRAIGHT
OTTO ENGINEERING INC
C460DA1000-0327 C460DA1000-0325 C460DA1000-0311 C4 Direct Attach LED Technology Rectangular LED RF Performance
LEDs
Direct Attach DA1000 LEDs
Cree, Inc
Marktech Corporate
MC-4R128CEE6C-845 MC-4R128CEE6B MC-4R128CEE6B-653 64M X 16 DIRECT RAMBUS DRAM MODULE, 53 ns, DMA184
Direct Rambus DRAM RIMM Module 128M-BYTE 64M-WORD x 16-BIT
NEC Corp.
NEC[NEC]
 
 Related keyword From Full Text Search System
189-055C buffer 189-055C 参数网 189-055C eeprom 189-055C afe + homeplug av 189-055C isa bus
189-055C timer 189-055C Matsushita 189-055C Vout 189-055C Source 189-055C enhancement
 

 

Price & Availability of 189-055C

All Rights Reserved © IC-ON-LINE 2003 - 2022  

[Add Bookmark] [Contact Us] [Link exchange] [Privacy policy]
Mirror Sites :  [www.datasheet.hk]   [www.maxim4u.com]  [www.ic-on-line.cn] [www.ic-on-line.com] [www.ic-on-line.net] [www.alldatasheet.com.cn] [www.gdcy.com]  [www.gdcy.net]


 . . . . .
  We use cookies to deliver the best possible web experience and assist with our advertising efforts. By continuing to use this site, you consent to the use of cookies. For more information on cookies, please take a look at our Privacy Policy. X
0.045310974121094