Part Number Hot Search : 
SLUS353A STLC5445 HM368035 SMBJ5230 S3902 A1141LLH HT672A07 TCD1018C
Product Description
Full Text Search

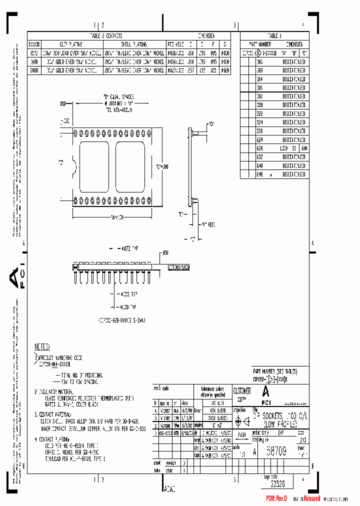
DIP050-648-208B - DIP48, IC SOCKET DIP40, IC SOCKET

DIP050-648-208B_3827034.PDF Datasheet


 Full text search : DIP48, IC SOCKET DIP40, IC SOCKET
 Product Description search : DIP48, IC SOCKET DIP40, IC SOCKET


 Related Part Number
PART Description Maker
HLS322-29GG LS648-04TG HLS324-04GG HLS640-29TG HLS 22 POS MOLDED DIP SOCKET DIP22, IC SOCKET
48 POS MOLDED DIP SOCKET DIP48, IC SOCKET
24 POS MOLDED DIP SOCKET DIP24, IC SOCKET
24 POS MOLDED DIP SOCKET DIP64, IC SOCKET
40 POS MOLDED DIP SOCKET DIP40, IC SOCKET
32 POS MOLDED DIP SOCKET DIP32, IC SOCKET
32 POS OPEN FRAME MOLDED DIP SOCKET DIP32, IC SOCKET
14 POS MOLDED DIP SOCKET DIP14, IC SOCKET
22 POS OPEN FRAME MOLDED DIP SOCKET DIP22, IC SOCKET
20 POS MOLDED DIP SOCKET DIP40, IC SOCKET
DIP8, IC SOCKET
Advanced Interconnections, Corp.
ADVANCED INTERCONNECTIONS CORP
KS320-50TT KS420-236GG KA946-236GG KA450-236GG KA4 20 POS PEEL-A-WAY® DIP SOCKET DIP60, IC SOCKET
DIP46, IC SOCKET
DIP50, IC SOCKET
DIP8, IC SOCKET
DIP58, IC SOCKET
DIP48, IC SOCKET
DIP56, IC SOCKET
DIP64, IC SOCKET
DIP52, IC SOCKET
DIP62, IC SOCKET
Advanced Interconnections, Corp.
ADVANCED INTERCONNECTIONS CORP
ICE-622-ZTGG ICE-312-ZTGG ICE-322-ZTGG ICE-610-ZTG DIP22, IC SOCKET
DIP12, IC SOCKET
DIP10, IC SOCKET
DIP28, IC SOCKET
DIP14, IC SOCKET
DIP6, IC SOCKET
DIP40, IC SOCKET
DIP32, IC SOCKET
DIP24, IC SOCKET
SAMTEC INC
D2864-01 D2808-21 D2824-21 D2922-01 D2808-01 D2818 2.54mm Pitch Dual Row PC Tail IC Socket Assembly, gold clip tin/lead shell, 64-way DIP24, IC SOCKET
2.54mm Pitch Dual Row PC Tail IC Socket Assembly, gold-flash clip tin/lead shell, 8-way DIP48, IC SOCKET
2.54mm Pitch Dual Row PC Tail IC Socket Assembly, gold-flash clip tin/lead shell, 24-way DIP24, IC SOCKET
2.54mm Pitch Dual Row PC Tail IC Socket Assembly, gold clip tin/lead shell, 22-way DIP22, IC SOCKET
2.54mm Pitch Dual Row PC Tail IC Socket Assembly, gold clip tin/lead shell, 8-way DIP48, IC SOCKET
2.54mm Pitch Dual Row PC Tail IC Socket Assembly, gold clip tin/lead shell, 18-way DIP18, IC SOCKET
2.54mm Pitch Dual Row PC Tail IC Socket Assembly, gold clip tin/lead shell, 20-way DIP40, IC SOCKET
2.54mm Pitch Dual Row PC Tail IC Socket Assembly, gold-flash clip tin/lead shell, 32-way DIP32, IC SOCKET
Harwin PLC
RLS448-237GG RLS448-01GG DIP48, IC SOCKET
ADVANCED INTERCONNECTIONS CORP
122-43-640-41-801000 DIP40, IC SOCKET
MILL-MAX MFG CORP
8440-02 DIP40, IC SOCKET
ARIES ELECTRONICS INC
20-7903-10 20-7750-10 20-7380-10 20-7629-10 20-765 DIP40, IC SOCKET
DIP60, IC SOCKET
ARIES ELECTRONICS INC
9148 614-13-156-15-06112 614-13-089-13-06112 614-1 PGA225, IC SOCKET
PGA156, IC SOCKET
PGA89, IC SOCKET
PGA72, IC SOCKET
PGA447, IC SOCKET
PGA176, IC SOCKET
PGA124, IC SOCKET
PGA296, IC SOCKET
PGA88, IC SOCKET
PGA154, IC SOCKET
PGA181, IC SOCKET
PGA145, IC SOCKET
PGA391, IC SOCKET
PGA32, IC SOCKET
PGA114, IC SOCKET
PGA132, IC SOCKET
PGA81, IC SOCKET
MILL-MAX MFG CORP
PGA-133DH3-CP-TG PGA-133DH3-CP-TT PGA-133DM3-CP-TG PGA133, IC SOCKET
PGA146, IC SOCKET
PGA175, IC SOCKET
PGA88, IC SOCKET
PGA44, IC SOCKET
PGA64, IC SOCKET
PGA52, IC SOCKET
PGA84, IC SOCKET
PGA100, IC SOCKET
PGA180, IC SOCKET
PGA273, IC SOCKET
PGA114, IC SOCKET
PGA119, IC SOCKET
PGA240, IC SOCKET
PGA132, IC SOCKET
PGA156, IC SOCKET
PGA101, IC SOCKET
3M Company
Infineon Technologies AG
Micro-Epsilon Group
ADC Telecommunications
DB Lectro, Inc.
SUSUMU Co., Ltd.
Data Delay Devices, Inc.
 
 Related keyword From Full Text Search System
DIP050-648-208B PDF DIP050-648-208B gdcy DIP050-648-208B Hex DIP050-648-208B step DIP050-648-208B lamp
DIP050-648-208B 接腳圖 DIP050-648-208B corporation DIP050-648-208B found DIP050-648-208B 参数 封装 DIP050-648-208B filetype:pdf
 

 

Price & Availability of DIP050-648-208B

All Rights Reserved © IC-ON-LINE 2003 - 2022  

[Add Bookmark] [Contact Us] [Link exchange] [Privacy policy]
Mirror Sites :  [www.datasheet.hk]   [www.maxim4u.com]  [www.ic-on-line.cn] [www.ic-on-line.com] [www.ic-on-line.net] [www.alldatasheet.com.cn] [www.gdcy.com]  [www.gdcy.net]


 . . . . .
  We use cookies to deliver the best possible web experience and assist with our advertising efforts. By continuing to use this site, you consent to the use of cookies. For more information on cookies, please take a look at our Privacy Policy. X
0.052525997161865