Part Number Hot Search : 
CA507 JANS4N49 BSTL4960 CS3002 M100B HETA1664 M6805A FR102S
Product Description
Full Text Search

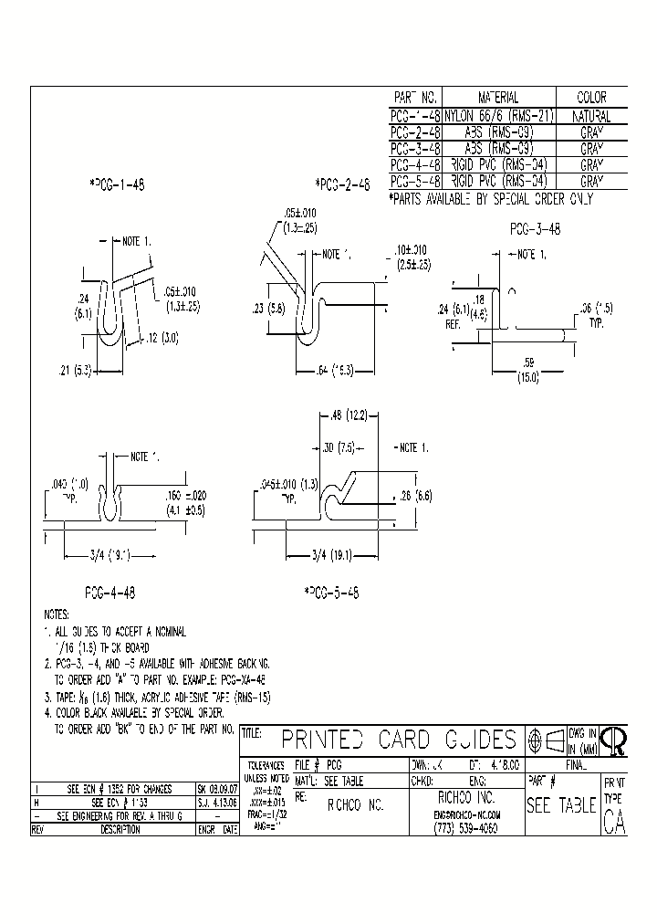
PCG-5-48 - PRINTED CARD GUIDES

PCG-5-48_3769767.PDF Datasheet


 Full text search : PRINTED CARD GUIDES
 Product Description search : PRINTED CARD GUIDES


 Related Part Number
PART Description Maker
RCG-2 RCG-3 RCG-1 RCG-4 RACK CARD GUIDES
Richco, Inc.
LGP47K-15 Coupling into Light Guides
OSRAM GmbH
AS7C252MFT18A AS7C252MFT18A.V1.2 AS7C252MFT18A-85T 2.5V 2M x 18 Flow-through synchronous SRAM 2M X 18 STANDARD SRAM, 10 ns, PQFP100
CARD READER 2 TRACK SWIPE RS232
CARD READER FULL INSERT USB
CARD READER SNG TRACK MAN SWIPE
CARD READER 3 TRACK FULL INSERT
CARD READER FULL INSERT RS-232
From old datasheet system
Sync SRAM - 2.5V
Alliance Semiconductor, Corp.
ALSC[Alliance Semiconductor Corporation]
2202312 Light guides, can be used for the BC housing range (housing must be processed), color: transparent
PHOENIX CONTACT
2202314 Light guides, can be used for the ME, ME-MAX, ME-IO, ME PLC, and EH housing ranges (housing must be processed), color: transparent
PHOENIX CONTACT
MAX1741EUB MAX1741 MAX1740EUB MAX1740 SIM/Smart Card Level Translators in ??AX
SIM/Smart-Card Level Translators in µMAX
SIM/Smart Card Level Translators in MAX
SIM/Smart Card Level Translators in μMAX
SIM/Smart Card Level Translators in レMAX
SIM/Smart Card Level Translators in uMAX
Digital Signal Processors 144-LQFP
MAXIM INTEGRATED PRODUCTS INC
Maxim Integrated Products, Inc.
MAXIM - Dallas Semiconductor
Maixm
MAXIM[Maxim Integrated Products]
EB74D-PE43GX 86 CONTACT(S), FEMALE, SINGLE PART CARD EDGE CONN, CARD EXTENDER
Vishay Intertechnology, Inc.
K9S6408V0A-SSB0NBSP K9S6408V0A-SSB0 K9S6408V0A 8M x 8Bit SmartMedia?Card Data sheet
NAND Flash EEPROM
From old datasheet system
8M x 8 Bit SmartMediaTM Card
Samsung Electronics Inc
SAMSUNG[Samsung semiconductor]
1940-0-00-XX-00-00-03-0 3000-0-00-XX-00-00-03-0 19 PRINTED CIRCUIT PINS
Mill-Max Mfg. Corp.
SKPC22-2 SKPC22/2 PRINTED CIRCUIT BOARD
Semikron International
http://
30.018 30.021 30.002 30.024 30.006 30.012 30.010 3 FIXED PRINTED CIRCUIT
Altech corporation
PHEC80P-S11-LF PHEC50P-S11-LF PHEC50P-S111LF PHEC3 PRINTED CIRCUIT CONNECTOR
FCI connector
 
 Related keyword From Full Text Search System
PCG-5-48 maker PCG-5-48 circuit diagram PCG-5-48 Adjustable PCG-5-48 npn transistor PCG-5-48 接腳圖
PCG-5-48 lcd PCG-5-48 ascel PCG-5-48 gdcy PCG-5-48 protection ic PCG-5-48 LPE model
 

 

Price & Availability of PCG-5-48

All Rights Reserved © IC-ON-LINE 2003 - 2022  

[Add Bookmark] [Contact Us] [Link exchange] [Privacy policy]
Mirror Sites :  [www.datasheet.hk]   [www.maxim4u.com]  [www.ic-on-line.cn] [www.ic-on-line.com] [www.ic-on-line.net] [www.alldatasheet.com.cn] [www.gdcy.com]  [www.gdcy.net]


 . . . . .
  We use cookies to deliver the best possible web experience and assist with our advertising efforts. By continuing to use this site, you consent to the use of cookies. For more information on cookies, please take a look at our Privacy Policy. X
0.17723488807678