Part Number Hot Search : 
78R05 20620 904BC SY889 PE34305 B4234 TEA6840H U1000
Product Description
Full Text Search

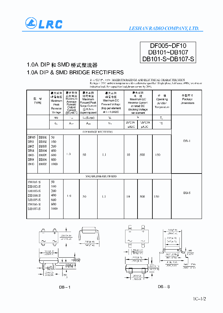
DB171-S - 1.0A DIP & SMD BRIDGE RECTIFIERS

DB171-S_3377907.PDF Datasheet


 Full text search : 1.0A DIP & SMD BRIDGE RECTIFIERS
 Product Description search : 1.0A DIP & SMD BRIDGE RECTIFIERS


 Related Part Number
PART Description Maker
1-1825057-0 DIP, Rotary DIP, SIP Switches and DIP Shunts - Standard; ADE1204=DIP SWITCH,EXT,THRU/HL ( Tyco Electronics )
Tyco Electronics
5-5435640-8 DIP, Rotary DIP, SIP Switches and DIP Shunts - Standard; DIP SW 8 POS ( Alcoswitch )
Tyco Electronics
DF04S DF06S DF005S DF02S 400V Bridge in a D-71 package
SMD Genenal Purpose Bridge Rectifier
International Rectifier
Comchip Technology Co., Ltd.
AM2964B/BQA AM2964B/BUA AM2964BPC AM2964BDMB AM296 3 Phase Driver, Inverting Input, 0.8us Deadtime in a 28-pin DIP package; A IR2132 packaged in a 28-Lead SOIC shipped on Tape and Reel
3 Phase Driver, Inverting Input, 2.5us Deadtime in a 28-pin DIP package; A IR2130 packaged in a 28-Lead PDIP
Half Bridge Driver, Soft Turn-On, Separate High and Low Side Inputs, Fixed 500ns Deadtime in a 8-pin DIP package; A IR2108 packaged in a 8-Lead PDIP DRAM控制
3 Phase Driver, Inverting Input, 2.5us Deadtime in a 28-pin DIP package; A IR2130 packaged in a Lead-Free 28-Lead SOIC DRAM控制
Half Bridge Driver, SoftTurn-On, Noninverting Inputs in a 8-pin DIP package; A IR2304 packaged in a 8-Lead SOIC DRAM控制
NXP Semiconductors N.V.
GP02-17A    High Voltage 1.0A Sintered Glass Passivated Rectifie
Olitech Electronics Co....
DF06STR16 1 A, 600 V, SILICON, BRIDGE RECTIFIER DIODE SURFACE MOUNT, DIP-4
TE Connectivity, Ltd.
FAN7710VN FAIRCHILDSEMICONDUCTORCORP-FAN7710VN HALF BRIDGE BASED PRPHL DRVR, PDIP8 ROHS COMPLIANT, DIP-8
Fairchild Semiconductor, Corp.
JITO2-DP5DE132.8100MHZ JITO2-DC3BM22.2184MHZ JITO2 CRYSTAL OSCILLATOR, CLOCK, 132.81 MHz, HCMOS OUTPUT FULL SIZE, DIP-4
CRYSTAL OSCILLATOR, CLOCK, 22.2184 MHz, HCMOS OUTPUT FULL SIZE, DIP-4
CRYSTAL OSCILLATOR, CLOCK, 22.1184 MHz, HCMOS OUTPUT FULL SIZE, DIP-4
CRYSTAL OSCILLATOR, CLOCK, 37.5 MHz, HCMOS OUTPUT FULL SIZE, DIP-4
CRYSTAL OSCILLATOR, CLOCK, 3.2 MHz, HCMOS OUTPUT FULL SIZE, DIP-4
CRYSTAL OSCILLATOR, CLOCK, 65 MHz, HCMOS OUTPUT FULL SIZE, DIP-4
CRYSTAL OSCILLATOR, CLOCK, 65.536 MHz, HCMOS OUTPUT FULL SIZE, DIP-4
CRYSTAL OSCILLATOR, CLOCK, 34.368 MHz, HCMOS OUTPUT FULL SIZE, DIP-4
CRYSTAL OSCILLATOR, CLOCK, 0.34 MHz, HCMOS OUTPUT FULL SIZE, DIP-4
CRYSTAL OSCILLATOR, CLOCK, 65.1 MHz, HCMOS OUTPUT FULL SIZE, DIP-4
CRYSTAL OSCILLATOR, CLOCK, 50.688 MHz, HCMOS OUTPUT FULL SIZE, DIP-4
CRYSTAL OSCILLATOR, CLOCK, 58.9824 MHz, HCMOS OUTPUT FULL SIZE, DIP-4
CRYSTAL OSCILLATOR, CLOCK, 7.5 MHz, HCMOS OUTPUT FULL SIZE, DIP-4
CRYSTAL OSCILLATOR, CLOCK, 69.148 MHz, HCMOS OUTPUT FULL SIZE, DIP-4
CRYSTAL OSCILLATOR, CLOCK, 50.7 MHz, HCMOS OUTPUT FULL SIZE, DIP-4
CRYSTAL OSCILLATOR, CLOCK, 0.85 MHz, HCMOS OUTPUT FULL SIZE, DIP-4
CRYSTAL OSCILLATOR, CLOCK, 4.8 MHz, HCMOS OUTPUT FULL SIZE, DIP-4
CRYSTAL OSCILLATOR, CLOCK, 14.75 MHz, HCMOS OUTPUT FULL SIZE, DIP-4
CRYSTAL OSCILLATOR, CLOCK, 20.48 MHz, HCMOS OUTPUT FULL SIZE, DIP-4
CRYSTAL OSCILLATOR, CLOCK, 156.25 MHz, HCMOS OUTPUT FULL SIZE, DIP-4
CRYSTAL OSCILLATOR, CLOCK, 48.75 MHz, HCMOS OUTPUT FULL SIZE, DIP-4
CRYSTAL OSCILLATOR, CLOCK, 63.7 MHz, HCMOS OUTPUT FULL SIZE, DIP-4
CRYSTAL OSCILLATOR, CLOCK, 0.4608 MHz, HCMOS OUTPUT FULL SIZE, DIP-4
CRYSTAL OSCILLATOR, CLOCK, 74.25 MHz, HCMOS OUTPUT FULL SIZE, DIP-4
CRYSTAL OSCILLATOR, CLOCK, 53.125 MHz, HCMOS OUTPUT FULL SIZE, DIP-4
CRYSTAL OSCILLATOR, CLOCK, 73.728 MHz, HCMOS OUTPUT FULL SIZE, DIP-4
CRYSTAL OSCILLATOR, CLOCK, 0.9216 MHz, HCMOS OUTPUT FULL SIZE, DIP-4
CRYSTAL OSCILLATOR, CLOCK, 31.25 MHz, HCMOS OUTPUT FULL SIZE, DIP-4
CRYSTAL OSCILLATOR, CLOCK, 0.468 MHz, HCMOS OUTPUT FULL SIZE, DIP-4
CRYSTAL OSCILLATOR, CLOCK, 106.25 MHz, HCMOS OUTPUT FULL SIZE, DIP-4
CRYSTAL OSCILLATOR, CLOCK, 6.14 MHz, HCMOS OUTPUT FULL SIZE, DIP-4
CRYSTAL OSCILLATOR, CLOCK, 24.576 MHz, HCMOS OUTPUT FULL SIZE, DIP-4
CRYSTAL OSCILLATOR, CLOCK, 24.5454 MHz, HCMOS OUTPUT FULL SIZE, DIP-4
CRYSTAL OSCILLATOR, CLOCK, 24 MHz, HCMOS OUTPUT FULL SIZE, DIP-4
CRYSTAL OSCILLATOR, CLOCK, 6.144 MHz, HCMOS OUTPUT FULL SIZE, DIP-4
CRYSTAL OSCILLATOR, CLOCK, 12.4416 MHz, HCMOS OUTPUT FULL SIZE, DIP-4
CRYSTAL OSCILLATOR, CLOCK, 24.54 MHz, HCMOS OUTPUT FULL SIZE, DIP-4
CRYSTAL OSCILLATOR, CLOCK, 24.671 MHz, HCMOS OUTPUT FULL SIZE, DIP-4
CRYSTAL OSCILLATOR, CLOCK, 0.66 MHz, HCMOS OUTPUT FULL SIZE, DIP-4
CRYSTAL OSCILLATOR, CLOCK, 15.36 MHz, HCMOS OUTPUT FULL SIZE, DIP-4
CRYSTAL OSCILLATOR, CLOCK, 27 MHz, HCMOS OUTPUT
CRYSTAL OSCILLATOR, CLOCK, 30 MHz, HCMOS OUTPUT
CRYSTAL OSCILLATOR, CLOCK, 160 MHz, HCMOS OUTPUT
CRYSTAL OSCILLATOR, CLOCK, 16 MHz, HCMOS OUTPUT
CRYSTAL OSCILLATOR, CLOCK, 25 MHz, HCMOS OUTPUT
CRYSTAL OSCILLATOR, CLOCK, 21.25 MHz, HCMOS OUTPUT
CRYSTAL OSCILLATOR, CLOCK, 41.66 MHz, HCMOS OUTPUT
CRYSTAL OSCILLATOR, CLOCK, 40 MHz, HCMOS OUTPUT
CRYSTAL OSCILLATOR, CLOCK, 150 MHz, HCMOS OUTPUT
IRC Advanced Film
Fox Electronics
1516A-10-1.0A 1516A-10-1.0B 1516A-40-1.0A 1516A-40 5-TAP DIP/SMD DELAY LINE TD/TR = 3
DATADELAY[Data Delay Devices, Inc.]
DATADELAY[Data Delay Devices Inc.]
1KAB20E 1KAB100E 1KAB80E 1KAB-E 1KAB10E 1KAB40E 1K 200V Bridge in a D-38 package
50V Bridge in a D-38 package
1000V Bridge in a D-38 package
100V Bridge in a D-38 package
400V Bridge in a D-38 package
600V Bridge in a D-38 package
800V Bridge in a D-38 package
   1.2 amp rectifier bridge
http://
IRF[International Rectifier]
 
 Related keyword From Full Text Search System
DB171-S npn transistor DB171-S driver DB171-S 查ic资料 DB171-S maker DB171-S surface
DB171-S tdma modulator DB171-S microcontroller DB171-S ic marking DB171-S Mosfet DB171-S supply
 

 

Price & Availability of DB171-S

All Rights Reserved © IC-ON-LINE 2003 - 2022  

[Add Bookmark] [Contact Us] [Link exchange] [Privacy policy]
Mirror Sites :  [www.datasheet.hk]   [www.maxim4u.com]  [www.ic-on-line.cn] [www.ic-on-line.com] [www.ic-on-line.net] [www.alldatasheet.com.cn] [www.gdcy.com]  [www.gdcy.net]


 . . . . .
  We use cookies to deliver the best possible web experience and assist with our advertising efforts. By continuing to use this site, you consent to the use of cookies. For more information on cookies, please take a look at our Privacy Policy. X
0.1117799282074