Part Number Hot Search : 
SC129D B7851 RC1585MC ISL68201 0509S AK6420AF TA8710 TS128MCF
Product Description
Full Text Search

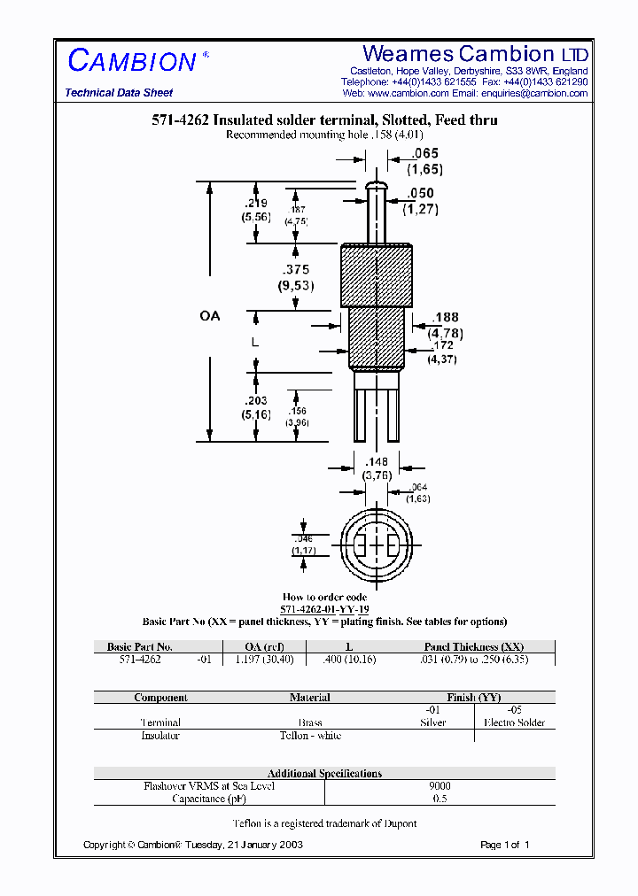
571-4262 - Insulated solder terminal, Slotted, Feed thru

571-4262_3375751.PDF Datasheet


 Full text search : Insulated solder terminal, Slotted, Feed thru
 Product Description search : Insulated solder terminal, Slotted, Feed thru


 Related Part Number
PART Description Maker
572-4892 572-4892-01-01-16 BRASS, SILVER FINISH, PCB TERMINAL
Insulated solder terminal, Pin type
WEARNES CAMBION LTD
CAMBION Electronic Components
571-4034 Insulated solder terminal, Turreted
CAMBION Electronic Components
571-4027 Insulated solder terminal, Turreted
CAMBION Electronic Components
571-4078 Insulated solder terminal, Turreted
CAMBION Electronic Components
572-4821 Insulated solder terminal, Turreted
CAMBION Electronic Components
572-4844 Insulated solder terminal, Turreted
CAMBION Electronic Components
572-4907 Insulated solder terminal, Turreted
CAMBION Electronic Components
571-4101 Insulated solder terminal, Turreted
http://
571-4123 Insulated solder terminal, Slotted
http://
572-4904 Insulated solder terminal, Turreted
CAMBION Electronic Components
571-4115 Insulated solder terminal, Turreted
http://
572-4902 Insulated solder terminal, Turreted
CAMBION Electronic Components
 
 Related keyword From Full Text Search System
571-4262 vsen gate 571-4262 circuit 571-4262 Mode 571-4262 ic查尋 571-4262 npn
571-4262 技术参数 571-4262 中文网站 571-4262 file 571-4262 frequency 571-4262 Interface
 

 

Price & Availability of 571-4262

All Rights Reserved © IC-ON-LINE 2003 - 2022  

[Add Bookmark] [Contact Us] [Link exchange] [Privacy policy]
Mirror Sites :  [www.datasheet.hk]   [www.maxim4u.com]  [www.ic-on-line.cn] [www.ic-on-line.com] [www.ic-on-line.net] [www.alldatasheet.com.cn] [www.gdcy.com]  [www.gdcy.net]


 . . . . .
  We use cookies to deliver the best possible web experience and assist with our advertising efforts. By continuing to use this site, you consent to the use of cookies. For more information on cookies, please take a look at our Privacy Policy. X
0.42895221710205