Part Number Hot Search : 
5233B 8HC908A PQ1LAX95 PSF2115 7C020 BSS91 AM104 L934SGC
Product Description
Full Text Search

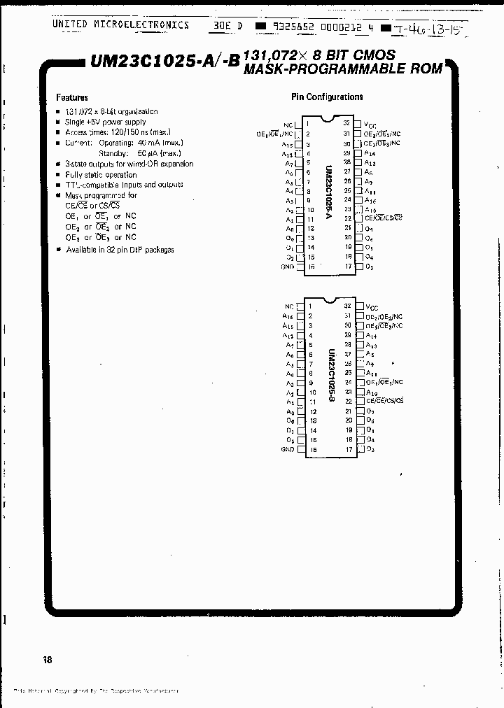
UM23C1025 - 131,072 x 8 Bit CMOS Mask-Programmable ROM

UM23C1025_3272172.PDF Datasheet


 Full text search : 131,072 x 8 Bit CMOS Mask-Programmable ROM
 Product Description search : 131,072 x 8 Bit CMOS Mask-Programmable ROM


 Related Part Number
PART Description Maker
M5M512R M5M512R88DJ-10 M5M512R88DJ-12 M5M512R88DJ- 1048576-BIT (131072-WORD BY 8-BIT) CMOS STATIC RAM 1048576位(131072 - Word位)的CMOS静态RAM
From old datasheet system
Mitsubishi Electric, Corp.
Mitsubishi Electric Corporation
M5M51008BKR-10L M5M51008BKR-10LL M5M51008BKR-55L M 128K X 8 STANDARD SRAM, 100 ns, PDSO32
1048576-bit (131072-word by 8-bit) CMOS static SRAM
1048576-BIT(131072-WORD BY 8-BIT)CMOS STATIC RAM 1048576位(131072 - Word位)的CMOS静态RAM
1048576-BIT(131072-WORD BY 8-BIT)CMOS STATIC RAM 1048576位(131072 - Word位)的CMOS静RAM
128K X 8 STANDARD SRAM, 70 ns, PDSO32
Mitsubishi Electric Corporation
MITSUBISHI[Mitsubishi Electric Semiconductor]
Mitsubishi Electric, Corp.
HN28F101 HN28F101P-20 HN28F101T-15 HN28F101R-12 HN 131072-word x 8-bit CMOS Flash Memory
131072-word 8-bit CMOS Flash Memory 131072字?8位CMOS闪存
List of Unclassifed Manufacturers
Electronic Theatre Controls, Inc.
M5M51008CFP-70HI 1048576-BIT(131072-WORD BY 8-BIT)CMOS STATIC RAM
MITSUBISHI
M5M27C202JK-10 M5M27C202JK-12 M5M27C202JK-15 M5M27 2097152-BIT(131072-WORD BY 16-BIT) CMOS ERASABLE AND ELECTRICALLY REPROGRAMMABLE ROM
MITSUBISHI[Mitsubishi Electric Semiconductor]
Mitsubishi Electric Corporation
CXK591000TM/YM/M-10LL CXK591000TM/YM/M-70LL CXK591 131072-word x 9-bit High Speed CMOS Static RAM
131072-word x 9-bit High Speed CMOS Static RAM 131072字9位高速CMOS静态RAM
SONY
Vishay Intertechnology, Inc.
HN27C101AG 131072-word 8-bit CMOS UV Erasable and Programmable ROM
Hitachi Semiconductor
SAB-C504-2R24M SAB-C504-2RM SAB-C504-LM SAB-C504-L 8-Bit Microcontrollers - 8-Bit CMOS Microcontroller with mask-programmable ROM (24MHz)
8-Bit Microcontrollers - 8-Bit CMOS Microcontroller with mask-programmable ROM (12MHz)
8-Bit Microcontrollers - 8-Bit CMOS Microcontroller for external memory (12MHz)
8-Bit Microcontrollers - 8-Bit CMOS Microcontroller for external memory (24MHz)
8-Bit Microcontrollers - 8-Bit CMOS Microcontroller for extended temperature ranges
Infineon
HM628128LP 131072-word x 8-bit High Speed CMOS Static RAM
Hitachi,Ltd.
HN27C101ATT 131072-word 5 8-bit CMOS One Time Electrically Programmable ROM
Renesas Technology / Hitachi Semiconductor
 
 Related keyword From Full Text Search System
UM23C1025 motorola UM23C1025 schottky UM23C1025 Step UM23C1025 usb-hs otg UM23C1025 type
UM23C1025 Untuk apa ic UM23C1025 mosfet UM23C1025 Single UM23C1025 atmel UM23C1025 configuration
 

 

Price & Availability of UM23C1025

All Rights Reserved © IC-ON-LINE 2003 - 2022  

[Add Bookmark] [Contact Us] [Link exchange] [Privacy policy]
Mirror Sites :  [www.datasheet.hk]   [www.maxim4u.com]  [www.ic-on-line.cn] [www.ic-on-line.com] [www.ic-on-line.net] [www.alldatasheet.com.cn] [www.gdcy.com]  [www.gdcy.net]


 . . . . .
  We use cookies to deliver the best possible web experience and assist with our advertising efforts. By continuing to use this site, you consent to the use of cookies. For more information on cookies, please take a look at our Privacy Policy. X
0.42335081100464