Part Number Hot Search : 
C8103 IN4745 CU6050 150200 LSZ53S 2C133 IBS248 MP6401
Product Description
Full Text Search

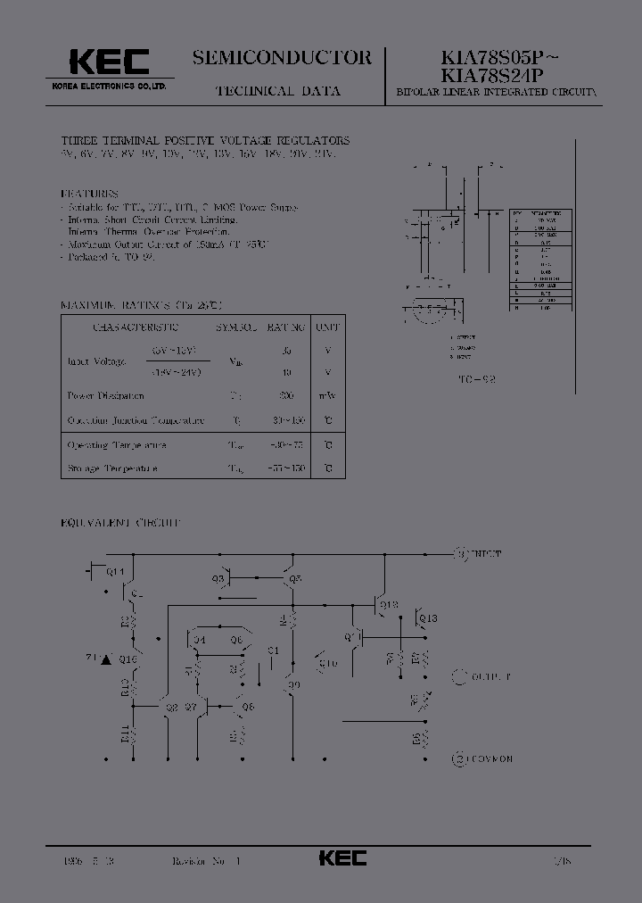
KIA78S13P - 5.0 AMP POSITIVE VOLTAGE REGULATOR 5.0放大器正电压稳压 (KIA78S05P - KIA78S24P) BIPOLAR LINEAR INTEGRATED CIRCUIT (THREE TERMINAL POSITIVE VOLTAGE REGULATORS)

KIA78S13P_3230605.PDF Datasheet


 Full text search : 5.0 AMP POSITIVE VOLTAGE REGULATOR 5.0放大器正电压稳压 (KIA78S05P - KIA78S24P) BIPOLAR LINEAR INTEGRATED CIRCUIT (THREE TERMINAL POSITIVE VOLTAGE REGULATORS)
 Product Description search : 5.0 AMP POSITIVE VOLTAGE REGULATOR 5.0放大器正电压稳压 (KIA78S05P - KIA78S24P) BIPOLAR LINEAR INTEGRATED CIRCUIT (THREE TERMINAL POSITIVE VOLTAGE REGULATORS)


 Related Part Number
PART Description Maker
IP3R18AV-05 IP3R18AV-12 IP3R18AV-15 IP3R18V-15 IP1 5 AMP POSITIVE VOLTAGE REGULATORS
Circular Connector; No. of Contacts:79; Series:MS27484; Body Material:Aluminum; Connecting Termination:Crimp; Connector Shell Size:20; Circular Contact Gender:Pin; Circular Shell Style:Straight Plug; Insert Arrangement:20-35 RoHS Compliant: No
5.0 AMP POSITIVE VOLTAGE REGULATOR 5 V FIXED POSITIVE REGULATOR, PSFM3
5.0 AMP POSITIVE VOLTAGE REGULATOR 5.0放大器正电压稳压
CAT5E PATCH CABLE 350MHZ, ST-PIN, USOC-BGE 12 V FIXED POSITIVE REGULATOR, MBFM2
Voltage Regulator 15 V FIXED POSITIVE REGULATOR, MBFM2
5.0 AMP POSITIVE VOLTAGE REGULATOR 12 V FIXED POSITIVE REGULATOR, PSFM3
Voltage Regulator 5 V FIXED POSITIVE REGULATOR, MBFM2
13W3 MALE-4BNC, MALE ADAPTER C
SEME-LAB[Seme LAB]
TT electronics Semelab Limited
TT electronics Semelab, Ltd.
Vishay Intertechnology, Inc.
SEMELAB LTD
MC78L05AA MC78L05AACP MC78L05ACD MC78L05ACH MC78L0 3-TERMINAL 0.1A POSITIVE VOLTAGE REGULATORS
Search --To LM78L05ACZ
5.0 AMP POSITIVE VOLTAGE REGULATOR 12 V FIXED POSITIVE REGULATOR, PSSO3
5.0 AMP POSITIVE VOLTAGE REGULATOR 5.0放大器正电压稳压
5.0 AMP POSITIVE VOLTAGE REGULATOR 9 V FIXED POSITIVE REGULATOR, PBCY3
5.0 AMP POSITIVE VOLTAGE REGULATOR 5 V FIXED POSITIVE REGULATOR, PBCY3
FAIRCHILD[Fairchild Semiconductor]
Fairchild semiconductors
http://
Fairchild Semiconductor, Corp.
ICL7663SACBA-T ICL7663SAIBA ICL7663SAIJA CMOS Programmable Micropower Positive Voltage Regulator; Temperature Range: 0&degC to 70°C; Package: 8-SOIC T&R 1.3 V-16 V ADJUSTABLE POSITIVE REGULATOR, PDSO8
1.3 V-16 V ADJUSTABLE POSITIVE REGULATOR, CDIP8
Fujitsu, Ltd.
HARRIS SEMICONDUCTOR
ICL7663S05 ICL7663SCBAZA ICL7663SACBAZA ICL7663SCP CMOS Programmable Micropower Positive Voltage Regulator; Temperature Range: 0&degC to 70°C; Package: 8-SOIC T&R 1.3 V-16 V ADJUSTABLE POSITIVE REGULATOR, PDSO8
1.3 V-16 V ADJUSTABLE POSITIVE REGULATOR, PDIP8
Intersil, Corp.
INTERSIL[Intersil Corporation]
HS0-117RH-Q HS9S-117RH/PROTO Adjustable Positive Voltage Regulator; Temperature Range: -55°C to 125°C; Package: Die (Military Visual) 1.2 V-37 V ADJUSTABLE POSITIVE REGULATOR, UUC6
5.0 AMP POSITIVE VOLTAGE REGULATOR 1.2 V-37 V ADJUSTABLE POSITIVE REGULATOR, MSFM3
Vishay Intertechnology, Inc.
Intersil, Corp.
INTERSIL CORP
LM117A IP117A LM117HVK-883B LM117 IP317 IP117 IP31 CAP .068UF 100V METAL FILM BOX
1.25 V-60 V ADJUSTABLE POSITIVE REGULATOR, MBFM2
1.5 AMP POSITIVE ADJUSTABLE VOLTAGE REGULATOR FOR HI-REL APPLICATIONS 1.5放大器阳性您好可调电压调节器- Rel应用
Voltage Regulator 电压调节
1.25 V-60 V ADJUSTABLE POSITIVE REGULATOR, PSFM3
1.5A Adjustable Positive Voltage Regulator
0.5A Adjustable Positive Voltage Regulator
TT electronics Semelab, Ltd.
Avago Technologies, Ltd.
Delta Electronics, Inc.
INTERPION SEMICONDUCTOR CO., LTD.
NXP Semiconductors N.V.
Power Dynamics, Inc.
ITT, Corp.
TT electronics Semelab Limited
SEME-LAB[Seme LAB]
http://
SEMELAB LTD
EZ1588 EZ1588CM EZ1588CM-2.5 EZ1588CM-3.3 EZ1588CT 5.0 AMP POSITIVE VOLTAGE REGULATOR
2.0 AMP LOW DROPOUT POSITIVE VOLTAGE REGULATORS
SEMTECH[Semtech Corporation]
PJ1084 PJ1084CF PJ1084CF-2.5 PJ1084CF-3.3 PJ1084CM 5 Amp Low Dropout Positive Voltage Regulator
5.0 AMP POSITIVE VOLTAGE REGULATOR 5.0放大器正电压稳压
LEAD FREE 8-BIT LED DRVR W/OPEN LED DETC 5安培低压差正电压稳压
List of Unclassifed Manufacturers
ETC[ETC]
Promax-Johnton Semiconductor
Electronic Theatre Controls, Inc.
LD1117DC-R LD1117DTC-R LD1117DT18CTR -LD1117DT25TR LOW DROP FIXED AND ADJUSTABLE POSITIVE VOLTAGE REGULATORS
5.0 AMP POSITIVE VOLTAGE REGULATOR 5.0放大器正电压稳压
意法半导
STMicroelectronics N.V.
LM223 LM123 2165 LM323 -LM123 5.0 AMP POSITIVE VOLTAGE REGULATOR
Three Terminal Positive Voltage Regulator(三端正电压稳压器)
From old datasheet system
THREE-TERMINAL 3A-5V POSITIVE VOLTAGE REGULATORS
http://
意法半导
STMICROELECTRONICS[STMicroelectronics]
SGS Thomson Microelectronics
UTC78LXX 5.0 AMP POSITIVE VOLTAGE REGULATOR
3-TERMINAL 0.1A POSITIVE VOLTAGE REGULATORS
Electronic Theatre Controls, Inc.
ETC
List of Unclassifed Manufacturers
BYV28600 BYV2800 5.0 AMP POSITIVE VOLTAGE REGULATOR
5 A low drop positive voltage regulator adjustable and fixed
Ultra Fast Soft-Recovery Avalanche Rectifier
VISAY[Vishay Siliconix]
 
 Related keyword From Full Text Search System
KIA78S13P Byte KIA78S13P Memory KIA78S13P microsemi KIA78S13P UNITED CHEMI CON KIA78S13P gate threshold
KIA78S13P products KIA78S13P Processors KIA78S13P Transistors KIA78S13P Bit KIA78S13P filetype:pdf
 

 

Price & Availability of KIA78S13P

All Rights Reserved © IC-ON-LINE 2003 - 2022  

[Add Bookmark] [Contact Us] [Link exchange] [Privacy policy]
Mirror Sites :  [www.datasheet.hk]   [www.maxim4u.com]  [www.ic-on-line.cn] [www.ic-on-line.com] [www.ic-on-line.net] [www.alldatasheet.com.cn] [www.gdcy.com]  [www.gdcy.net]


 . . . . .
  We use cookies to deliver the best possible web experience and assist with our advertising efforts. By continuing to use this site, you consent to the use of cookies. For more information on cookies, please take a look at our Privacy Policy. X
0.052688837051392