Part Number Hot Search : 
M48T513Y C33825 FEB4065 BC212KA CZRF13VB FDLL457A UPC4081C RT1N230U
Product Description
Full Text Search

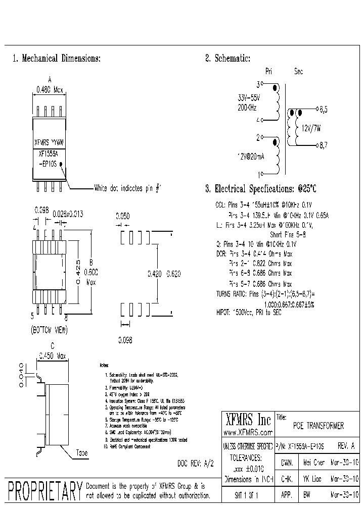
XF1556A-EP10S - POE TRANSFORMER

XF1556A-EP10S_2101377.PDF Datasheet


 Full text search : POE TRANSFORMER
 Product Description search : POE TRANSFORMER


 Related Part Number
PART Description Maker
POE13F-12L POE13F-18L POE13F-19L POE13F-24L POE13F Flyback Transformers for PoE
PoE transformer, SMT, RoHS 13 W, SMPS TRANSFORMER
PoE transformer, SMT, RoHS 6 W, SMPS TRANSFORMER
Coilcraft lnc.
Coilcraft, Inc.
COILCRAFT INC
POE13P-12L POE13P-19L POE13P-24L POE13P-33L POE13P Flyback Transformers
PoE transformer, SMT, RoHS 3 W, SMPS TRANSFORMER
PoE transformer, SMT, RoHS 13 W, SMPS TRANSFORMER
PoE transformer, SMT, RoHS 7 W, SMPS TRANSFORMER
Coilcraft lnc.
Coilcraft, Inc.
IXYS, Corp.
COILCRAFT INC
FA2925-AL FA2924-AL FA2805-CL FA2925-ALB Flyback Transformers
PoE transformer, for Si3400/3401, SMT, RoHS 15 W, SMPS TRANSFORMER
Coilcraft lnc.
Coilcraft, Inc.
TTWB2010-1L TTWB2010L TTWB2040L TTWB3010-1L TTWB30 0.13 MHz - 425 MHz RF TRANSFORMER
PoE transformer, SMT, RoHS 0.03 MHz - 250 MHz RF TRANSFORMER
Surface Mount Wideband RF Transformers
COILCRAFT INC
Coilcraft, Inc.
http://
Coilcraft lnc.
FGP-2412-16 26-Port Fast Ethernet PoE Switch, 2 x SFP/RJ45 Combo Gigabit, 802.3at PoE , 24 PoE Outputs, 480W
Level One
FGP-2410-16 26-Port Fast Ethernet PoE Switch, 2 x SFP/RJ45 Combo Gigabit, 802.3at PoE , 24 PoE Outputs, 240W
Level One
XF1556C-EP10S XF1556C-EP10S-15 5.0V 7W POE TRANSFORMER
XFMRS Inc.
XF1276C-EP13S-15 POE TRANSFORMER
XFMRS Inc.
XF1556B-EP10S XF1556B-EP10S-15 3.3V 7W POE TRANSFORMER
XFMRS Inc.
XF1556-EP10S-15 POE TRANSFORMER
XFMRS Inc.
XF0426A-EFD20S 30W POE Transformer
XFMRS Inc.
EPC3409G-LF PoE Synchronous Flyback Transformer
PCA ELECTRONICS INC.
 
 Related keyword From Full Text Search System
XF1556A-EP10S bit XF1556A-EP10S microsemi XF1556A-EP10S size XF1556A-EP10S semicon XF1556A-EP10S MARKING
XF1556A-EP10S transformer XF1556A-EP10S electric XF1556A-EP10S varactor XF1556A-EP10S specification XF1556A-EP10S diode
 

 

Price & Availability of XF1556A-EP10S

All Rights Reserved © IC-ON-LINE 2003 - 2022  

[Add Bookmark] [Contact Us] [Link exchange] [Privacy policy]
Mirror Sites :  [www.datasheet.hk]   [www.maxim4u.com]  [www.ic-on-line.cn] [www.ic-on-line.com] [www.ic-on-line.net] [www.alldatasheet.com.cn] [www.gdcy.com]  [www.gdcy.net]


 . . . . .
  We use cookies to deliver the best possible web experience and assist with our advertising efforts. By continuing to use this site, you consent to the use of cookies. For more information on cookies, please take a look at our Privacy Policy. X
0.38276290893555