Part Number Hot Search : 
AL1015 TA4303F R0251W00 W25X10 6676A 471MC HC908 LMO12D
Product Description
Full Text Search

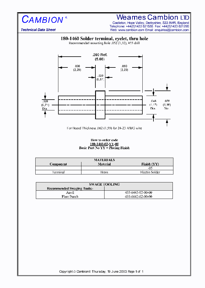
180-1460 - Solder terminal, eyelet, thru hole

180-1460_2072596.PDF Datasheet


 Full text search : Solder terminal, eyelet, thru hole
 Product Description search : Solder terminal, eyelet, thru hole


 Related Part Number
PART Description Maker
180-1462 Solder terminal, eyelet, thru hole
CAMBION Electronic Components
570-2256 570-2256-02-03-00 BRASS, GOLD FINISH, PCB TERMINAL
Insulated solder terminal, Turreted
WEARNES CAMBION LTD
CAMBION Electronic Components
571-4030 571-4030-03-01-19 571-4030-01-01-19 BRASS, SILVER FINISH, PCB TERMINAL
Insulated solder terminal, Pin type
WEARNES CAMBION LTD
CAMBION Electronic Components
570-2431 570-2431-04-05-00 570-2431-03-05-00 570-2 BRASS, TIN LEAD FINISH, PCB TERMINAL
Insulated solder terminal, Slotted
WEARNES CAMBION LTD
http://
PE4549 SMA Female Bulkhead Connector Solder Attachment Solder Cup Terminal, .250 inch Diameter
Pasternack Enterprises, Inc.
PE4211 BNC Male Bulkhead Connector Solder Attachment Solder Cup Terminal, .350 inch D Hole
Pasternack Enterprises, Inc.
120-2081 120-2081-04-01-00 Solder terminal
BRASS, SILVER FINISH, PCB TERMINAL
CAMBION Electronic Components
WEARNES CAMBION LTD
PE4101 SMA Female Bulkhead Connector Solder Attachment Solder Cup Terminal, .235 inch D Hole, Rear Mount
Pasternack Enterprises,...
PE4107 SMC Jack Bulkhead Connector Solder Attachment Solder Cup Terminal, .177 inch D Hole, Rear Mount
Pasternack Enterprises,...
HTSW-102-14-S-D TSW-106-08-G-S TSW-108-14-G-D TSW- .025" sq. Terminal Strips 4 CONTACT(S), MALE, STRAIGHT TWO PART BOARD CONNECTOR, SOLDER
.025'' sq. Terminal Strips 6 CONTACT(S), MALE, STRAIGHT TWO PART BOARD CONNECTOR, SOLDER
.025'' sq. Terminal Strips 16 CONTACT(S), MALE, STRAIGHT TWO PART BOARD CONNECTOR, SOLDER
.025'' sq. Terminal Strips 8 CONTACT(S), MALE, STRAIGHT TWO PART BOARD CONNECTOR, SOLDER
.025'' sq. Terminal Strips 3 CONTACT(S), MALE, STRAIGHT TWO PART BOARD CONNECTOR, SOLDER
.025'' sq. Terminal Strips 2 CONTACT(S), MALE, STRAIGHT TWO PART BOARD CONNECTOR, SOLDER
.025" sq. Terminal Strips 16 CONTACT(S), MALE, STRAIGHT TWO PART BOARD CONNECTOR, SOLDER
CONN HEADER 100POS .100 DL GOLD 100 CONTACT(S), MALE, STRAIGHT TWO PART BOARD CONNECTOR, SOLDER
CONN HEADER 100POS .100 DL TIN 100 CONTACT(S), MALE, STRAIGHT TWO PART BOARD CONNECTOR, SOLDER
.025'' sq. Terminal Strips 20 CONTACT(S), MALE, STRAIGHT TWO PART BOARD CONNECTOR, SOLDER
.025'' sq. Terminal Strips 5 CONTACT(S), MALE, STRAIGHT TWO PART BOARD CONNECTOR, SOLDER
3 CONTACT(S), MALE, RIGHT ANGLE TWO PART BOARD CONNECTOR, SOLDER
60 CONTACT(S), MALE, STRAIGHT TWO PART BOARD CONNECTOR, SOLDER
1 CONTACT(S), MALE, RIGHT ANGLE TWO PART BOARD CONNECTOR, SOLDER
12 CONTACT(S), MALE, RIGHT ANGLE TWO PART BOARD CONNECTOR, SOLDER
150 CONTACT(S), MALE, STRAIGHT TWO PART BOARD CONNECTOR, SOLDER
105 CONTACT(S), MALE, STRAIGHT TWO PART BOARD CONNECTOR, SOLDER
16 CONTACT(S), MALE, RIGHT ANGLE TWO PART BOARD CONNECTOR, SOLDER
15 CONTACT(S), MALE, STRAIGHT TWO PART BOARD CONNECTOR, SOLDER
7 CONTACT(S), MALE, STRAIGHT TWO PART BOARD CONNECTOR, SOLDER
14 CONTACT(S), MALE, RIGHT ANGLE TWO PART BOARD CONNECTOR, SOLDER
10 CONTACT(S), MALE, STRAIGHT TWO PART BOARD CONNECTOR, SOLDER
48 CONTACT(S), MALE, RIGHT ANGLE TWO PART BOARD CONNECTOR, SOLDER
14 CONTACT(S), MALE, STRAIGHT TWO PART BOARD CONNECTOR, SOLDER
10 CONTACT(S), MALE, RIGHT ANGLE TWO PART BOARD CONNECTOR, SOLDER
26 CONTACT(S), MALE, STRAIGHT TWO PART BOARD CONNECTOR, SOLDER
12 CONTACT(S), MALE, STRAIGHT TWO PART BOARD CONNECTOR, SOLDER
15 CONTACT(S), MALE, RIGHT ANGLE TWO PART BOARD CONNECTOR, SOLDER
26 CONTACT(S), MALE, RIGHT ANGLE TWO PART BOARD CONNECTOR, SOLDER
40 CONTACT(S), MALE, STRAIGHT TWO PART BOARD CONNECTOR, SOLDER
48 CONTACT(S), MALE, STRAIGHT TWO PART BOARD CONNECTOR, SOLDER
44 CONTACT(S), MALE, STRAIGHT TWO PART BOARD CONNECTOR, SOLDER
38 CONTACT(S), MALE, STRAIGHT TWO PART BOARD CONNECTOR, SOLDER
1 CONTACT(S), MALE, STRAIGHT TWO PART BOARD CONNECTOR, SOLDER
24 CONTACT(S), MALE, STRAIGHT TWO PART BOARD CONNECTOR, SOLDER
75 CONTACT(S), MALE, RIGHT ANGLE TWO PART BOARD CONNECTOR, SOLDER
50 CONTACT(S), MALE, RIGHT ANGLE TWO PART BOARD CONNECTOR, SOLDER
Samtec, Inc.
SAMTEC INC
 
 Related keyword From Full Text Search System
180-1460 buffer 180-1460 hot 180-1460 Digital 180-1460 rectifier 180-1460 alldatasheet
180-1460 preis 180-1460 ghz 180-1460 State 180-1460 samsung 180-1460 amplifier
 

 

Price & Availability of 180-1460

All Rights Reserved © IC-ON-LINE 2003 - 2022  

[Add Bookmark] [Contact Us] [Link exchange] [Privacy policy]
Mirror Sites :  [www.datasheet.hk]   [www.maxim4u.com]  [www.ic-on-line.cn] [www.ic-on-line.com] [www.ic-on-line.net] [www.alldatasheet.com.cn] [www.gdcy.com]  [www.gdcy.net]


 . . . . .
  We use cookies to deliver the best possible web experience and assist with our advertising efforts. By continuing to use this site, you consent to the use of cookies. For more information on cookies, please take a look at our Privacy Policy. X
0.42073798179626