Part Number Hot Search : 
DG06243 ASCX15DN T8302B TPS0603 01400972 UT54AC C161K CY7C141
Product Description
Full Text Search

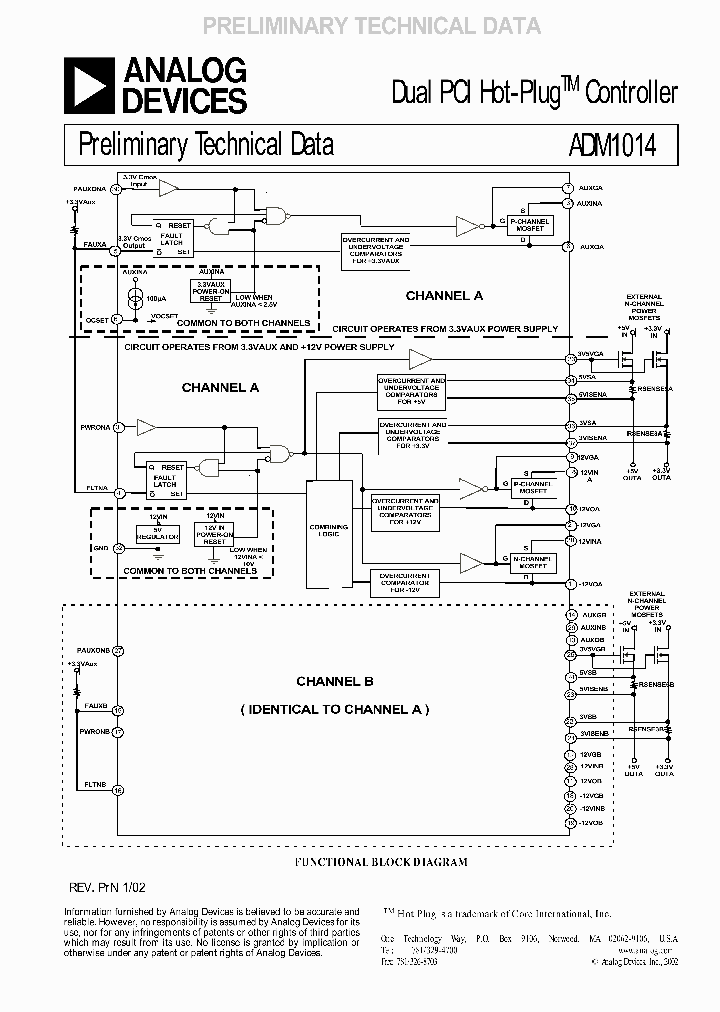
ADM1014 - Dual PCI Hot-Plug Controller

ADM1014_2025952.PDF Datasheet

 
Part No. ADM1014
Description Dual PCI Hot-Plug Controller

File Size 158.01K  /  12 Page  

Maker


Analog Devices



JITONG TECHNOLOGY
(CHINA HK & SZ)
Datasheet.hk's Sponsor

Part: ADM101EARM
Maker: AD
Pack: MSOP10
Stock: Reserved
Unit price for :
    50: $1.43
  100: $1.36
1000: $1.29

Email: oulindz@gmail.com

Contact us

Homepage http://www.analog.com/
Download [ ]
[ ADM1014 Datasheet PDF Downlaod from Datasheet.HK ]
[ADM1014 Datasheet PDF Downlaod from Maxim4U.com ] :-)


[ View it Online ]   [ Search more for ADM1014 ]

[ Price & Availability of ADM1014 by FindChips.com ]

 Full text search : Dual PCI Hot-Plug Controller
 Product Description search : Dual PCI Hot-Plug Controller


 Related Part Number
PART Description Maker
MIC2592BNBSP MIC2592B MIC2592B-2BTQ MIC2592B-2YTQ Dual-Slot PCI Express Hot-Plug Controller
Micrel Semiconductor
MIC2593-2YTQ MIC2593-2BTQ MIC2593-5YTQ Dual-Slot PCI Hot Plug Controller
2-CHANNEL POWER SUPPLY SUPPORT CKT, PQFP48
Micrel Semiconductor
MICREL INC
MIC2592B-2BTQ MIC2592B-2YTQ MIC2592B-3BTQ MIC2592B Dual-Slot PCI Express Hot-Plug Controller 1-CHANNEL POWER SUPPLY SUPPORT CKT, PQFP48
Micrel Semiconductor, Inc.
http://
Micrel Semiconductor,Inc.
HIP1011ACB-T HIP1011ACBZA-T PCI Hot Plug Controller
Renesas Electronics Corporation
HIP1011BCBZA HIP1011BCBZA-T HIP1011BCB-T PCI Hot Plug Controller
Renesas Electronics Corporation
HIP1011B HIP1011BCB HIP1011BCB-T FN4640 From old datasheet system
PCI Hot Plug Controller
INTERSIL[Intersil Corporation]
MC14060 MC14060B MC14060BCP MC14060BD MC14060BDR2    14-Bit Binary Counter and Oscillator
Dual Slot PCI and PCIX 1.0 Hot-Plug Power Controller 80-HTQFP -40 to 85
ONSEMI[ON Semiconductor]
ISL6113 ISL6113EVAL1Z ISL6113IRZA ISL6113IRZA-T IS Dual Slot PCI-E Hot Plug Controllers
Renesas Electronics Corporation
MAX406005 MAX5954 MAX4062EUB MAX4060 MAX4060ETA MA Differential Microphone Preamplifiers with Internal Bias and Complete Shutdown
Single PCI Express, Hot-Plug Controller
MAXIM[Maxim Integrated Products]
LTC1643 PCI-Bus Hot Swap Controller
linear
ADM1014 ADM1014JRU    Dual PCI Hot-PlugTM Controller
AD[Analog Devices]
LTC1643H LTC1643L 1643LHI PCI-Bus Hot Swap Controller
From old datasheet system
Linear
 
 Related keyword From Full Text Search System
ADM1014 Mount ADM1014 Rail ADM1014 application ADM1014 应用线路 ADM1014 использование
ADM1014 taping code ADM1014 Download ADM1014 Purpose ADM1014 marking code ADM1014 Flash
 

 

Price & Availability of ADM1014

All Rights Reserved © IC-ON-LINE 2003 - 2022  

[Add Bookmark] [Contact Us] [Link exchange] [Privacy policy]
Mirror Sites :  [www.datasheet.hk]   [www.maxim4u.com]  [www.ic-on-line.cn] [www.ic-on-line.com] [www.ic-on-line.net] [www.alldatasheet.com.cn] [www.gdcy.com]  [www.gdcy.net]


 . . . . .
  We use cookies to deliver the best possible web experience and assist with our advertising efforts. By continuing to use this site, you consent to the use of cookies. For more information on cookies, please take a look at our Privacy Policy. X
0.091614007949829