Part Number Hot Search : 
1N473 EM482 36681 1N4549B SPLAVH CMPZ4114 ON0095 1N6517US
Product Description
Full Text Search

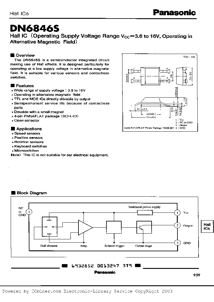
DN6846S - Hall-Effect Switch

DN6846S_1971649.PDF Datasheet


 Full text search : Hall-Effect Switch
 Product Description search : Hall-Effect Switch


 Related Part Number
PART Description Maker
AH1822-FT4G-7 AH1822-FU4G-7 MICROPOWER OMNIPOLAR HALL EFFECT SWITCH
MAGNETIC FIELD SENSOR-HALL EFFECT, 1-5.5mT, 0.30V, RECTANGULAR, SURFACE MOUNT GREEN, DFN3020H4-6
MICROPOWER OMNIPOLAR HALL-EFFECT SENSOR
Diodes, Inc.
Diodes Inc.
Diodes Incorporated
A3161 A3161ELT A3161UA 3161 A3161EUA A3161LT CONNECTOR ACCESSORY 连接器附
Hall Effect switch For 2-Wire Application(2线应用霍尔效应开
HALL-EFFECT SWITCH FOR 2-WIRE APPLICATIONS
Allegro MicroSystems, Inc.
ALLEGRO[Allegro MicroSystems]
A1182 A1182LUA A1180 A1184 A1181 A1182ELH A1182EUA (A1180 - A1184) Unipolar Hall-Effect Switch
Two-Wire Programmable Chopper-Stabilized Unipolar Hall-Effect Switch
Two-Wire, Programmable, Chopper-Stabilized, Unipolar Hall-Effect Switch
Two-Wire, Factory-Programmed, Chopper-Stabilized, Unipolar Hall-Effect Switch
Allegro MicroSystems, Inc.
ALLEGRO[Allegro MicroSystems]
HTW-1A11A77 HTW-2D12A44 2G11B11 SPECIAL SWITCH-HALL EFFECT THUMBWHEEL SWITCH, SPST, MOMENTARY, 0.025A, 5.5VDC, PANEL MOUNT
SPECIAL SWITCH-HALL EFFECT THUMBWHEEL SWITCH, SPST, MOMENTARY, 0.05A, 5.5VDC, THROUGH HOLE-STRAIGHT
OTTO ENGINEERING INC
351HE0A1ZA 351HE1A1ZA 351HE2A1ZA 351HE3A1ZA 351HE0 1/2 mm)
Single Turn Bushing Mount Hall Effect Sensor in Size 09 (22.2 mm)
POSITION, ROTARY SENSOR-HALL EFFECT, 270deg ROHS COMPLIANT PACKAGE
POSITION, ROTARY SENSOR-HALL EFFECT, 360deg
POSITION, ROTARY SENSOR-HALL EFFECT, 90deg
POSITION, ROTARY SENSOR-HALL EFFECT, 180deg
Vishay Siliconix
Vishay Intertechnology, Inc.
VISHAY SPECTROL
AH18010 AH180-PG-A-S AH180-FJG-7 AH180-SNG-7 AH180 MICROPOWER OMNIPOLAR HALL-EFFECT SENSOR SWITCH
MAGNETIC FIELD SENSOR-HALL EFFECT, 1-6mT, 0.30V, SQUARE, SURFACE MOUNT
MAGNETIC FIELD SENSOR-HALL EFFECT, 1-6mT, 0.30V, RECTANGULAR, SURFACE MOUNT GREEN, SC-59, SOT-23, 3 PIN
Diodes, Inc.
Diodes Inc.
Diodes Incorporated
HAL115SF-C HAL114SF-C HAL11X HAL115SF-K HAL114SF-K Hall Effect Sensor Family 霍尔效应传感器系
Hall Effect Sensor Family MAGNETIC FIELD SENSOR-HALL EFFECT, -17-11mT, 0.13-0.28V, RECTANGULAR, SURFACE MOUNT
Micronas Semiconductor Holding AG
ATS137-WLA-B ATS137B-WLA-B ATS137A-WLA-B ATS137 AT ER 3C 3#8 SKT RECP BOX
ER 9C 8#16 1#12 PIN RECP
ER 2C 2#8 PIN RECP
Single Hall Effect Switch 单霍尔效应开
3.5 to 20 V, single hall effect switch
http://
ANACHIP[Anachip Corp]
BU52014HFV Hall effect Switch
ROHM
BU52011HFV Hall effect Switch
Rohm CO.,LTD.
BU52002GUL Hall effect Switch
Rohm CO.,LTD.
BU52004GUL Hall effect Switch
Rohm
 
 Related keyword From Full Text Search System
DN6846S diode DN6846S 替换的 DN6846S text DN6846S Data sheet DN6846S operation
DN6846S reference DN6846S motor DN6846S Flash DN6846S Manufacturer DN6846S ic资料查询
 

 

Price & Availability of DN6846S

All Rights Reserved © IC-ON-LINE 2003 - 2022  

[Add Bookmark] [Contact Us] [Link exchange] [Privacy policy]
Mirror Sites :  [www.datasheet.hk]   [www.maxim4u.com]  [www.ic-on-line.cn] [www.ic-on-line.com] [www.ic-on-line.net] [www.alldatasheet.com.cn] [www.gdcy.com]  [www.gdcy.net]


 . . . . .
  We use cookies to deliver the best possible web experience and assist with our advertising efforts. By continuing to use this site, you consent to the use of cookies. For more information on cookies, please take a look at our Privacy Policy. X
0.044799089431763