Part Number Hot Search : 
MAX66 61042 LV5980MX SNC749 MT6P04AE TA0296A BP522310 RC03XXXX
Product Description
Full Text Search

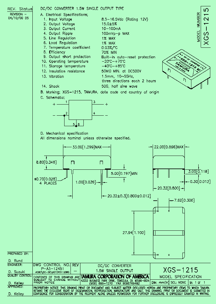
XGS-1215 - Analog IC

XGS-1215_1457024.PDF Datasheet


 Full text search : Analog IC
 Product Description search : Analog IC


 Related Part Number
PART Description Maker
MAX4622CPE MAX4622CSE MAX4622EPE MAX4622ESE MAX462 Dual, 5?Analog Switches
Dual / 5 Analog Switches
Dual.5<img src=http://dbserv.maxim-ic.com/images/ohm.gif width=12 height=9 Analog Switches
Dual, 5 Analog Switches
Dual 5 Analog Switches
Dual, 5з Analog Switches
Maxim Integrated Products, Inc.
Maixm
MAXIM[Maxim Integrated Products]
MAXIM - Dallas Semiconductor
HCF4067B HCF4067BC1 HCF4067BEY HCF4067BF HCF4067BM Analog Multiplexers-Demultiplexers(模拟多路复用多路分解差分输入
IC,ANALOG MUX,SINGLE,16-CHANNEL,CMOS,DIP,24PIN,CERAMIC
From old datasheet system
ANALOG MULTIPLEXER/DEMULTIPLEXER(335.54 k)
SGS Thomson Microelectronics
ST Microelectronics
意法半导
STMICROELECTRONICS[STMicroelectronics]
ADG726 ADG732BSU ADG726BCP ADG726BSU ADG732 ADG732 16-/32- Channel, 3.5 1.8 V to 5.5 V, .5 V, Analog Multiplexers
16-/32- Channel, 3.5 ?1.8 V to 5.5 V, ±2.5 V, Analog Multiplexers
16-/32- Channel, 3.5 з 1.8 V to 5.5 V, 【2.5 V, Analog Multiplexers
16-/32- Channel, 3.5 1.8 V to 5.5 V, 2.5 V, Analog Multiplexers
16-/32- Channel/ 3.5 1.8 V to 5.5 V/ 2.5 V/ Analog Multiplexers
Tantalum Conformal-Coated Capacitor; Capacitance: 220uF; Voltage: 4V; Packaging: Tape & Reel
AD[Analog Devices]
Analog Devices, Inc.
M52055FP M52055P ASSP>Common ICs for Audio/Video>Analog Switches
3 Channel Analog Switch
3-Channel Analog Swi
RENESAS[Renesas Electronics Corporation]
CD4051BCN CD4053BC CD4051BC CD4052BC MTC16 CD4051B    Single 8-Channel Analog Multiplexer/Demultiplexer
Single 8-Channel Analog Multiplexer/Demultiplexer Dual 4-Channel Analog Multiplexer/Demultiplexer ?Triple 2-Channel Analog Multiplexer/Demultiplexer
Single 8-Channel Analog Multiplexer/Demultiplexer Dual 4-Channel Analog Multiplexer/Demultiplexer Triple 2-Channel Analog Multiplexer/Demultiplexer
IC,ANALOG MUX,SINGLE,8-CHANNEL,CMOS,DIP,16PIN,PLASTIC
Single 8-Channel Analog Multiplexer/Demultiplexer •
ANALOG MUX|DUAL|4-CHANNEL|CMOS|SOP|16PIN|PLASTIC
Single 8-Channel Analog Multiplexer/Demultiplexer; Package: TSSOP; No of Pins: 16; Container: Tape & Reel
ANALOG MUX|SINGLE|8-CHANNEL|CMOS|TSSOP|16PIN|PLASTIC
FAIRCHILD[Fairchild Semiconductor]
FAIRCHILD SEMICONDUCTOR CORP
CS5012-KP12 CS5014-SE14 CS5014-KP28 CS5014-KL28 CS Analog-to-Digital Converter12-Bit
Analog-to-Digital Converter??? 12-Bit
Analog-to-Digital Converter14-Bit 模拟到数字转换器4
Analog-to-Digital Converter锛?14-Bit
Advanced Semiconductor, Inc.
HS1-1840ARH HS9-1840ARH Rad-Hard 16 Channel CMOS Analog Multiplexer with High-Z Analog Input Protection
Intersil
ADUUC7027BSTZ62-RL Precision Analog Microcontroller 12-bit Analog I/O, ARM7TDMI MCU
Analog Devices, Inc.
ADUC7020 ADUC7022 ADUC7021 (ADUC7019 - ADUC7027) Precision Analog Microcontroller 12-bit Analog I/O
Analog Devices
ADUC7026BSTZ62I-RL ADUC7020 Precision Analog Microcontroller 12-bit Analog I/O, ARM7TDMI MCU
Analog Devices, Inc.
http://
EVAL-ADUC7020QS EVAL-ADUC7024QS EVAL-ADUC7026QS Precision Analog Microcontroller 12-bit Analog I/O, ARM7TDMI MCU
Analog Devices
ICL8013 ICL8013BCTX ICL8013CCTX FN2863 1MHz, Four Quadrant Analog Multiplier ANALOG MULTIPLIER OR DIVIDER, 1 MHz BAND WIDTH, MBCY10
1MHz Four Quadrant Analog Multiplier
From old datasheet system
Intersil, Corp.
INTERSIL[Intersil Corporation]
 
 Related keyword From Full Text Search System
XGS-1215 filetype:pdf XGS-1215 Byte XGS-1215 applications XGS-1215 Pulse XGS-1215 Volt
XGS-1215 siemens XGS-1215 ram XGS-1215 Switching XGS-1215 Fixed XGS-1215 voltage
 

 

Price & Availability of XGS-1215

All Rights Reserved © IC-ON-LINE 2003 - 2022  

[Add Bookmark] [Contact Us] [Link exchange] [Privacy policy]
Mirror Sites :  [www.datasheet.hk]   [www.maxim4u.com]  [www.ic-on-line.cn] [www.ic-on-line.com] [www.ic-on-line.net] [www.alldatasheet.com.cn] [www.gdcy.com]  [www.gdcy.net]


 . . . . .
  We use cookies to deliver the best possible web experience and assist with our advertising efforts. By continuing to use this site, you consent to the use of cookies. For more information on cookies, please take a look at our Privacy Policy. X
0.04261589050293