Part Number Hot Search : 
B80C1000 LA6393AT 18XXX SP502CF KAQY210H ST90T40 EE08321 2AKEGR2
Product Description
Full Text Search

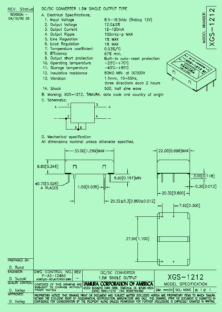
XGS-1212 - Analog IC

XGS-1212_1457023.PDF Datasheet


 Full text search : Analog IC
 Product Description search : Analog IC


 Related Part Number
PART Description Maker
ADM693 ADM692 Analog Switch / Multiplexer (Mux) IC; On-Resistance, Rds(on):85ohm; Analog Switch Function:Analog Switch; Leakage Current:0.5nA; Supply Voltage Max
Analog Switch / Multiplexer (Mux) IC; Analog Switch Function:Analog Switch; Package/Case:16-DIP; Leaded Process Compatible:No; Leakage Current:0.5nA
Analog Devices, Inc.
MAX4605 MAX4606 MAX4605CSE MAX4605CPE MAX4605ESE M 5<img src=http://dbserv.maxim-ic.com/images/ohm.gif width=12 height=9.Quad.SPST.CMOS Analog Switches 5Ω、四路、SPST、CMOS模拟开
5з, Quad, SPST, CMOS Analog Switches
5ohm, Quad, SPST, CMOS Analog Switches
5?, Quad, SPST, CMOS Analog Switches
5, Quad, SPST, CMOS Analog Switches
5 / Quad / SPST / CMOS Analog Switches
Maxim Integrated Products, Inc.
MAXIM[Maxim Integrated Products]
Maixm
MAXIM - Dallas Semiconductor
MC74VHC4316 Quad Analog Switch/Multiplexer/Demultiplexer with Separate Analog and Digital Power Supplies
ON Semiconductor
MCP3901 MCP390111 MCP3901A1-I/ML Two-Channel Analog Front End Portable Instrumentation
SPECIALTY ANALOG CIRCUIT, PQCC20
Microchip Technology
ADUUC7027BSTZ62-RL Precision Analog Microcontroller 12-bit Analog I/O, ARM7TDMI MCU
Analog Devices, Inc.
ADUC7020 ADUC7022 ADUC7021 (ADUC7019 - ADUC7027) Precision Analog Microcontroller 12-bit Analog I/O
Analog Devices
EVAL-ADUC7020QS EVAL-ADUC7024QS EVAL-ADUC7026QS Precision Analog Microcontroller 12-bit Analog I/O, ARM7TDMI MCU
Analog Devices
DAC8 Analog Standard Cell 8-Bit Digital to Analog Converter
ams AG
austriamicrosystems AG
AMSCO
AD7868 AD7868BR AD7868BQ Complete 12-bit I/O System Containing a DAC And an ADC(完备2位I\O系统(包含一个A/D转换器和一个D/A转换器))
LC2MOS Complete, 12-Bit Analog I/O System SPECIALTY ANALOG CIRCUIT, PDSO28
LC2MOS Complete, 12-Bit Analog I/O System SPECIALTY ANALOG CIRCUIT, CDIP24
Analog Devices, Inc.
EVAL-ADUC7124QSPZ ADUC7124BCPZ126-RL Precision Analog Microcontroller, 12-Bit Analog I/O, Large Memory, ARM7TDMI MCU with Enhanced IRQ Handler
Analog Devices
NLAS4053DTR2 NLAS4053D NLAS4053DR2 NLAS4053DT NLAS Triple 2:1 Analog Switch - Multiplexer
Analog Multiplexer/ Demultiplexer Triple 2:1 Analog Switch-Multiplexer Improved Process, Sub-Micron Silicon Gate CMOS
ON Semiconductor
 
 Related keyword From Full Text Search System
XGS-1212 Analog XGS-1212 Differential XGS-1212 bridge XGS-1212 microsemi XGS-1212 filetype:pdf
XGS-1212 Purpose XGS-1212 Shunt XGS-1212 level converter XGS-1212 Amplifiers XGS-1212 Silicon
 

 

Price & Availability of XGS-1212

All Rights Reserved © IC-ON-LINE 2003 - 2022  

[Add Bookmark] [Contact Us] [Link exchange] [Privacy policy]
Mirror Sites :  [www.datasheet.hk]   [www.maxim4u.com]  [www.ic-on-line.cn] [www.ic-on-line.com] [www.ic-on-line.net] [www.alldatasheet.com.cn] [www.gdcy.com]  [www.gdcy.net]


 . . . . .
  We use cookies to deliver the best possible web experience and assist with our advertising efforts. By continuing to use this site, you consent to the use of cookies. For more information on cookies, please take a look at our Privacy Policy. X
0.49685096740723