Part Number Hot Search : 
GTL2022 2A543ML MDC120A VT1634 SM5S20 MBR850D XXXZM GE7918A
Product Description
Full Text Search

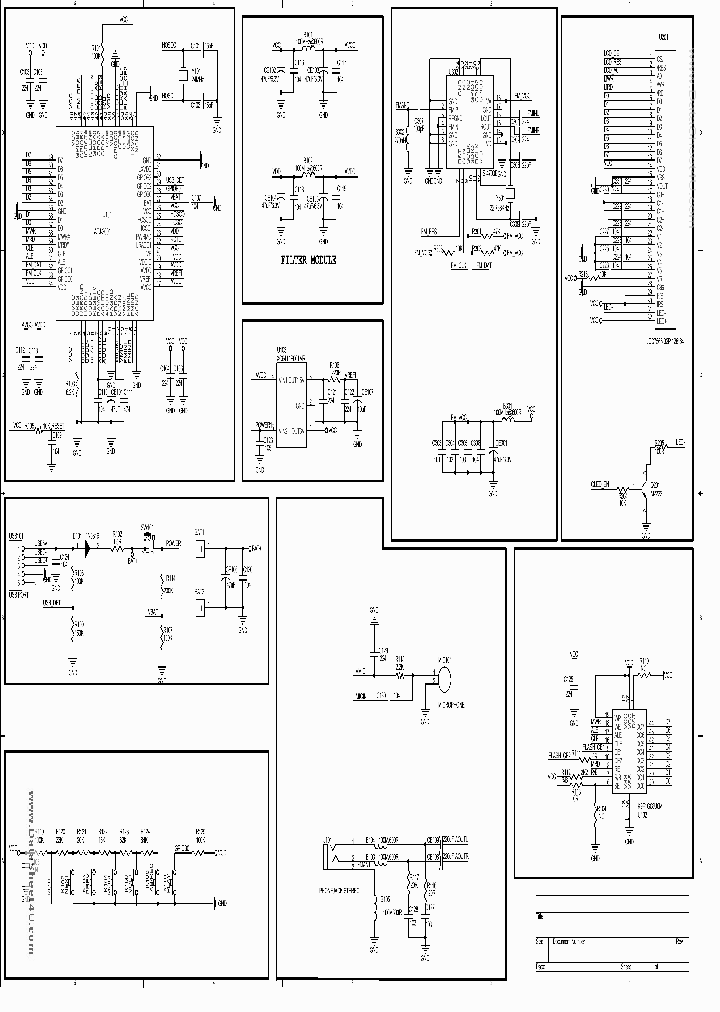
ATJ-2091 - Schematic

ATJ-2091_1709143.PDF Datasheet


 Full text search : Schematic
 Product Description search : Schematic


 Related Part Number
PART Description Maker
CX6840 CX6837 CX-6837 CX-6840 SCHEMATIC DIAGRAM 原理
Samsung Semiconductor Co., Ltd.
SAMSUNG SEMICONDUCTOR CO. LTD.
SAMSUNG[Samsung semiconductor]
FX205P FUNCTIONAL SCHEMATIC
CML Microcircuits
T-759 SCHEMATIC DIAGRAM
Rhombus Industries Inc.
STK-403-070 AMP Schematic Diagram
ETC
CS1207SMF250 CS1207 CS1207F160 CS1207F250 CS1207MF DIMENSIONS SCHEMATIC & PC LAYOUT
CIT[CIT Relay & Switch]
CR1102H7.0 CR1102H7.5 CR1102H CR1102H11.0 CR1102H1 SCHEMATIC, PC LAYOUT, & DIMENSIONS
CIT Relay & Switch
UATL30MC SIMPLIFIED CIRCUIT SCHEMATIC
From old datasheet system
List of Unclassifed Manufacturers
ETC[ETC]
102-0756 SCHEMATIC, PE42421 SC70 SPDT SWITCH EK
Peregrine Semiconductor Corp.
SI4700 SI4784 SI4785 Si47XX ANTENNA, SCHEMATIC, LAYOUT, AND DESIGN GUIDELINES
Silicon Laboratories
HMA121A HMA121B HMA121C FULL PITCH MINI-FLAT PACKAGE 4-PIN OPTOCOUPLERS SCHEMATIC
Fairchild Semiconductor
SI4835-B31 SI4831-B30 SI4824-A10 SI4820-A10 Si483X-B/Si4820/24 ANTENNA, SCHEMATIC, LAYOUT, AND DESIGN GUIDELINES
   Si483X-B/Si4820/24 ANTENNA, SCHEMATIC, LAYOUT, AND DESIGN GUIDELINES
Silicon Laboratories
 
 Related keyword From Full Text Search System
ATJ-2091 crystal ATJ-2091 microsemi ATJ-2091 Silicon ATJ-2091 enhancement ATJ-2091 Search
ATJ-2091 m85049 ATJ-2091 international ATJ-2091 Instrument ATJ-2091 fet ATJ-2091 varactor
 

 

Price & Availability of ATJ-2091

All Rights Reserved © IC-ON-LINE 2003 - 2022  

[Add Bookmark] [Contact Us] [Link exchange] [Privacy policy]
Mirror Sites :  [www.datasheet.hk]   [www.maxim4u.com]  [www.ic-on-line.cn] [www.ic-on-line.com] [www.ic-on-line.net] [www.alldatasheet.com.cn] [www.gdcy.com]  [www.gdcy.net]


 . . . . .
  We use cookies to deliver the best possible web experience and assist with our advertising efforts. By continuing to use this site, you consent to the use of cookies. For more information on cookies, please take a look at our Privacy Policy. X
0.40621209144592