Part Number Hot Search : 
EN25F8 LT100 M36DR232 ZTX1056A AP160902 TFS140M AN77L06 LTC2410I
Product Description
Full Text Search

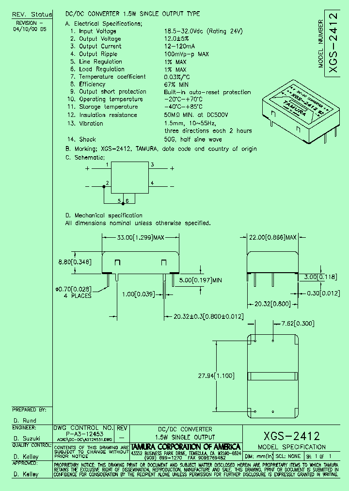
XGS-2412 - Analog IC

XGS-2412_1049208.PDF Datasheet


 Full text search : Analog IC
 Product Description search : Analog IC


 Related Part Number
PART Description Maker
MAX4580 MAX4580CAE MAX4580CPE MAX4580CWE MAX4580EA 1.25<img src=http://dbserv.maxim-ic.com/images/ohm.gif width=12 height=9.Dual SPST.CMOS Analog Switches 1.25Ω、双路SPST、CMOS模拟开
1.25з, Dual SPST, CMOS Analog Switches DUAL 1-CHANNEL, SGL POLE SGL THROW SWITCH, PDSO16
1.25 / Dual SPST / CMOS Analog Switches
1.25, Dual SPST, CMOS Analog Switches
1.25, Dual SPST,CMOS Analog Switches
1.25 Dual SPST CMOS Analog Switches
1.25? Dual SPST, CMOS Analog Switches
MAXIM - Dallas Semiconductor
Maxim Integrated Products, Inc.
Maixm
MAXIM[Maxim Integrated Products]
ADG732 ADG726BSUZ ADG732BSU-REEL ADG732BCP ADG732B 16-/32-Channel, 4  1.8 V to 5.5 V, 2.5 V Analog Multiplexers
32-Channel, Serially Controlled 3.5 Ohm 1.8 V to 5.5 V, ±2.5 V, Analog Multiplexer; Package: TQFP (7x7mm); No of Pins: 48; Temperature Range: Industrial 32-CHANNEL, SGL ENDED MULTIPLEXER, PQFP48
16-/32- Channel, 3.5 O 1.8 V to 5.5 V, ±2.5 V, Analog Multiplexer 16-CHANNEL, DIFFERENTIAL MULTIPLEXER, PQFP48
32-Channel, Serially Controlled 3.5 Ohm 1.8 V to 5.5 V, .5 V, Analog Multiplexer
16-/32- Channel, 3.5 ohms 1.8 V to 5.5 V, .5 V, Analog Multiplexer
Analog Devices, Inc.
MC74HC4051 MC74HC4051D MC74HC4051DT MC74HC4051DW M ANALOG MULTIPLEXERS DEMULTIPLEXERS
From old datasheet system
Analog Multiplexers/ Demultiplexers High-Performance Silicon-Gate CMOS
(MC54HC4051 / MC54HC4053) Analog Multiplexers/Demultiplexers
Motorola, Inc
ON Semiconductor
MC74VHC4316 Quad Analog Switch/Multiplexer/Demultiplexer with Separate Analog and Digital Power Supplies
ON Semiconductor
5962F9563002VXC HS1-1840BRH/PROTO HS9-1840BRH/PROT Rad-Hard 16 Channel CMOS Analog Multiplexer with High-Z Analog Input Protection
Intersil Corporation
http://
EVAL-ADUC7023QSPZ2 EVAL-ADUC7023QSPZ1 ADUC7023BCBZ Precision Analog Microcontroller, 12-Bit Analog I/O, ARM7TDMI MCU with Enhanced IRQ Handler
Analog Devices
MCP3901 MCP390111 MCP3901A1-I/ML Two-Channel Analog Front End Portable Instrumentation
SPECIALTY ANALOG CIRCUIT, PQCC20
Microchip Technology
MC74HC4316A11 Quad Analog Switch/Multiplexer/Demultiplexer with Separate Analog and Digital Power Supplies
ON Semiconductor
ADUUC7027BSTZ62-RL ADUC7019 ADUC7020 ADUC7021 ADUC Precision Analog Microcontroller 12-bit Analog I/O, ARM7TDMI MCU
AD[Analog Devices]
MCP6S21 MCP6S22-I/SN MCP6S21T-I/MS MCP6S28-I/P MCP Single-Ended, Rail-to-Rail I/O, Low Gain PGA 单端,轨至轨I / O,低增益美国PGA
SPECIALTY ANALOG CIRCUIT, PDSO8
SPECIALTY ANALOG CIRCUIT, PDIP16
SPECIALTY ANALOG CIRCUIT, PDSO14
Microchip Technology, Inc.
 
 Related keyword From Full Text Search System
XGS-2412 Terminal XGS-2412 资料 XGS-2412 Driver XGS-2412 Clock XGS-2412 器件参数
XGS-2412 Differential XGS-2412 technology XGS-2412 Bipolar XGS-2412 Converter XGS-2412 flash
 

 

Price & Availability of XGS-2412

All Rights Reserved © IC-ON-LINE 2003 - 2022  

[Add Bookmark] [Contact Us] [Link exchange] [Privacy policy]
Mirror Sites :  [www.datasheet.hk]   [www.maxim4u.com]  [www.ic-on-line.cn] [www.ic-on-line.com] [www.ic-on-line.net] [www.alldatasheet.com.cn] [www.gdcy.com]  [www.gdcy.net]


 . . . . .
  We use cookies to deliver the best possible web experience and assist with our advertising efforts. By continuing to use this site, you consent to the use of cookies. For more information on cookies, please take a look at our Privacy Policy. X
0.05712103843689