Part Number Hot Search : 
CMOZ6L8 GSBC856 087369 4651W UES1304 ABR2500W MY356C 4VHC1G
Product Description
Full Text Search

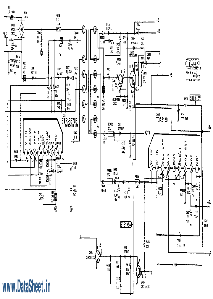
STRS5706 - STRS5706 Circuit

STRS5706_1553168.PDF Datasheet

 
Part No. STRS5706
Description STRS5706 Circuit

File Size 78.08K  /  1 Page  

Maker


ETC



JITONG TECHNOLOGY
(CHINA HK & SZ)
Datasheet.hk's Sponsor

Part: STRS5703
Maker: SK
Pack: DIP-9
Stock: 60
Unit price for :
    50: $2.66
  100: $2.53
1000: $2.39

Email: oulindz@gmail.com

Contact us

Homepage
Download [ ]
[ STRS5706 Datasheet PDF Downlaod from Datasheet.HK ]
[STRS5706 Datasheet PDF Downlaod from Maxim4U.com ] :-)


[ View it Online ]   [ Search more for STRS5706 ]

[ Price & Availability of STRS5706 by FindChips.com ]

 Full text search : STRS5706 Circuit
 Product Description search : STRS5706 Circuit


 Related Part Number
PART Description Maker
ASM161SEUS ASM161_162_V1.0 ASM162TEUS_T ASM161 ASM 3.08 V, mP supervisor circuit
4.00 V, mP supervisor circuit
2.93 V, mP supervisor circuit
uP Supervisory Circuit 1-CHANNEL POWER SUPPLY SUPPORT CKT, PDSO4
From old datasheet system
CPU Supervisors with POR, Edge Triggered MR
4.63 V, mP supervisor circuit
4.38 V, mP supervisor circuit
Alliance Semiconductor ...
Alliance Semiconductor, Corp.
ALSC[Alliance Semiconductor Corporation]
RN1511 RN1510 Transistor Silicon NPN Epitaxial Type (PCT Process) Switching, Inverter Circuit, Interface Circuit And Driver Circuit Applications
Switching/ Inverter Circuit/ Interface Circuit And Driver Circuit Applications
TOSHIBA[Toshiba Semiconductor]
BCR116 Q62702-C2337 From old datasheet system
NPN Silicon Digital Transistor (Switching circuit, inverter, interface circuit, driver circuit)
SIEMENS[Siemens Semiconductor Group]
BCR146 Q62702-C2260 NPN Silicon Digital Transistor (Switching circuit, inverter, interface circuit, driver circuit)
From old datasheet system
Siemens Semiconductor Group
BCR108W Q62702-C2275 From old datasheet system
NPN Silicon Digital Transistor (Switching circuit, inverter, interface circuit, driver circuit)
SIEMENS AG
Infineon
SIEMENS[Siemens Semiconductor Group]
BCR183W Q62702-C2276 PNP Silicon Digital Transistor (Switching circuit, inverter, interface circuit, driver circuit)
From old datasheet system
SIEMENS AG
SIEMENS[Siemens Semiconductor Group]
RN1011 E002600 SWITCHING, INVERTER CIRCUIT, INTERFACE CIRCUIT AND DRIVER CIRCUIT APPLICATIONS
From old datasheet system
Toshiba
RN2708 E002672 SWITCHING, INVERTER CIRCUIT, INTERFACE CIRCUIT AND DRIVER CIRCUIT APPLICATIONS
From old datasheet system
Toshiba
RN2107 RN2108 E002646 SWITCHING, INVERTER CIRCUIT, INTERFACE CIRCUIT AND DRIVER CIRCUIT APPLICATIONS
From old datasheet system
Toshiba
RN1009 RN1007 E002599 SWITCHING, INVERTER CIRCUIT, INTERFACE CIRCUIT AND DRIVER CIRCUIT APPLICATIONS
From old datasheet system
Toshiba
RN1710 E002633 SWITCHING, INVERTER CIRCUIT, INTERFACE CIRCUIT AND DRIVER CIRCUIT APPLICATIONS
From old datasheet system
Toshiba
 
 Related keyword From Full Text Search System
STRS5706 address STRS5706 Processors STRS5706 maxim STRS5706 timer STRS5706 filetype:pdf
STRS5706 size STRS5706 reset STRS5706 Range STRS5706 ethernet transceiver STRS5706 pnp
 

 

Price & Availability of STRS5706

All Rights Reserved © IC-ON-LINE 2003 - 2022  

[Add Bookmark] [Contact Us] [Link exchange] [Privacy policy]
Mirror Sites :  [www.datasheet.hk]   [www.maxim4u.com]  [www.ic-on-line.cn] [www.ic-on-line.com] [www.ic-on-line.net] [www.alldatasheet.com.cn] [www.gdcy.com]  [www.gdcy.net]


 . . . . .
  We use cookies to deliver the best possible web experience and assist with our advertising efforts. By continuing to use this site, you consent to the use of cookies. For more information on cookies, please take a look at our Privacy Policy. X
0.44016814231873