Part Number Hot Search : 
WP3A8ID SUF621EF MAX4550 ECM56T Z2SMB100 TLE7269G C143Z 2SB14
Product Description
Full Text Search

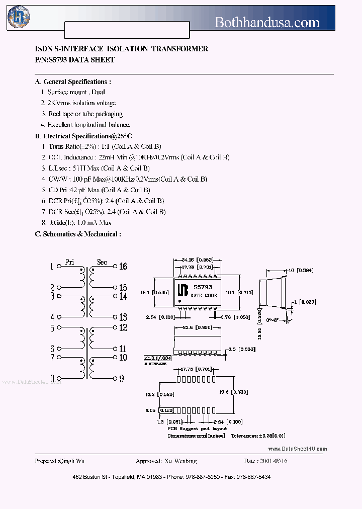
S5793 - ISDN S-INTERFACE ISOLATION TRANSFORMER

S5793_1543685.PDF Datasheet


 Full text search : ISDN S-INTERFACE ISOLATION TRANSFORMER
 Product Description search : ISDN S-INTERFACE ISOLATION TRANSFORMER


 Related Part Number
PART Description Maker
S5798B ISDN S-INTERFACE ISOLATION TRANSFORMER
Bothhandusa
PM-IS01 PM-IS02 PM-IS03 PM-IS04 PM-IS05 PM-IS06 PM ISDN S INTERFACE ISOLATION TRANSFORMERS
Premier Magnetics, Inc.
PT23101 PT23102 PT23104 PT23105 PT231 PT23103 ISDN S-Interface Isolation Transformers
BOURNS[Bourns Electronic Solutions]
S5793 ISDN S-INTERFACE ISOLATION TRANSFORMER
Bothhandusa
0559-6204-08 U Interface Xfmr
ISDN MAGNETICS U Interface Through Hole Transformers
Bel Fuse Inc.
APC14112E S-Interface 16 Pin DIP (BSEN60950) 第S -接口16引脚DIP(BSEN60950
ISDN S Interface Hybrid
Bel Fuse, Inc.
Bel Fuse Inc.
2SD2098 NPN Silicon Epitaxial Planar Tra nsistor
SeCoS Halbleitertechnologie GmbH
T-13453 ISDN S Interface Transformer
Rhombus Industries Inc.
T-13450 ISDN S Interface Transformer
Rhombus Industries Inc.
 
 Related keyword From Full Text Search System
S5793 资料网站 S5793 Reset S5793 mount S5793 outputs S5793 Ic-on-line
S5793 技术参数 S5793 products S5793 mode S5793 参数 封装 S5793 wire
 

 

Price & Availability of S5793

All Rights Reserved © IC-ON-LINE 2003 - 2022  

[Add Bookmark] [Contact Us] [Link exchange] [Privacy policy]
Mirror Sites :  [www.datasheet.hk]   [www.maxim4u.com]  [www.ic-on-line.cn] [www.ic-on-line.com] [www.ic-on-line.net] [www.alldatasheet.com.cn] [www.gdcy.com]  [www.gdcy.net]


 . . . . .
  We use cookies to deliver the best possible web experience and assist with our advertising efforts. By continuing to use this site, you consent to the use of cookies. For more information on cookies, please take a look at our Privacy Policy. X
0.03076696395874