Part Number Hot Search : 
15KPA1 CBCA104 B32933 MRB32 PE77D M200D EPJ9369 ST72254G
Product Description
Full Text Search

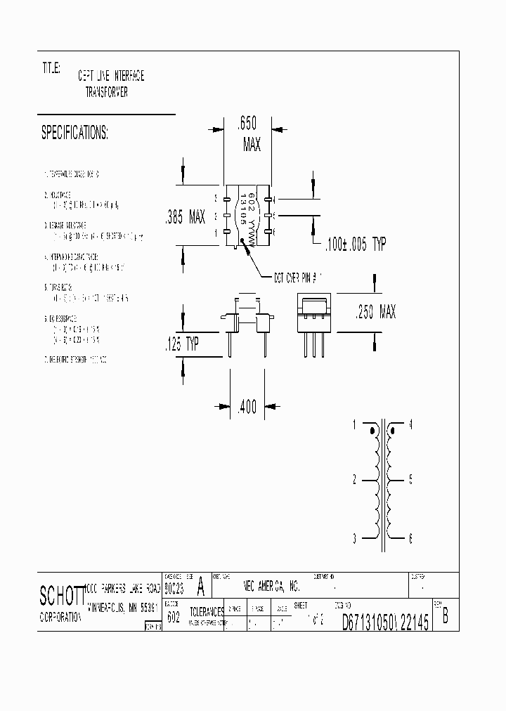
D67131050 - CEPT LINE INTERFACE TRANSFORMER

D67131050_1205366.PDF Datasheet


 Full text search : CEPT LINE INTERFACE TRANSFORMER
 Product Description search : CEPT LINE INTERFACE TRANSFORMER


 Related Part Number
PART Description Maker
T7290-EL T7290 T7290-PL T-7290 T-7290-EL T-7290-PL T7290 DS1/T1/CEPT Line Interface
ETC[ETC]
N.A.
T7290A-EL T-7290A-EL T7290A-PL T-7290A-PL T7290A DS1/T1/CEPT Line Interface
Electronic Theatre Controls, Inc.
S553-6500-36 S553-6500-39 S553-3855-021 BELFUSEINC HIGH FREQUENCY MAGNETICS T1/CEPT Dual Line Interface Transformers
Bel Fuse Inc.
8005 8007 8012 8001 8002 8003 8004 8006 8008 8010 T1/CEPT Extended Temperature Range SMD Dual Line Interface Module
Filtran Ltd.
FILTRAN[Filtran LTD]
S553-0013-04 S553-0013-05    SURFACE MOUNT T1 CARRIER INTERFACE TRANSFORMERS T1/CEPT Telecom Line Interface Applications
Bel Fuse Inc.
CS61577-IP1 CS61577-IL1 CDB615305A CDB61534 CDB615 T1/E1 LINE INTERFACE T1/E1线路接口
T1/E1 LINE INTERFACE 的T1/E1线路接口
T1/E1 LINE INTERFACE DATACOM, PCM TRANSCEIVER, PDIP28
   T1/E1 LINE INTERFACE
http://
List of Unclassifed Manufacturers
Cirrus Logic, Inc.
Electronic Theatre Controls, Inc.
T-13612 T1/CEPT/ISDN PRI INTERFACE TRANSFORMER
Rhombus Industries Inc.
T-13635 T1/CEPT/ISDN PRI INTERFACE TRANSFORMER
Rhombus Industries Inc.
T-14419 T1/CEPT/ISDN PRI INTERFACE TRANSFORMER
Rhombus Industries Inc.
 
 Related keyword From Full Text Search System
D67131050 amplifier D67131050 schottky D67131050 ICPRICE D67131050 pci endian mode D67131050 specs
D67131050 infineon D67131050 complimentary D67131050 Transistors D67131050 advantech pdf D67131050 address
 

 

Price & Availability of D67131050

All Rights Reserved © IC-ON-LINE 2003 - 2022  

[Add Bookmark] [Contact Us] [Link exchange] [Privacy policy]
Mirror Sites :  [www.datasheet.hk]   [www.maxim4u.com]  [www.ic-on-line.cn] [www.ic-on-line.com] [www.ic-on-line.net] [www.alldatasheet.com.cn] [www.gdcy.com]  [www.gdcy.net]


 . . . . .
  We use cookies to deliver the best possible web experience and assist with our advertising efforts. By continuing to use this site, you consent to the use of cookies. For more information on cookies, please take a look at our Privacy Policy. X
0.20465302467346