Part Number Hot Search : 
SEC4501C M050A M5010033 W1T1G OC30E5A HC5R0 G4P109 APA3010
Product Description
Full Text Search

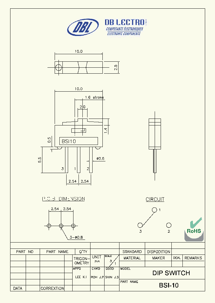
BSI-10 - DIP SWITCH

BSI-10_685259.PDF Datasheet


 Full text search : DIP SWITCH
 Product Description search : DIP SWITCH


 Related Part Number
PART Description Maker
TP30-180RL TP30-130RL TP30-100RL TP30-120RL TP30-1 DIP Switch; No. of Switch Positions:9; Circuitry:SPST; Contact Current Max:100mA; Switch Terminals:SMT Gull Wing; Pitch Spacing:2.54mm; Series:BPA; Actuator Style:Side RoHS Compliant: Yes
DIP / Rotary DIP 的TRISIL
ST Microelectronics
STMicroelectronics
210 AUTO-DIP Switch Automatically Insertable, Wave Solderable, Board Washable DIP Switch
AUTO-DIP? Switch Automatically Insertable, Wave Solderable, Board Washable DIP Switch
CTS Electronic Components, Inc.
CTS Corporation
FSBH0F70A10 FSBH0170A FSBH0170NY FSBH0370NY FAIRCH 2A/700V 100kHz Power Switch
1A/700V 100kHz Power Switch; Package: 8-DIP; Container: Rail
3A/700V 100kHz Power Switch; Package: 8-DIP; Container: Rail 1.3 A SWITCHING CONTROLLER, 106 kHz SWITCHING FREQ-MAX, PDIP8
Green Mode Fairchild Power Switch
FAIRCHILD SEMICONDUCTOR CORP
Fairchild Semiconductor, Corp.
78J01ST 78J02ST DPDT DIP Switches SLIDE DIP SWITCH-1SWITCHES, SPDT, LATCHED,0.15A, 30VDC, THROUGH HOLE-STRAIGHT
DPDT DIP Switches SLIDE DIP SWITCH-2SWITCHES, SPDT, LATCHED,0.15A, 30VDC, THROUGH HOLE-STRAIGHT
Grayhill, Inc.
DG300BDJ DG303BDJ-E3 IC DUAL 1-CHANNEL, SGL POLE SGL THROW SWITCH, PDIP14, PLASTIC, DIP-14, Multiplexer or Switch
IC DUAL 1-CHANNEL, SGL POLE DOUBLE THROW SWITCH, PDIP14, ROHS COMPLIANT, PLASTIC, DIP-14, Multiplexer or Switch
Vishay Siliconix
5-5435640-8 DIP, Rotary DIP, SIP Switches and DIP Shunts - Standard; DIP SW 8 POS ( Alcoswitch )
Tyco Electronics
A6D-2100 A6DR-6100 A6DR-4100 A6D-0103 DIP Switch
Omron Electronics LLC
BSI-10H DIP SWITCH
DB Lectro Inc
BSI-10 DIP SWITCH
DB Lectro Inc.
 
 Related keyword From Full Text Search System
BSI-10 preis BSI-10 参数 封装 BSI-10 的参数 BSI-10 fairchild BSI-10 volts
BSI-10 level BSI-10 Level BSI-10 receptacle BSI-10 Derating Rule BSI-10 Pass
 

 

Price & Availability of BSI-10

All Rights Reserved © IC-ON-LINE 2003 - 2022  

[Add Bookmark] [Contact Us] [Link exchange] [Privacy policy]
Mirror Sites :  [www.datasheet.hk]   [www.maxim4u.com]  [www.ic-on-line.cn] [www.ic-on-line.com] [www.ic-on-line.net] [www.alldatasheet.com.cn] [www.gdcy.com]  [www.gdcy.net]


 . . . . .
  We use cookies to deliver the best possible web experience and assist with our advertising efforts. By continuing to use this site, you consent to the use of cookies. For more information on cookies, please take a look at our Privacy Policy. X
0.33818101882935