Part Number Hot Search : 
SF1006G IR3595 33770 IN4101 440000 M35048 H16245 AT120
Product Description
Full Text Search

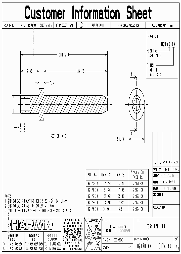
H2170-XX - TERMINAL PIN

H2170-XX_276812.PDF Datasheet


 Full text search : TERMINAL PIN
 Product Description search : TERMINAL PIN


 Related Part Number
PART Description Maker
H2103-01 H2102-01 H2101-01 0.95mm Terminal Pin, Double-ended, for 3.2mm panel thickness BRASS, TIN OVER NICKEL FINISH, PCB TERMINAL
Harwin Plc
39390-0102 39390-0103 39380-0102 39380-0103 EUROSTYLE 9 52 FIXED PIN 3 CIR 30 A, BARRIER STRIP TERMINAL BLOCK, 1 ROW, 1 DECK
6.35 and 9.52mm (.250 and .375? Pitch Beau? Eurostyle? Terminal Blocks
6.35 and 9.52mm (.250 and .375隆卤) Pitch Beau垄莽 Eurostyle垄莽 Terminal Blocks
Molex, Inc.
Molex Electronics Ltd.
50896-7112 0508967112 Wire Pin Terminal, Type A, for 22-16 AWG Wire, Pin Size 1.70mm (.067) Round
Molex Electronics Ltd.
02-09-8107 02-09-8103 02-09-8108 02-09-8109 02-09- CRIMP TERMINAL, MALE, GROUND PIN, .093 DIA., FOR VARIOUS WIRE SIZES
093 Male GrdPin Term Chain 18-22 BRASS, TIN FINISH, WIRE TERMINAL
Crimp Pin Contact; Wire Size (AWG):22-18; Contact Material:Brass RoHS Compliant: Yes BRASS, TIN FINISH, WIRE TERMINAL
093 Male GrdPin Term Chain 14-18 BRASS, TIN FINISH, WIRE TERMINAL
Molex Electronics Ltd.
Molex, Inc.
25.352.4353.0 25.350.4153.0 99.213.9996.2 25.352.3 Terminal Block; Mounting Type:PC Board; Terminal Block Clamp Type:Screw Clamp 12 A, STRIP TERMINAL BLOCK, 1 ROW, 1 DECK
Terminal Strip; No. of Positions:5; Pitch Spacing:0.2"; Mounting Type:PC Board; Leaded Process Compatible:No; Peak Reflow Compatible (260 C):No; Terminal Block Clamp Type:Screw Clamp RoHS Compliant: Yes
PCB PIN STRIP 8213 S / 12 W OB GR OF RoHS Compliant: Yes
Wieland Electric, Inc.
WIELAND ELECTRIC INC
19193-0198 19193-0186 19193-0205 19193-0170 19193- 191930198 COPPER ALLOY, RING TERMINAL
RING VERSAKRIMP (D-352-58) COPPER ALLOY, RING TERMINAL
RING VERSAKRIMP TAPED (D-356-14T) COPPER ALLOY, RING TERMINAL
D-351-38T RING VERSAKRIMP TAPE DBL SPACE COPPER ALLOY, RING TERMINAL
RING VERSAKRIMP (E-358-76) COPPER ALLOY, RING TERMINAL
Ring Tongue Solderless Terminal; Wire Size (AWG):8; Stud Size:3/8; Insulator Color:Red; Series:RING VERSAKRIMP (D-352-38) COPPER ALLOY, RING TERMINAL
RING VERSAKRIMP (F-370-34) COPPER ALLOY, RING TERMINAL
191930151 COPPER ALLOY, RING TERMINAL
RING VERSAKRIMP (E-360-56) COPPER ALLOY, RING TERMINAL
RING VERSAKRIMP (D-352-76) COPPER ALLOY, RING TERMINAL
191930254 COPPER ALLOY, RING TERMINAL
Insulkrimp RingTongue Terminal, #10 Stud, 8AWG COPPER ALLOY, RING TERMINAL
191930218 COPPER ALLOY, RING TERMINAL
Molex, Inc.
H2157-00 H2157-01 TERMINAL PIN
Harwin Plc
39-00-0220 39-00-0222 39-00-0054 Crimp Pin Contact; Wire Size (AWG):24-18; Body Material:Phosphor Bronze; Series:5558; Operating Temp. Min:-40 C; Pitch Spacing:4.2mm; Voltage Rating:600V PHOSPHOR BRONZE, GOLD (30) OVER NICKEL FINISH, WIRE TERMINAL
Multipole Connector; Body Material:PA Polyamide (Nylon) 6/2; Connecting Termination:Crimp; Operating Voltage:250V; Pitch Spacing:0.062" RoHS Compliant: Yes PHOSPHOR BRONZE, GOLD (30) OVER NICKEL FINISH, WIRE TERMINAL
Connector Contact,PIN,CRIMP Terminal
Molex, Inc.
MOLEX INC
121-14208 121-14208-1 POWER TERMINAL C-PRESS 6 PIN
Winchester Electronics Corporation
H3151-00 COLD FORM TERMINAL PIN
Harwin Plc
121-14207-1 121-14207-2 121-14207-3 POWER TERMINAL C-PRESS 6 PIN
Winchester Electronics Corporation
571-4137 Insulated solder terminal, Pin type
http://
 
 Related keyword From Full Text Search System
H2170-XX outputs H2170-XX Amp H2170-XX ic资料网 H2170-XX Gain H2170-XX molex
H2170-XX Corp H2170-XX Output H2170-XX availability H2170-XX silicon H2170-XX filetype:pdf
 

 

Price & Availability of H2170-XX

All Rights Reserved © IC-ON-LINE 2003 - 2022  

[Add Bookmark] [Contact Us] [Link exchange] [Privacy policy]
Mirror Sites :  [www.datasheet.hk]   [www.maxim4u.com]  [www.ic-on-line.cn] [www.ic-on-line.com] [www.ic-on-line.net] [www.alldatasheet.com.cn] [www.gdcy.com]  [www.gdcy.net]


 . . . . .
  We use cookies to deliver the best possible web experience and assist with our advertising efforts. By continuing to use this site, you consent to the use of cookies. For more information on cookies, please take a look at our Privacy Policy. X
0.24935722351074