Part Number Hot Search : 
STP9434 11202 E3532S TDA2003H 8Y22E D3MFU4 243601 9X25TRPF
Product Description
Full Text Search

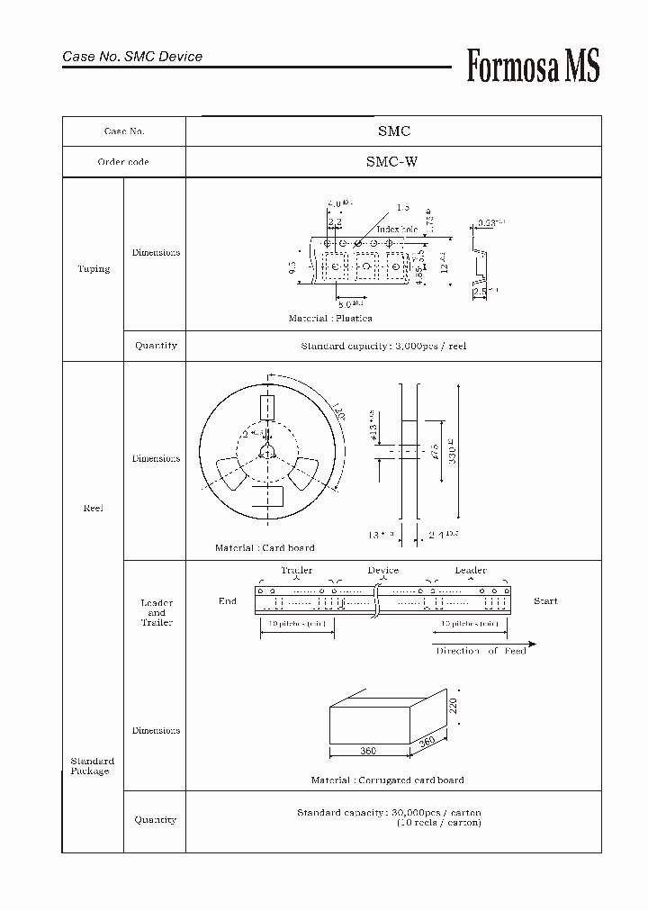
SMC - Case No. SMC Device

SMC_359866.PDF Datasheet

 
Part No. SMC
Description Case No. SMC Device

File Size 51.65K  /  1 Page  

Maker

美丽微半导体有限公司



JITONG TECHNOLOGY
(CHINA HK & SZ)
Datasheet.hk's Sponsor

Part: SMC34C60
Maker:
Pack:
Stock:
Unit price for :
    50: $25.48
  100: $24.20
1000: $22.93

Email: oulindz@gmail.com

Contact us

Homepage
Download [ ]
[ SMC Datasheet PDF Downlaod from Datasheet.HK ]
[SMC Datasheet PDF Downlaod from Maxim4U.com ] :-)


[ View it Online ]   [ Search more for SMC ]

[ Price & Availability of SMC by FindChips.com ]

 Full text search : Case No. SMC Device
 Product Description search : Case No. SMC Device


 Related Part Number
PART Description Maker
HC5513BIP HC5513BIM TVS 1500W 43V UNIDIRECT SMC
Bipolar Transistor; Package/Case:TO-220; Current Rating:7A; Voltage Rating:80V RoHS Compliant: Yes
TVS UNI-DIR 40V 1500W SMC
Intersil Corporation
MINI-SMA 案号微型形状记忆合金装置
Case No. MINI-SMA Device
Case No. MINI-SMA Device
美丽微半导体有限公司
Formosa MS
2N5087 ON0053 2N5087/D CASE 29.04/ STYLE 1 TO-92 (TO-226AA)
5-Pin µP Supervisory Circuits with Watchdog and Manual Reset
Motorola Preferred Device
From old datasheet system
CASE 29.04, STYLE 1 TO-92 (TO-226AA)
Motorola Inc
Motorola, Inc.
ON Semi
SK310A SK32A SK35A SK35A-TP SK32A-TP SK34A-TP SK38 Can Be Up To 50% Smaller Than The SMC To Save Precious Board Space
Same Electrical Characteristics As The SMC Version
Micro Commercial Components
Microsemi Corporation
0805-T 0805 Case No. 0805 Device
FORMOSA[Formosa MS]
0805-T Case No. 0805 Device
美丽微半导体有限公司
缇?附寰??瀵间???????
30BF..SERIES 30BF80 30BF10 30BF20 30BF40 30BF60 30 DIODE 3 A, SILICON, RECTIFIER DIODE, DO-214AB, Rectifier Diode
SURFACE MOUNTABLE ULTRAFAST RECOVERY DIODE 表面贴装超快恢复二极
Low-Power, Single-/Dual-Level Battery Monitors with Hysteresis and Integrated µP Reset
800V 3A Ultra-Fast Discrete Diode in a SMC package
400V 3A Ultra-Fast Discrete Diode in a SMC package
600V 3A Ultra-Fast Discrete Diode in a SMC package
100V 3A Ultra-Fast Discrete Diode in a SMC package
200V 3A Ultra-Fast Discrete Diode in a SMC package
International Rectifier, Corp.
IRF[International Rectifier]
VISHAY SEMICONDUCTORS
PE34474LF CABLE ASSEMBLY RG316-DS SMC PLUG RIGHT ANGLE TO SMC JACK BULKHEAD(LEAD FREE)
Pasternack Enterprises, Inc.
PE33154LF CABLE ASSEMBLY RG188-DS SMC PLUG TO SMC PLUG(LEAD FREE)
Pasternack Enterprises, Inc.
PE9227 75 Ohm SMC Jack to SMC Jack Adapter
Pasternack Enterprises, Inc...
PE33649LF CABLE ASSEMBLY RG223/U SMC PLUG RIGHT ANGLE TO SMC PLUG RIGHT ANGLE
Pasternack Enterprises, Inc.
 
 Related keyword From Full Text Search System
SMC watt SMC Vcc SMC Noise SMC serial SMC philips
SMC sensor SMC Outputs SMC complimentary against SMC bookmark SMC bus switch
 

 

Price & Availability of SMC

All Rights Reserved © IC-ON-LINE 2003 - 2022  

[Add Bookmark] [Contact Us] [Link exchange] [Privacy policy]
Mirror Sites :  [www.datasheet.hk]   [www.maxim4u.com]  [www.ic-on-line.cn] [www.ic-on-line.com] [www.ic-on-line.net] [www.alldatasheet.com.cn] [www.gdcy.com]  [www.gdcy.net]


 . . . . .
  We use cookies to deliver the best possible web experience and assist with our advertising efforts. By continuing to use this site, you consent to the use of cookies. For more information on cookies, please take a look at our Privacy Policy. X
0.26101279258728