Part Number Hot Search : 
9LV160J 95020 DF75AA16 NL8060BC 6AH18 OM7580SM 658C5C3 TBC0305B
Product Description
Full Text Search

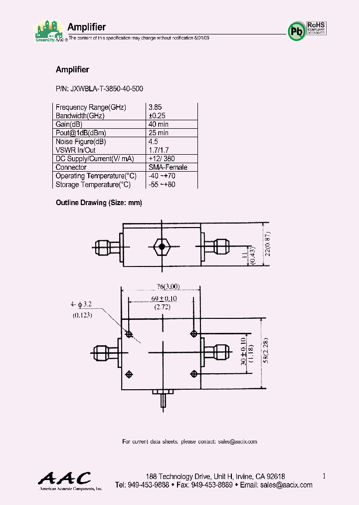
JXWBLA-T-3850-40-500 - Amplifier

JXWBLA-T-3850-40-500_405861.PDF Datasheet


 Full text search : Amplifier
 Product Description search : Amplifier


 Related Part Number
PART Description Maker
2SA1932 POWER AMPLIFIER APPLICATIONS DRIBVER STAGE AMPLIFIER APPLICATIONS
TRANSISTOR SILICON PNP EPITAXIAL TYPE (PCT PROCESS) POWER AMPLIFIER AND DRIVER STAGE AMPLIFIER APPLICATIONS
Toshiba Semiconductor
EN8278B CPH5901F-TL-E CPH590112 CPH5901G-TL-E CPH5 N-Channel JFET and NPN Bipolar Transistor, 15V, 6 to 20mA, 50V, 150mA, Composite type CPH5
High-Frequency Amplifier. AM Amplifier. Low-Frequency Amplifier Applications
ON Semiconductor
Sanyo Semicon Device
LH2422AJ LH0022H-MIL LH0062H-MIL LH0023G-MIL LTC10 Operational Amplifier 运算放大
DC to DC Converter
Amplifier. Other
Amplifier.Other
STMicroelectronics N.V.
Ironwood Electronics
HA5025 HA5025IB HA5025IP FN3591 HA5025EVAL HA5340 Triple/ 125MHz Video Amplifier
High Speed/ Low Distortion/ Precision Monolithic Sample and Hold Amplifier
Quad/ 560MHz/ Low Power/ Video Operational Amplifier
Quad/ 125MHz Video Current Feedback Amplifier
Quad, 125MHz Video Current Feedback Amplifier
Quad 125MHz Video Current Feedback Amplifier
From old datasheet system
INTERSIL[Intersil Corporation]
CD1353CP 2.4W Audio Amplifier / SIF Amplifier and Detector
2.4W AUDIO AMPLIFIER, SIF AMPLIFIER AND DETECTOR FOR TV SILICON MONOLITHIC BIPOLAR INTEGRATED CIRCUIT
List of Unclassifed Manufacturers
ETC[ETC]
Shaoxing
EL2160CS-T7 EL2160 EL2160CM EL2160CM-T13 EL2160CN 180MHz Current Feedback Amplifier VIDEO AMPLIFIER, PDIP8
180MHz Current Feedback Amplifier VIDEO AMPLIFIER, PDSO8
Op Amp, 180MHz, Current Feedback, SR=1500V/s, 75Cable Driver, Dual or Single Supply (33V)
Intersil, Corp.
Intersil Corporation
RFS1006 PRFS-1006-0007 PRFS-1006-0008 PRFS-1006-00 3.4-3.6 GHz Power Amplifier 3400 MHz - 3600 MHz RF/MICROWAVE NARROW BAND MEDIUM POWER AMPLIFIER
3.4-3.6 GHz Power Amplifier 3号至三月六日GHz功率放大
Single-band power amplifiers
The RFS1006 power amplifier is a high-power, high-performance GaAs MESFET IC designed for use in a transmit applications in the 3.4-3.6 ...
ANADIGICS, Inc.
ANADIGICS[ANADIGICS, Inc]
ANADIGICS[ANADIGICS Inc]
BA3313L A5801026    Dual preamplifier with ALC detector circuit
From old datasheet system
Audio LSIs > Pre amplifier/Line amplifier > Pre amplifier
Rohm
FH103 1283 High-Frequency Low-Noise Amplifier/ Differential Amplifier Applications
NPN Epitaxial Planar Silicon Composite Transistor
From old datasheet system
High-Frequency Low-Noise Amplifier, Differential Amplifier Applications
Sanyo Electric Co.,Ltd.
SANYO[Sanyo Semicon Device]
CPH5905 High-Frequency Amplifier, AM Amplifier, Low-Frequency Amplifier Applications
Sanyo Semicon Device
TDA8920 TDA8920J TDA8920TH 2x50 W class-D power amplifier(2x50W D绫诲???????澶у?)
2 x 50 W class-D power amplifier 80 W, 2 CHANNEL, AUDIO AMPLIFIER, PDSO24
   2 x 50 W class-D power amplifier
PHILIPS[Philips Semiconductors]
NXP Semiconductors N.V.
 
 Related keyword From Full Text Search System
JXWBLA-T-3850-40-500 command JXWBLA-T-3850-40-500 synchronous JXWBLA-T-3850-40-500 Circuit JXWBLA-T-3850-40-500 afe + homeplug av JXWBLA-T-3850-40-500 EEprom
JXWBLA-T-3850-40-500 instruments JXWBLA-T-3850-40-500 philips JXWBLA-T-3850-40-500 Specification of JXWBLA-T-3850-40-500 Data JXWBLA-T-3850-40-500 type
 

 

Price & Availability of JXWBLA-T-3850-40-500

All Rights Reserved © IC-ON-LINE 2003 - 2022  

[Add Bookmark] [Contact Us] [Link exchange] [Privacy policy]
Mirror Sites :  [www.datasheet.hk]   [www.maxim4u.com]  [www.ic-on-line.cn] [www.ic-on-line.com] [www.ic-on-line.net] [www.alldatasheet.com.cn] [www.gdcy.com]  [www.gdcy.net]


 . . . . .
  We use cookies to deliver the best possible web experience and assist with our advertising efforts. By continuing to use this site, you consent to the use of cookies. For more information on cookies, please take a look at our Privacy Policy. X
0.41538119316101