Part Number Hot Search : 
R05P20 BU4810F 67YR10 12106 T3906 MM1Z10 3CX5B IP00CH
Product Description
Full Text Search

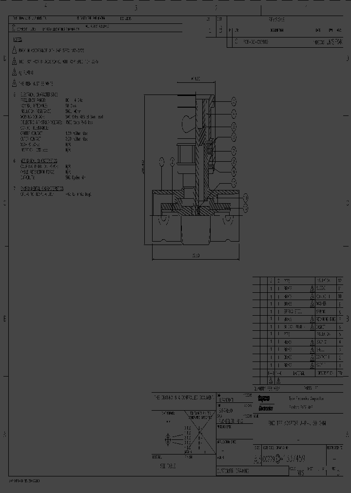
1-1337459-0 - BNC; BNC T Adpt JPJ 50Ohm Silver Pltd ( Greenpar )

1-1337459-0_226985.PDF Datasheet


 Full text search : BNC; BNC T Adpt JPJ 50Ohm Silver Pltd ( Greenpar )
 Product Description search : BNC; BNC T Adpt JPJ 50Ohm Silver Pltd ( Greenpar )


 Related Part Number
PART Description Maker
1-1337459-0 BNC; BNC T Adpt JPJ 50Ohm Silver Pltd ( Greenpar )
Tyco Electronics
1-1337426-0 BNC STRAIGHT PLUG CRIMP 50 OHM
BNC; BNC Str Plg Hex 50Ohm Nickel Pltd RG58C/ ( Greenpar )
Tyco Electronics
1-1337430-0 BNC; BNC Str Plg Hex 50Ohm Silver Pltd RG174A ( Greenpar )
Tyco Electronics
C34-5023 50OHM HD BNC BHD JACK PCB THRU HOLE RECEPTACLE 4 LEGS
Amphenol Corporation
1-1337440-0 BNC; BNC R/A Plg Hex 75Ohm Silver Pltd RG179B ( Greenpar )
Tyco Electronics
PE7000-20 20 dB Fixed Attenuator, BNC Male To BNC Female Rated To 1 Watt Up To 2 GHz
Pasternack Enterprises, Inc.
PE7000-1 1 dB Fixed Attenuator, BNC Male To BNC Female Rated To 1 Watt Up To 2 GHz
Pasternack Enterprises, Inc.
415216-1 Decoupled BNC; JACK,DECOUPLER,RTANG,BNC PCB ( AMP )
Tyco Electronics
PE3450LF CABLE ASSEMBLY RG213/U BNC MALE TO BNC FEMALE BULKHEAD
Pasternack Enterprises,...
2393 Size A Aluminum Box With Cover BNC Female/BNC Male W/Binding Post
Pomona Electronics
73100-0153 50 OHM VERTICAL BNC BOARD TERMINATED, FEMALE, BNC CONNECTOR, SOLDER, RECEPTACLE
Molex, Inc.
SGMB201209 SGMB201209R202 SGMB201209S800 SGMB20120 MULTILAYER FERRITE CHIP BEADS 多层铁氧体片式磁
BNC Adapter; Body Style:Tee Adapter RoHS Compliant: Yes 多层铁氧体片式磁
BNC Adapter; Body Style:Right Angle Adapter, Jack-Plug; Contact Termination:Clamp/Solder; RG Cable Type:58, 59, 179, 316 RoHS Compliant: Yes
RF Coaxial Connector Adapter; Convert From:UHF Jack; Convert To:N Plug RoHS Compliant: Yes
RF/Coaxial Connector; RF Coax Type:BNC; Contact Termination:Crimp; Body Style:Straight; RG Cable Type:59, 62, 140, 210, 302 RoHS Compliant: Yes
RF/Coaxial Connector; RF Coax Type:BNC; Contact Termination:Clamp; Impedance:50ohm; Body Style:Straight Jack; RG Cable Type:58, 59, 179, 316 RoHS Compliant: Yes
BNC Adapter; Body Style:Straight Bulkhead Adapter, Jack-Jack; Contact Termination:Clamp/Solder; RG Cable Type:58, 59, 179, 316 RoHS Compliant: Yes
RF/Coaxial Connector; RF Coax Type:BNC; Contact Termination:Crimp; Body Style:Straight; RG Cable Type:55, 142, 223, 400 RoHS Compliant: Yes
RF/Coaxial Connector; RF Coax Type:N; Contact Termination:Clamp/Solder; Impedance:50ohm; Body Style:Panel Jack Receptacle; RG Cable Type:55, 58, 141; Approval Categories:UG-1095A/U; Body Material:Brass; Frequency Max:11GHz RoHS Compliant: Yes
From old datasheet system
Electronic Theatre Controls, Inc.
ETC[ETC]
List of Unclassifed Manufacturers
 
 Related keyword From Full Text Search System
1-1337459-0 ic查尋 1-1337459-0 amplifier 1-1337459-0 price 1-1337459-0 coilcraft 1-1337459-0 ic marking
1-1337459-0 module 1-1337459-0 sfp configuration 1-1337459-0 Hex 1-1337459-0 Silicon 1-1337459-0 molex
 

 

Price & Availability of 1-1337459-0

All Rights Reserved © IC-ON-LINE 2003 - 2022  

[Add Bookmark] [Contact Us] [Link exchange] [Privacy policy]
Mirror Sites :  [www.datasheet.hk]   [www.maxim4u.com]  [www.ic-on-line.cn] [www.ic-on-line.com] [www.ic-on-line.net] [www.alldatasheet.com.cn] [www.gdcy.com]  [www.gdcy.net]


 . . . . .
  We use cookies to deliver the best possible web experience and assist with our advertising efforts. By continuing to use this site, you consent to the use of cookies. For more information on cookies, please take a look at our Privacy Policy. X
0.3095588684082