Part Number Hot Search : 
LC78681E MC2025 KN4L4M A950Y DC801 C10000 TA1042A MMBFJ305
Product Description
Full Text Search

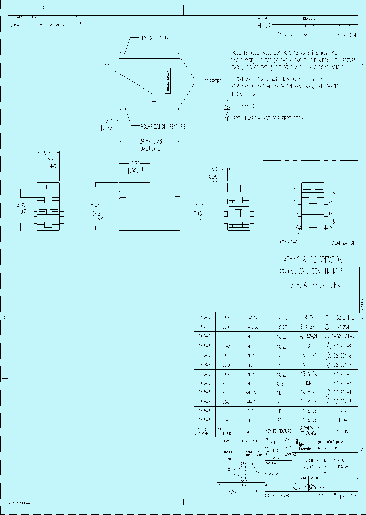
521204-5 - Positive Lock Connectors; HSG,POS LOC,MARKIII,250 SRS,2P ( AMP )

521204-5_104687.PDF Datasheet


 Full text search : Positive Lock Connectors; HSG,POS LOC,MARKIII,250 SRS,2P ( AMP )
 Product Description search : Positive Lock Connectors; HSG,POS LOC,MARKIII,250 SRS,2P ( AMP )


 Related Part Number
PART Description Maker
142680-1 Positive Lock Connectors; HOUSING POS LOCK MK III 2 P BROWN ( AMP )
Tyco Electronics
142680-4 Positive Lock Connectors; HOUSING POS LOCK MK III 2 P YELLOW ( AMP )
Tyco Electronics
142680-2 Positive Lock Connectors; HOUSING POS LOCK MK III 2 P RED ( AMP )
Tyco Electronics
4-521384-4 Positive Lock Connectors; ASSY PL R/A RAST5 HEADER 04-G ( AMP )
Tyco Electronics
35572-0700 35572-1100 35572-0400 2.5 WTB LOCK HSG 7CKT 7 CONTACT(S), FEMALE, TWO PART BOARD CONNECTOR
2.5 WTB LOCK HSG 11CKT 11 CONTACT(S), FEMALE, TWO PART BOARD CONNECTOR
2.5 WTB LOCK HSG 4CKT 4 CONTACT(S), FEMALE, TWO PART BOARD CONNECTOR
Molex, Inc.
142501-1 MIC ( Multiple Interlock Connectors ); MIC HSG ASSY CAP 13 POS. ( AMP )
Tyco Electronics
521115-2 Timer Connectors; TIMER CON 24P SIDE LAT HSG NAT ( AMP )
Tyco Electronics
3-1318118-6 Dynamic Series Connectors; DYNAMIC D-2100 REC HSG 12P Z ( Tyco Electronics )
Tyco Electronics
142502-4 MIC ( Multiple Interlock Connectors ); MIC HSG ASSY CAP 17 POS. ( AMP )
Tyco Electronics
142500-3 MIC ( Multiple Interlock Connectors ); MIC HSG ASSY CAP 9 POS. ( AMP )
Tyco Electronics
SG109T_883B SG109R SG309K SG309T SG109 SG109T JAN1 5 -VOLT FIXED VOLTAGE REGULATORS 5.05 V FIXED POSITIVE REGULATOR, MBCY3
FPC connectors, 1.25mm of mounting height on PCB, LIF structure, Over-molding structure, Flip-lock (one-touch rotating system), Horizontal staggered
From old datasheet system
Positive Fixed Linear Voltage Regulators
   5 -VOLT FIXED VOLTAGE REGULATORS
Microsemi, Corp.
MICROSEMI[Microsemi Corporation]
102241-4 .100 Inch Centerline AMPMODU Headers, Connectors & Contacts; 06 MODIV HSG COMP SR .100 POL ( AMP )
Tyco Electronics
 
 Related keyword From Full Text Search System
521204-5 Emitter 521204-5 Serie 521204-5 rohm 521204-5 应用线路 521204-5 Rectifier
521204-5 circuit board 521204-5 Device 521204-5 Crystals 521204-5 data sheet ic 521204-5 capacitors
 

 

Price & Availability of 521204-5

All Rights Reserved © IC-ON-LINE 2003 - 2022  

[Add Bookmark] [Contact Us] [Link exchange] [Privacy policy]
Mirror Sites :  [www.datasheet.hk]   [www.maxim4u.com]  [www.ic-on-line.cn] [www.ic-on-line.com] [www.ic-on-line.net] [www.alldatasheet.com.cn] [www.gdcy.com]  [www.gdcy.net]


 . . . . .
  We use cookies to deliver the best possible web experience and assist with our advertising efforts. By continuing to use this site, you consent to the use of cookies. For more information on cookies, please take a look at our Privacy Policy. X
0.17819786071777