Part Number Hot Search : 
S3C825 ZMM5239 PMK35EP MM3ZC15 CMX823P3 2576T 9102D LT1070HV
Product Description
Full Text Search

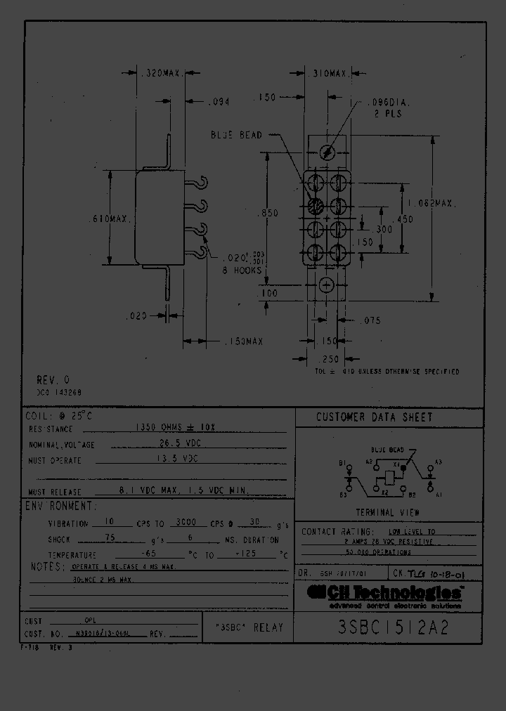
3SBC1512A21617354-3 - Military/Aerospace High Performance Relays; 3SBC1512A2=M39016/13-066L ( CII )

3SBC1512A21617354-3_103941.PDF Datasheet


 Full text search : Military/Aerospace High Performance Relays; 3SBC1512A2=M39016/13-066L ( CII )
 Product Description search : Military/Aerospace High Performance Relays; 3SBC1512A2=M39016/13-066L ( CII )


 Related Part Number
PART Description Maker
PL8141 STQ1553-1 TM266DCA1 TM266DCA5 TM266DCB5 TM2 MILITARY/AEROSPACE PRODUCTS
   MILITARY/AEROSPACE
http://
PULSE[Pulse A Technitrol Company]
Pulse A Technitrol Comp...
MS35842-10 MILITARY / AEROSPACE / CUSTOM Band
Breeze
FCA-325 FCA-325-AY3 FCA-325-AY6 FCA-325-BV7 FCA-32 Mid-Range Military/Aerospace Relays
N.A.
MACOM[Tyco Electronics]
M8373110-272 M8373110-271 M8373110-312 M8373110-21 Military/Aerospace/HI-REL MIL-S-83731 Toggle Switches
C&K Components
LM741C CA741C CA1558 CA1558E CA1558T CA1458 CA1458 0.9MHz Single and Dual, High Gain Operational Amplifiers for Military, Industrial and Commercial Applications OP-AMP, 6000 uV OFFSET-MAX, 0.9 MHz BAND WIDTH, PDIP8
0.9MHz Single and Dual/ High Gain Operational Amplifiers for Military/ Industrial and Commercial Applications
From old datasheet system
HARRIS SEMICONDUCTOR
Intersil, Corp.
INTERSIL[Intersil Corporation]
HI5905N/QML 5962-9859101NXB HI5905EVAL2 HI5905N HI 14 Bits 5MSPS Military A/D Converter(14浣??MSPS???ADC)
14 Bits 5MSPS Military A/D Converter(14位MSPS军用ADC)
14-Bit, 5 MSPS, Military A/D Converter
Intersil Corporation
MCH0503EBB MCH0503EBG MCH0503EBS MCH0503EBU MCH050 Military Grade High Voltage Chip Resistors
List of Unclassifed Man...
ETC[ETC]
List of Unclassifed Manufacturers
http://
AS17A Aerospace Pressure Transducers
ETC
NAS1193 NATIONAL AEROSPACE STANDARD
List of Unclassifed Man...
 
 Related keyword From Full Text Search System
3SBC1512A21617354-3 adc 3SBC1512A21617354-3 specs 3SBC1512A21617354-3 型号替换 3SBC1512A21617354-3 for sale 3SBC1512A21617354-3 configuration
3SBC1512A21617354-3 Command 3SBC1512A21617354-3 Amplifiers 3SBC1512A21617354-3 Server 3SBC1512A21617354-3 Amplifiers 3SBC1512A21617354-3 electric
 

 

Price & Availability of 3SBC1512A21617354-3

All Rights Reserved © IC-ON-LINE 2003 - 2022  

[Add Bookmark] [Contact Us] [Link exchange] [Privacy policy]
Mirror Sites :  [www.datasheet.hk]   [www.maxim4u.com]  [www.ic-on-line.cn] [www.ic-on-line.com] [www.ic-on-line.net] [www.alldatasheet.com.cn] [www.gdcy.com]  [www.gdcy.net]


 . . . . .
  We use cookies to deliver the best possible web experience and assist with our advertising efforts. By continuing to use this site, you consent to the use of cookies. For more information on cookies, please take a look at our Privacy Policy. X
0.050197124481201