Part Number Hot Search : 
R1002 LM431SAI IRS2104S 7206S80P IRFZ14S ADUC816B TSL13S MIC33164
Product Description
Full Text Search

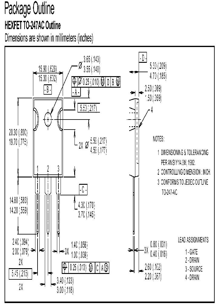
TO247 - HEXFET TO-247AC Outline Dimensions are shown in millimeters (inches)

TO247_36648.PDF Datasheet


 Full text search : HEXFET TO-247AC Outline Dimensions are shown in millimeters (inches)
 Product Description search : HEXFET TO-247AC Outline Dimensions are shown in millimeters (inches)


 Related Part Number
PART Description Maker
IRCP054 60V Single N-Channel HEXFET Power MOSFET in a TO-247AC package
International Rectifier
IRFP150VPBF 100V Single N-Channel HEXFET Power MOSFET in a TO-247AC package
International Rectifier
IRFP22N50A IRFP22N50APBF 500V Single N-Channel HEXFET Power MOSFET in a TO-247AC package
International Rectifier
IRFP31N50L IRFP31N50LPBF 500V Single N-Channel HEXFET Power MOSFET in a TO-247AC package
International Rectifier
IRFP9140NPBF -100V Single P-Channel HEXFET Power MOSFET in a TO-247AC package
International Rectifier
IRFP048R 60V Single N-Channel HEXFET Power MOSFET in a TO-247AC package
International Rectifier
IRFP32N50K IRFP32N50 IRFP32N50KPBF 500V Single N-Channel HEXFET Power MOSFET in a TO-247AC package
From old datasheet system
HEXFET? Power MOSFET
Power MOSFET(Vdss=500V, Rds(on)typ.=0.135ohm, Id=32A) 功率MOSFET(减振钢板基本\u003d 500V及的Rdson)典\u003d 0.135ohm,身份证\u003d 32A条)
IRF[International Rectifier]
International Rectifier, Corp.
IRG4PH40UD2 40 A, 1200 V, N-CHANNEL IGBT, TO-247AC TO-247AC, 3 PIN
HIROSE ELECTRIC Co., Ltd.
IRFP344 450V Single N-Channel HEXFET Power MOSFET in a TO-247AC package
HEXFET? Power MOSFET
Power MOSFET(Vdss=450V, Rds(on)=0.63ohm, Id=9.5A) 功率MOSFET(减振钢板基本\u003d 450V,的Rdson)\u003d 0.63ohm,身份证\u003d 9.5A
IRF[International Rectifier]
International Rectifier, Corp.
AM29F200BT-120DPC1 AM29F200BT-75DPC1 AM29F200BT-90 150V Single N-Channel HEXFET Power MOSFET in a TO-220AB package; A IRF3315 with Standard Packaging
30V Single N-Channel HEXFET Power MOSFET in a TO-220AB package; A IRL8113 with Standard Packaging
40V Single N-Channel HEXFET Power MOSFET in a I-Pak package; Similar to IRFU3504 with Lead Free Packaging
200V Single N-Channel HEXFET Power MOSFET in a TO-262 package; A IRFSL42N20D with Standard Packaging
75V Single N-Channel HEXFET Power MOSFET in a TO-220AB package; A IRF2907Z with Standard Packaging
55V Single N-Channel HEXFET Power MOSFET in a TO-220 FullPak (Iso) package; A IRLIZ34N with Standard Packaging
200V Single N-Channel HEXFET Power MOSFET in a TO-220AB package; Similar to IRFB38N20D with Lead Free Packaging
200V Single N-Channel HEXFET Power MOSFET in a D-Pak package; A IRFR9N20D with Standard Packaging
60V Single N-Channel HEXFET Power MOSFET in a TO-262 package; A IRF1010EZL with Standard Packaging
20V Single N-Channel HEXFET Power MOSFET in a SO-8 package; A IRF7459 with Standard Packaging
20V Single N-Channel HEXFET Power MOSFET in a D2-Pak package; A IRF3711ZCS with Standard Packaging
60V Single N-Channel HEXFET Power MOSFET in a TO-262 package; A IRFZ44EL with Standard Packaging
30V Single N-Channel HEXFET Power MOSFET in a SO-8 package; Similar to IRF7455 with Lead Free Packaging
55V Single N-Channel HEXFET Power MOSFET in a I-Pak package; A IRLU3105 with Standard Packaging
150V Single N-Channel HEXFET Power MOSFET in a D2-Pak package; A IRFS23N15D with Standard Packaging
75V Single N-Channel HEXFET Power MOSFET in a TO-262 package; A IRF2907ZL with Standard Packaging
200V Single N-Channel HEXFET Power MOSFET in a D2-Pak package; A IRF640NS with Standard Packaging
75V Single N-Channel HEXFET Power MOSFET in a TO-220AB package; A IRFB3207ZPBF with Standard Packaging
20V Single N-Channel HEXFET Power MOSFET in a I-Pak package; A IRLU3715Z with Standard Packaging
100V Single N-Channel HEXFET Power MOSFET in a I-Pak package; Similar to IRLU3410 with Lead Free Packaging
200V Single N-Channel HEXFET Power MOSFET in a TO-262 package; A IRFSL31N20D with Standard Packaging
100V Single N-Channel HEXFET Power MOSFET in a TO-220 FullPak (Iso) package; A IRFI540N with Standard Packaging
20V Single N-Channel HEXFET Power MOSFET in a Micro 8 package; A IRF7607 with Standard Packaging
20V Single N-Channel HEXFET Power MOSFET in a D-Pak package; A IRLR3715ZCPBF with Standard Packaging
40V Single N-Channel HEXFET Power MOSFET in a TO-262 package; A IRF1404ZL with Standard Packaging
150V Single N-Channel HEXFET Power MOSFET in a TO-220 FullPak (Iso) package; A IRLI3615 with Standard Packaging
30V Single N-Channel HEXFET Power MOSFET in a SO-8 package; A IRF7821 with Standard Packaging
150V Single N-Channel HEXFET Power MOSFET in a D-Pak package; A IRFR24N15D with Standard Packaging
150V Single N-Channel HEXFET Power MOSFET in a Super 247 (TO-274AA) package; A IRFPS3815 with Standard Packaging
100V Single N-Channel HEXFET Power MOSFET in a TO-262 package; A IRFSL4410ZPBF with Standard Packaging
200V Single N-Channel HEXFET Power MOSFET in a TO-220AB package; A IRFB42N20D with Standard Packaging
75V Single N-Channel HEXFET Power MOSFET in a D2-Pak package; A IRFS3207ZPBF with Standard Packaging
20V Single N-Channel HEXFET Power MOSFET in a I-Pak package; Similar to IRFU3711Z with Lead Free Packaging
100V Single N-Channel HEXFET Power MOSFET in a TO-220AB package; Similar to IRFB4310 with Lead Free Packaging
30V Single N-Channel HEXFET Power MOSFET in a TO-262 package; A IRF3709ZL with Standard Packaging
60V Single N-Channel HEXFET Power MOSFET in a TO-247AC package; Similar to IRFP054V with Lead Free Packaging
55V Single N-Channel HEXFET Power MOSFET in a TO-220AB Package; A IRF3205Z with Standard Packaging
55V Single N-Channel HEXFET Power MOSFET in a D-Pak package; A IRFR1205 with Standard Packaging
100V Single N-Channel HEXFET Power MOSFET in a TO-220AB package; A IRF3710 with Standard Packaging
EEPROM EEPROM
EEPROM
Elpida Memory, Inc.
IRFP3703 30V Single N-Channel HEXFET Power MOSFET in a TO-247AC package
Power MOSFET(Vdss=30V, Rds(on)max=0.0028ohm, Id=210A?
International Rectifier
IRFP460P IRFP460PPBF 500V Single N-Channel HEXFET Power MOSFET in a TO-247AC package
Power MOSFET(Vdss=500V, Rds(on)=0.27ohm, Id=20A)
IRF[International Rectifier]
 
 Related keyword From Full Text Search System
TO247 ic查尋 TO247 Instruments TO247 Table TO247 gaas TO247 national
TO247 step-down converter TO247 ic查尋 TO247 filetype:pdf TO247 datasheet | даташит TO247 stmicroelectronics
 

 

Price & Availability of TO247

All Rights Reserved © IC-ON-LINE 2003 - 2022  

[Add Bookmark] [Contact Us] [Link exchange] [Privacy policy]
Mirror Sites :  [www.datasheet.hk]   [www.maxim4u.com]  [www.ic-on-line.cn] [www.ic-on-line.com] [www.ic-on-line.net] [www.alldatasheet.com.cn] [www.gdcy.com]  [www.gdcy.net]


 . . . . .
  We use cookies to deliver the best possible web experience and assist with our advertising efforts. By continuing to use this site, you consent to the use of cookies. For more information on cookies, please take a look at our Privacy Policy. X
0.43013191223145