Part Number Hot Search : 
AN473 GFC064 AS35FN CM0565R MJE5740G TCZS8100 RD2004 PEMB4
Product Description
Full Text Search

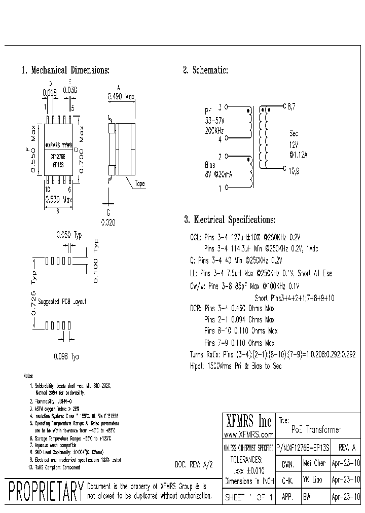
XF1276B-EP13S - PoE Transformer

XF1276B-EP13S_5051126.PDF Datasheet


 Full text search : PoE Transformer
 Product Description search : PoE Transformer


 Related Part Number
PART Description Maker
C1591-AL C1592-AL C1591-ALB C1590-ALB C1592-ALD Flyback Transformers
PoE transformer, for NSC LM5070, 5V, SMT, RoHS 3 W, SMPS TRANSFORMER
PoE transformer, for NSC LM5070, 3.3V, SMT, RoHS 3 W, SMPS TRANSFORMER
PoE transformer, for NSC LM5070, 12V, SMT, RoHS 3 W, SMPS TRANSFORMER
Coilcraft lnc.
Coilcraft, Inc.
DA2362-AL DA2362-ALD Flyback Transformer
PoE transformer, for Freescale MC34670, SMT, RoHS 13 W, SMPS TRANSFORMER
Coilcraft lnc.
Coilcraft, Inc.
FCT1-120D3SLB FCT1-120D3SLD FCT1-195D3SLD FCT1-240 PoE transformer, SMT, RoHS 30 W, SMPS TRANSFORMER
Coilcraft, Inc.
COILCRAFT INC
CEFD1608 General Power & PoE Transformer<SMD Type: CEFD series>
General Power & PoE Transformer Type: CEFD series
General Power & PoE Transformer
Sumida Corporation
FGP-2410-16 26-Port Fast Ethernet PoE Switch, 2 x SFP/RJ45 Combo Gigabit, 802.3at PoE , 24 PoE Outputs, 240W
Level One
XF0406A-EP10S POE TRANSFORMER
XFMRS Inc.
XF1276A-EP13S POE Transformer
XFMRS Inc.
XF0856-EP13S POE TRANSFORMER
XFMRS Inc.
XF0406A-EFD15S XF0406A-EFD15S11 POE TRANSFORMER
XFMRS Inc.
XF1276C-EP13S POE Transformer
XFMRS Inc.
 
 Related keyword From Full Text Search System
XF1276B-EP13S Megabit XF1276B-EP13S address XF1276B-EP13S astable multivibrators XF1276B-EP13S quad XF1276B-EP13S integrated circuit
XF1276B-EP13S Supply XF1276B-EP13S external rom XF1276B-EP13S digital ic XF1276B-EP13S Channel XF1276B-EP13S m85049
 

 

Price & Availability of XF1276B-EP13S

All Rights Reserved © IC-ON-LINE 2003 - 2022  

[Add Bookmark] [Contact Us] [Link exchange] [Privacy policy]
Mirror Sites :  [www.datasheet.hk]   [www.maxim4u.com]  [www.ic-on-line.cn] [www.ic-on-line.com] [www.ic-on-line.net] [www.alldatasheet.com.cn] [www.gdcy.com]  [www.gdcy.net]


 . . . . .
  We use cookies to deliver the best possible web experience and assist with our advertising efforts. By continuing to use this site, you consent to the use of cookies. For more information on cookies, please take a look at our Privacy Policy. X
0.038450956344604