Part Number Hot Search : 
NJM2114L NT6861 USF520F SFR1A7 24554 04C37AMR P6KE33A 84PBM
Product Description
Full Text Search

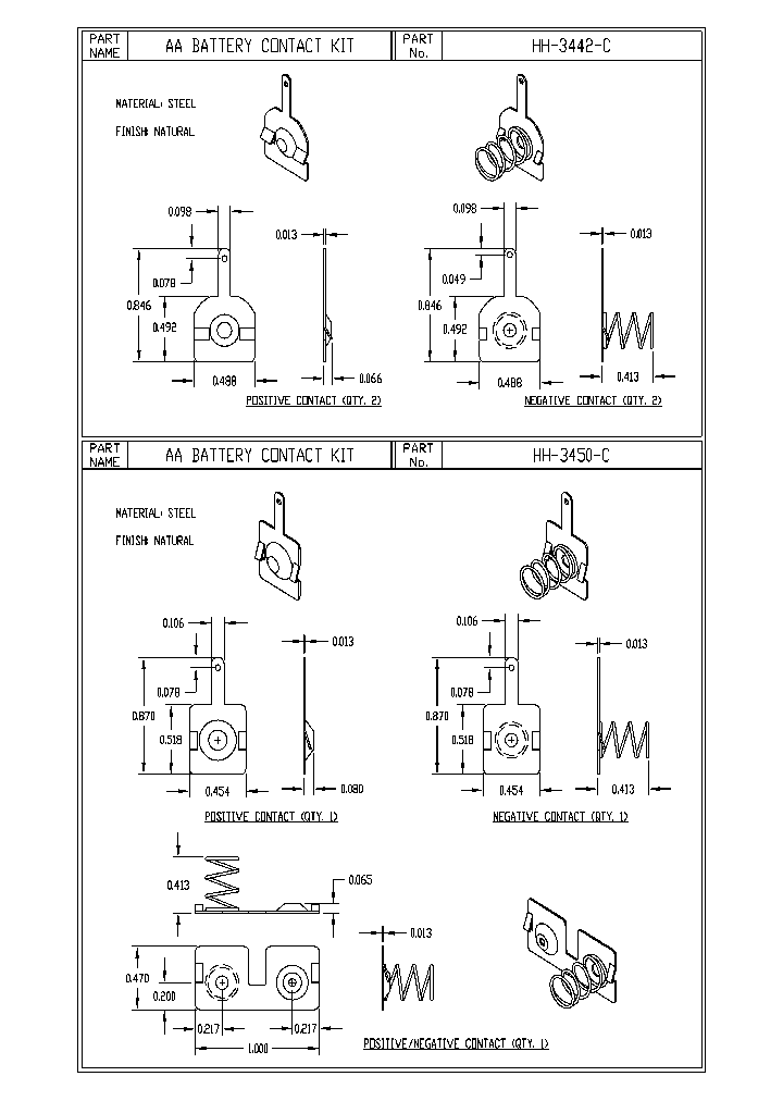
HH-3442-C - AA BATTERY CONTACT KIT

HH-3442-C_5030231.PDF Datasheet


 Full text search : AA BATTERY CONTACT KIT
 Product Description search : AA BATTERY CONTACT KIT


 Related Part Number
PART Description Maker
AER19-19-21CB AER19-19-21CB_S AER19-19-18CB AER19-    AER Forged Heat Sinks
TMS570 Microcontroller Development Kit
High Performance Synchronous Buck Evaluation Module Using TPS51125A
CC1190EM 868MHz Reference Design
BQ20Z60 SBS 1.1 Impedance Track Technology Enabled Battery Management Solution Evaluation Module
OMAP-L137/TMS320C6747 Floating Point Starter Kit
TMS570 Microcontroller USB Kit
BQ20Z65 SBS 1.1 Impedance Track Technology Enabled Battery Management Solution Evaluation Module
Evaluation Module for TPS65072 Single Chip Power Solution for Navigation Systems
CTS[CTS Corporation]
DS2751K From old datasheet system
Battery Fuel Gauge Evaluation Kit
MAXIM - Dallas Semiconductor
SD7760-000-00701Z KIT - CONTACT
Winchester Electronics Corporation
Winchester Electronics ...
5962-87530013A 5962-8753101UX 5962-8753103TX 5962- TFT LCD DC-DC Converter with Integrated Charge Pumps
28V Linear Li Battery Charger with Smart Autoboot Assistant
High-Speed, Step-Down Controller with Accurate Current Limit for Notebook Computers
Evaluation Kit for the MAX8760
Low-Cost, SMBus, CCFL Backlight Controller
Low-Dropout, 300mA Linear Regulator in µMAX X9热卖异步FIFO
Evaluation Kit for the MAX8753 保险丝,可编程的PLD
Evaluation Kit for the MAX8808 X9热卖异步FIFO
Low-Power, Low-Drift, 2.5V/ 5V/ 10V Precision Voltage Reference 保险丝,可编程的PLD
x9 Asynchronous FIFO X9热卖异步FIFO
Littelfuse, Inc.
Maxim Integrated Products, Inc.
Honeywell International, Inc.
NIC Components, Corp.
WJ1142CS59VDC5.0 WJ114 WJ1141AS1012VDC3.5 WJ1141AS SUPER MK RELAY
MSM19 RI SF 5 A @125VAC BL 开关容6A条,体积小,适用于高密度安装,PC板安装,通过UL / cUL认证
MS3108A24-10S 开关容6A条,体积小,适用于高密度安装,PC板安装,通过UL / cUL认证
Vandal Resistant Pushbutton Switch; Actuator Diameter:15.8mm; Circuitry:SPST-NO SPST-NC; Switch Operation:(On); Contact Current Max:0.1A 开关容6A条,体积小,适用于高密度安装,PC板安装,通过UL / cUL认证
Panel Kit; Contents Of Kit:Top panel; For Use With:R-120 Protective equipment case 开关容6A条,体积小,适用于高密度安装,PC板安装,通过UL / cUL认证
Switching capacity 16A, Small size suitable for high density mounting, PC board mounting, UL/CUL certified 开关容6A条,体积小,适用于高密度安装,PC板安装,通过UL / cUL认证
AB 9C 6#16 3#12 SKT PLUG
AUTO ADC 32K FLASH
MSM22 PI SF 5A@030VDC BL
SWITCH 250 V,GN PT ILL, 19 MM ; Switch function type: PUSH-BUTTON; Voltage, contact AC max:250V; Voltage, contact DC max:250V; Temp, op. max:85(degree C); Temp, op. min:-25(degree C); Diameter, panel cut-out:19mm; Length / Height,
BATTERY CLIP
Panel Kit; Contents Of Kit:Bottom panel; For Use With:R-120 Protective equipment case
O RING FOR R120 BOX
Panel Kit; Contents Of Kit:Bottom panel; For Use With:R-300 Protective equipment case
AB 4C 2#8 2#16 ANGLE PIN PLUG
SWITCH, CAPACITIVE UNDERGLASSSWITCH, CAPACITIVE UNDERGLASS; Switch function type:Momentary; Voltage, contact DC max:24V; Temp, op. min:-20(degree C); Diameter, panel cut-out:16.2mm; Length / Height, external:4mm; Width,
SWITCH, CAPACITIVE RED ILLUMINATIONSWITCH, CAPACITIVE RED ILLUMINATION; Switch function type:3 wire NPN; Temp, op. max:85(degree C); Temp, op. min:-20(degree C); Diameter, panel cut-out:16mm; Colour:Red; Current, supply:20mA;
SWITCH, CAPGREEN ILLUMINATIONSWITCH, CAPGREEN ILLUMINATION; Switch function type:Momentary; Temp, op. min:-20(degree C); Diameter, panel cut-out:16.2mm; Colour:Green; Current, switching DC max:175mA; Depth, behind panel:13mm; IP
Vandal Resistant Switch
CONNECTOR ACCESSORY
MSMLA SWITCH,250V,22 MM,ILLUM-BLUE
MCORE GPS CONTROLLER
CIT SWTICH
Electronic Theatre Controls, Inc.
CIT[CIT Relay & Switch]
ATA6870 ATA687010 Li-Ion/NiMH Battery Stack Measurement and Monitoring Kit Atmel ATA6870
ATMEL Corporation
0472750001 472750001 2.50mm (.098) Pitch Battery Connector, SMT, Contact Height 4.50mm (.177), Contact Width 1.12mm (.044), 3 Circuits
2.50mm (.098") Pitch Battery Connector, SMT, Contact Height 4.50mm (.177"), Contact Width 1.12mm (.044"), 3 Circuits
Molex Electronics Ltd.
71660-3540 EBBI Vertical IDT Rec Kit 40Ckt 40 CONTACT(S), FEMALE, TWO PART BOARD CONNECTOR, IDC, RECEPTACLE
Molex, Inc.
NBX-10915 NBX-10970 LOCKING HASP KIT, INTERNAL PANEL HINGED BRACKET KIT
Bud Industries, Inc.
http://
LMF3D502W2851 Series KIT LMF Conductive Plastic Motion Transducer Elements (KIT), up to 1000 mm
Vishay Sfernice
0475310011 SD-47531-001 2.00mm (.079) Pitch Battery Connector, SMT, Contact Width 0.67mm (.026), with Mylar, 4 Circuits
Molex Electronics Ltd.
 
 Related keyword From Full Text Search System
HH-3442-C header HH-3442-C siemens HH-3442-C filetype:pdf HH-3442-C free down HH-3442-C ohm
HH-3442-C Terminal HH-3442-C Regulator HH-3442-C Transistors HH-3442-C price HH-3442-C description
 

 

Price & Availability of HH-3442-C

All Rights Reserved © IC-ON-LINE 2003 - 2022  

[Add Bookmark] [Contact Us] [Link exchange] [Privacy policy]
Mirror Sites :  [www.datasheet.hk]   [www.maxim4u.com]  [www.ic-on-line.cn] [www.ic-on-line.com] [www.ic-on-line.net] [www.alldatasheet.com.cn] [www.gdcy.com]  [www.gdcy.net]


 . . . . .
  We use cookies to deliver the best possible web experience and assist with our advertising efforts. By continuing to use this site, you consent to the use of cookies. For more information on cookies, please take a look at our Privacy Policy. X
0.23715782165527