Part Number Hot Search : 
OV9712 HT506 MM1165M 1722345 PT224805 62054 1300A IT8206R
Product Description
Full Text Search

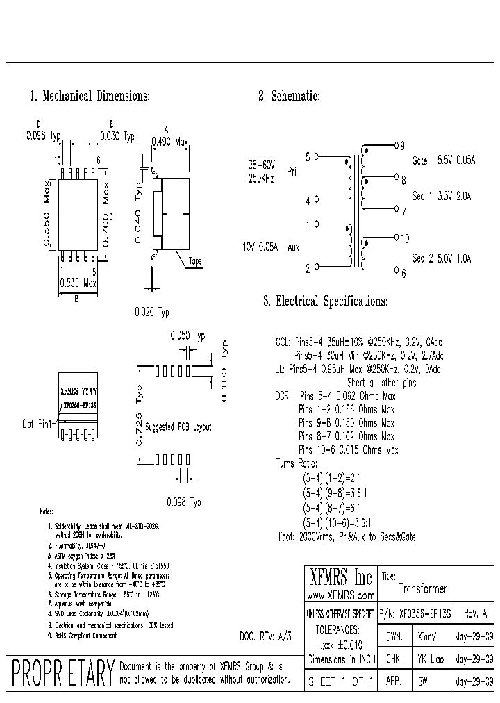
XF0356-EP13S - Transformer

XF0356-EP13S_4900866.PDF Datasheet


 Full text search : Transformer
 Product Description search : Transformer


 Related Part Number
PART Description Maker
D3627 D3620 D3621 D3622 D3623 D3624 D3625 D3626 TRANSFORMER 12VA 2X 24V
TRANSFORMER 12VA 2X 20V
TRANSFORMER 12VA 2X15V
TRANSFORMER 12VA 2X 12V
TRANSFORMER 12VA 10V
TRANSFORMER 12VA 2X9V
TRANSFORMER 12VA 2X6V
TRANSFORMER 6VA 2X 24V
XC6204D362DL
ETC
N.A.
DA2362-AL DA2362-ALD Flyback Transformer
PoE transformer, for Freescale MC34670, SMT, RoHS 13 W, SMPS TRANSFORMER
Coilcraft lnc.
Coilcraft, Inc.
DA2383-AL DA2383-ALD Flyback Transformer
PoE transformer, for NSC LM5071, 3.3V, SMT, RoHS SMPS TRANSFORMER
Coilcraft lnc.
Coilcraft, Inc.
LM-NP-1001-B1L LM-LP-1001L LM-NP-1002L BOURNSINC-L MAGNETICS-LINE-MATCHING TRANSFORMER TELECOM TRANSFORMER
MAGNETICS-LINE-MATCHING TRANSFORMER-LF TELECOM TRANSFORMER
Transformers 1KHz 66ohm 10% line matching trans TELECOM TRANSFORMER
Bourns, Inc.
BOURNS INC
DA2034-AL DA2033-AL DA2032-AL DA2034-ALD DA2032-AL Flyback Transformers
Transformer, for LT3750, 10A, SMT, RoHS SMPS TRANSFORMER
Transformer, for LT3750, 3A, SMT, RoHS SMPS TRANSFORMER
Coilcraft lnc.
Coilcraft, Inc.
PL2417BBEB PL4201ABEB PL4208ABEB PL4208BBEB VISHAY POWER TRANSFORMER, 10 VA ROHS COMPLIANT
SPLIT BOBBIN POWER TRANSFORMER, 1.5 VA
POWER TRANSFORMER, 4.5 VA
Vishay Intertechnology, Inc.
VISHAY DALE
EPE6045SE EPE6045SE-LF DATACOM TRANSFORMER FOR 10 BASE-T APPLICATION(S) LEAD FREE
10Base-T Isolation Transformer
Samsung Semiconductor Co., Ltd.
PCA ELECTRONICS INC.
S553-6500-40 HIGH FREQUENCY MAGNETICS T1/E1 Octal Transformer Modules TELECOM TRANSFORMER
Bel Fuse, Inc.
A9786-ALD DSL transformer, for AD20MSP910/918, not RoHS 150 W, SMPS TRANSFORMER
Coilcraft, Inc.
B0863-BL B0863-BLD PoE transformer, for MAX5941B, SMT, RoHS 13 W, SMPS TRANSFORMER
Coilcraft lnc.
Coilcraft, Inc.
POE60C-25LD POE60D-25LB POE60C-25LB POE60D-25LD PO PoE transformer, SMT, RoHS 6 W, SMPS TRANSFORMER
Coilcraft, Inc.
 
 Related keyword From Full Text Search System
XF0356-EP13S varactor XF0356-EP13S Price XF0356-EP13S Register XF0356-EP13S terminals description XF0356-EP13S integrated circuit
XF0356-EP13S Regulators XF0356-EP13S Module XF0356-EP13S 0pam XF0356-EP13S filetype:pdf XF0356-EP13S Megabit
 

 

Price & Availability of XF0356-EP13S

All Rights Reserved © IC-ON-LINE 2003 - 2022  

[Add Bookmark] [Contact Us] [Link exchange] [Privacy policy]
Mirror Sites :  [www.datasheet.hk]   [www.maxim4u.com]  [www.ic-on-line.cn] [www.ic-on-line.com] [www.ic-on-line.net] [www.alldatasheet.com.cn] [www.gdcy.com]  [www.gdcy.net]


 . . . . .
  We use cookies to deliver the best possible web experience and assist with our advertising efforts. By continuing to use this site, you consent to the use of cookies. For more information on cookies, please take a look at our Privacy Policy. X
0.36299300193787