Part Number Hot Search : 
NJM072BL D8060N 1N416E APL7T MN101C B5035 856820 DCH0512S
Product Description
Full Text Search

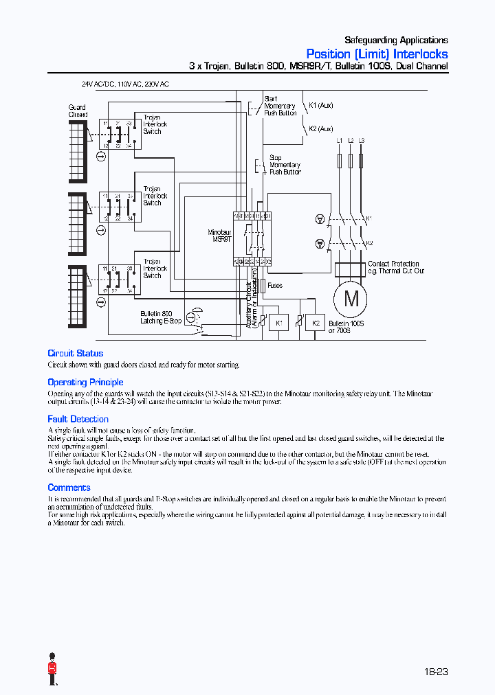
MSR9R - Position (Limit) Interlocks

MSR9R_4826450.PDF Datasheet


 Full text search : Position (Limit) Interlocks
 Product Description search : Position (Limit) Interlocks


 Related Part Number
PART Description Maker
MSR9R Position (Limit) Interlocks
Allen-Bradley
NID5001NT4 NID5001N NID5001NT4G Self-protected SmartDiscrete, 42V clamp, Temp & Current Limit, ESD, DPAK
Self-protected FET with Temperature and Current Limit
ONSEMI[ON Semiconductor]
AD5201 AD5207 AD5207BRU100-REEL7 AD5207BRU10-REEL7 Dual, 256 Position, Digital Potentiometer
2-Channel/ 256-Position Digital Potentiometer
CONNECTOR ASSEMBLIES RoHS Compliant: Yes
2-Channel, 256-Position Digital Potentiometer DUAL 100K DIGITAL POTENTIOMETER, 3-WIRE SERIAL CONTROL INTERFACE, 256 POSITIONS, PDSO14
2-Channel, 256-Position Digital Potentiometer 2通道56位数字电位器
AD[Analog Devices]
Analog Devices, Inc.
CA-QFE52SB-L-Z-T-01 Carrier Adaptor 52 position (0.65mm pitch) QFP Zero Insertion Force socket with test points to 52 position surface mountable QFP emulator foot.
Ironwood Electronics.
CA-QFE52SA-M-Z-T-01 Carrier Adaptor 52 position (0.65mm pitch) QFP Zero Insertion Force socket with test points to 52 position surface mountable QFP emulator foot.
Ironwood Electronics.
CA-QFE32SA-L-Z-T-02 Carrier Adaptor (CA); 32 position QFP ZIF socket (mini-grid on .040 centers) to 32 position QFP surface-mountable leadless foot with test points.
Ironwood Electronics.
CA-PLCC84-Z-C-T-01 PLCC Carrier Adaptor 84 position PLCC ZIF socket to 84 position PLCC clip with test points.
Ironwood Electronics.
NID5003NT4 NID5003N Self-Protected FET with Temperature and Current Limit 42 V, 20 A, Single N-Channel, DPAK
Self-Protected FET with Temperature and Current Limit(带温度和电流限制的自保护FET)
42 V, 20 A, Single N−Channel, DPAK 20 A, 42 V, 0.058 ohm, N-CHANNEL, Si, POWER, MOSFET
Self-Protected FET with Temperature and Current Limit(甯?俯搴???垫???????淇??FET)
ONSEMI[ON Semiconductor]
PAM8008 PAM8008DR 3W STEREO CLASS-D with DC VOLUME, POWER LIMIT and ANTI-SATURATION
3W STEREO FILTERLESS CLASS-D AUDIO AMPLIFIER WITH DC VOLUME CONTROL AND POWER LIMIT
Diodes Incorporated
AD5201BRM10-REEL7 AD5200BRM50-REEL7 AD5201BRM50-RE From old datasheet system
256- (AD5200) and 33-Position (AD5201) Digital Potentiometers
256-POSITION AND 33-POSITION DIGITAL POTENTIOMETERS
33-Position Digital Potentiometer 50K DIGITAL POTENTIOMETER, 2-WIRE SERIAL CONTROL INTERFACE, 33 POSITIONS, PDSO10
Audio digital potentiometers 10K DIGITAL POTENTIOMETER, 2-WIRE SERIAL CONTROL INTERFACE, 256 POSITIONS, PDSO10
AD[Analog Devices]
Analog Devices, Inc.
 
 Related keyword From Full Text Search System
MSR9R Derating Rule MSR9R cantherm MSR9R bus MSR9R Control MSR9R 资料查找
MSR9R Micropower MSR9R Electronic MSR9R semicon MSR9R diode MSR9R Derating Rule
 

 

Price & Availability of MSR9R

All Rights Reserved © IC-ON-LINE 2003 - 2022  

[Add Bookmark] [Contact Us] [Link exchange] [Privacy policy]
Mirror Sites :  [www.datasheet.hk]   [www.maxim4u.com]  [www.ic-on-line.cn] [www.ic-on-line.com] [www.ic-on-line.net] [www.alldatasheet.com.cn] [www.gdcy.com]  [www.gdcy.net]


 . . . . .
  We use cookies to deliver the best possible web experience and assist with our advertising efforts. By continuing to use this site, you consent to the use of cookies. For more information on cookies, please take a look at our Privacy Policy. X
0.25651907920837