Part Number Hot Search : 
SI6946DQ S311HC 122M31 SWITCH 80M10 LT1963 TLP174GA 001ADRZ
Product Description
Full Text Search

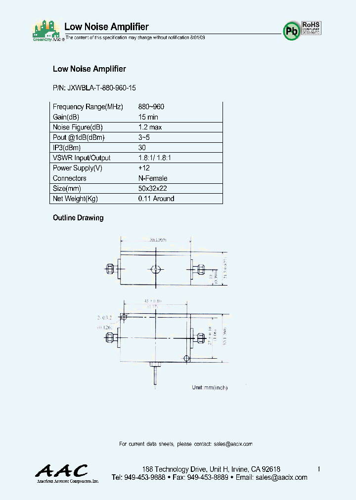
JXWBLA-T-880-960-15 - Low Noise Amplifier

JXWBLA-T-880-960-15_4817383.PDF Datasheet


 Full text search : Low Noise Amplifier
 Product Description search : Low Noise Amplifier


 Related Part Number
PART Description Maker
UPC1658G UPC1658G-E1 RF/MICROWAVE WIDE BAND LOW POWER AMPLIFIER
Low Noise, High Frequncy Si MMIC Amplifier(低噪声高频率放大
LOW NOISE/ HIGH FREQUENCY Si MMIC AMPLIFIER
LOW NOISE, HIGH FREQUENCY Si MMIC AMPLIFIER
LOW NOISE HIGH FREQUENCY Si MMIC AMPLIFIER
NEC Corp.
NEC[NEC]
GS8170LW36C-250 GS8170LW72C-200 GS8170LW72C-300 GS Low-Noise Operational Amplifier 8-SOIC -40 to 85
18Mb sigma 1x1Lp CMOS I/O Late Write SigmaRAM
Low-Noise Operational Amplifier 8-PDIP -40 to 85 35.7西格x1Lp的CMOS的I / O后写入SigmaRAM
Low-Noise Operational Amplifier 8-SO -40 to 85 35.7西格x1Lp的CMOS的I / O后写入SigmaRAM
Electronic Theatre Controls, Inc.
TC7652CPD TC7652 TC7652CPA Low Noise/ Chopper Stabilized Operational Amplifier
Low Noise, Chopper Stabilized Operational Amplifier
The TC7652 is a lower noise version of the TC7650, sacrificing some input specifications (bias current and bandwidth)to achieve a 10x reduction in noise.All the other benefits of the chopper technique are present,i.e.freedom from offset ad
MICROCHIP[Microchip Technology]
AM50-0006 AM50-0006PCS AM50-0006PDC AM50-0006TR AM 1400-2000 MHz, low noise amplifier
Circular Connector; No. of Contacts:128; Series:MS27505; Body Material:Aluminum; Connecting Termination:Crimp; Connector Shell Size:25; Circular Contact Gender:Socket; Circular Shell Style:Box Mount Receptacle RoHS Compliant: No
Low Noise Amplifier 1400 - 2000 MHz
1400-1520 MHz, low noise amplifier
MACOM[Tyco Electronics]
MA-Com
MGA-665P8-BLK MGA-665P8-TR1 MGA-665P8 MGA-665P8-TR GaAs Enhancement-Mode PHEMT 0.5 6 GHz Low Noise Amplifier GaAs增强型PHEMT.56 GHz的低噪声放大
GaAs Enhancement-Mode PHEMT 0.5 - 6 GHz Low Noise Amplifier
From old datasheet system
MGA-665P8 · MGA-665P8 0.5-6GHz Low Noise Amplifier
Avago Technologies, Ltd.
Agilent(Hewlett-Packard)
Agilent (Hewlett-Packard)
SBFP540M Ultrahigh-Frequency Transistors
UHF to C Band Low Noise Amplifier, Low Phase Noise Oscillation Applications
Sanyo Semicon Device
ISL6566CR ISL6566IR ISL6566CRZ Single Output LDO, 500mA, Adj. (1.3 to 6.5V), Low Noise 8-SOIC -40 to 125
Dual Low-Noise Wide-Bandwidth Precision Amplifier 8-TSSOP -40 to 85
Intersil Corporation
MAAM12021 MAAM12021RTR MAAM12021SMB MAAM12021TR 1.5-1.6 GHz, low noise amplifier
Low Noise Amplifier 1.5 - 1.6 GHz
GT 35C 7#12,28#16 SKT RECP
MA-Com
MACOM[Tyco Electronics]
K4S64323LF-DN15 K4S64323LF-DN15-PB K4S64323LF-DN1H 2M X 32 SYNCHRONOUS DRAM, 9 ns, PBGA90
Replaced by TLC2202A : Advanced LinCMOS(TM) Low-Noise Precision Dual Operational Amplifier 14-SOIC 0 to 70 2Mx32移动SDRAM 90FBGA
Replaced by TLC2202A : Advanced LinCMOS(TM) Low-Noise Precision Dual Operational Amplifier 14-SOIC 2Mx32移动SDRAM 90FBGA
Replaced by TLC2202A : Advanced LinCMOS(TM) Low-Noise Precision Dual Operational Amplifier 8-PDIP 0 to 70 2Mx32移动SDRAM 90FBGA
Low Noise Precision Advanced LinCMOS(TM) Dual Operational Amplifier 8-CDIP -55 to 125 2Mx32移动SDRAM 90FBGA
Low Noise Precision Advanced LinCMOS(TM) Dual Operational Amplifier 20-LCCC -55 to 125 2Mx32移动SDRAM 90FBGA
2Mx32 Mobile SDRAM 90FBGA 2Mx32移动SDRAM 90FBGA
Dual Rail-To-Rail Micropower Operational Amplifier 8-SOIC 0 to 70
Samsung Semiconductor Co., Ltd.
SAMSUNG SEMICONDUCTOR CO. LTD.
SAMSUNG[Samsung semiconductor]
5962R9569001VXC 5962R9569001V9A HS1-5104ARH/PROTO Op Amp, Quad 8MHz, Low Noise, Slew Rate 2V/s, Rad-Hard
Radiation Hardened Low Noise Quad Operational Amplifier
http://
Intersil Corporation
2SC4095 2SC4095-T1 2SC4095R 2SC4095R-T2 2SC4095R-T For amplify microwave and low noise.
MICROWAVE LOW NOISE AMPLIFIER NPN SILICON EPITAXIAL TRANSISTOR 4 PINS MINI MOLD
NEC[NEC]
ZRL-2150 IC FLASH 8MX16 90NS TSOP 85
LOW NOISE AMPLIFIER 50з 950 to 2150 MHz
LOW NOISE AMPLIFIER 50 950 to 2150 MHz
MINI[Mini-Circuits]
 
 Related keyword From Full Text Search System
JXWBLA-T-880-960-15 maxim JXWBLA-T-880-960-15 gaas JXWBLA-T-880-960-15 synchronous JXWBLA-T-880-960-15 制造商 JXWBLA-T-880-960-15 ohm
JXWBLA-T-880-960-15 dual JXWBLA-T-880-960-15 Data JXWBLA-T-880-960-15 clock JXWBLA-T-880-960-15 asm encoder JXWBLA-T-880-960-15 standard
 

 

Price & Availability of JXWBLA-T-880-960-15

All Rights Reserved © IC-ON-LINE 2003 - 2022  

[Add Bookmark] [Contact Us] [Link exchange] [Privacy policy]
Mirror Sites :  [www.datasheet.hk]   [www.maxim4u.com]  [www.ic-on-line.cn] [www.ic-on-line.com] [www.ic-on-line.net] [www.alldatasheet.com.cn] [www.gdcy.com]  [www.gdcy.net]


 . . . . .
  We use cookies to deliver the best possible web experience and assist with our advertising efforts. By continuing to use this site, you consent to the use of cookies. For more information on cookies, please take a look at our Privacy Policy. X
0.059412956237793