Part Number Hot Search : 
TFS433E RT8803A MT26310 KBL06PT USB20811 TM128 5N05EL F9640S
Product Description
Full Text Search

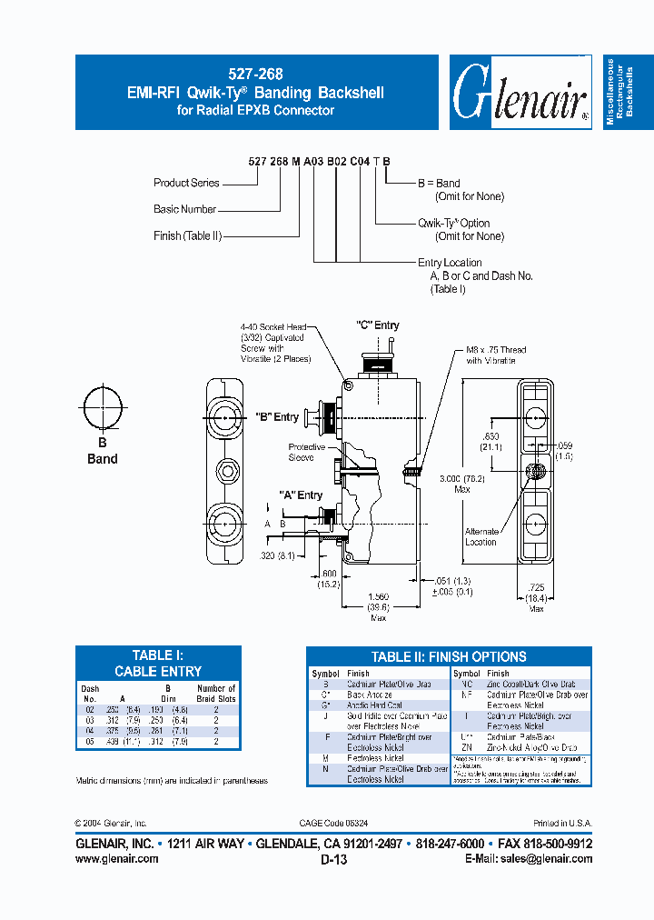
527268B - EMI-RFI Qwik-Ty Banding Backshell for Radial EPXB Connector

527268B_4830860.PDF Datasheet


 Full text search : EMI-RFI Qwik-Ty Banding Backshell for Radial EPXB Connector
 Product Description search : EMI-RFI Qwik-Ty Banding Backshell for Radial EPXB Connector


 Related Part Number
PART Description Maker
557-200M EMI/RFI Banding Backshell Assembly
Glenair, Inc.
507S177NC09B 507S177NC09E 507S177NC09EH 507S177NC0 EMI/RFI Micro-D Banding Backshell
Glenair, Inc.
http://
557E319M 557B319M EMI/RFI Banding Backshell Assembly
Glenair, Inc.
557-108M2 EMI/RFI Banding Backshell Assembly
Glenair, Inc.
440LF069M10 440LF069M12 440LF069M14 440LF069M16 44 EMI/RFI Banding and Shrink Boot Adapter
Glenair, Inc.
507-142M21BB 507-142M21EB 507-142M21HB 507-142M67B EMI/RFI Dual Entry Banding Backshell
Glenair, Inc.
500T010NF67B04 500T010Z209B04 500T010Z209E04 500T0 EMI/RFI Micro-D Banding Backshell and Round Cable Entry
Glenair, Inc.
440FF074NF20 440FF074NF22 440FF074NF24 440FF074NF1 EMI/RFI Banding Adapter Direct Coupling - Split Shell
Glenair, Inc.
527244B01 527244ZN01 527244NC01 527244N01 527244LF EMI/RFI Banding Backshell for Size 2 ARINC 600 Series Connectors
Glenair, Inc.
447FS331XM08 447FS331XM10 447FS331XM12 447FS331XM1 Composite EMI/RFI Dual-Banding Backshell with Self-Locking Rotatable Coupling
Glenair, Inc.
507-145J69EB 507-145J69FB 507-145J69HB 507-145Z251 EMI/RFI Split Shell Banding Backshell
   EMI/RFI Split Shell Banding Backshell
Glenair, Inc.
 
 Related keyword From Full Text Search System
527268B chip 527268B 参数 封装 527268B 接腳圖 527268B inductors 527268B pitch
527268B prezzo baumer 527268B sensor 527268B barrier 527268B suply voltase IC 527268B Rectifier
 

 

Price & Availability of 527268B

All Rights Reserved © IC-ON-LINE 2003 - 2022  

[Add Bookmark] [Contact Us] [Link exchange] [Privacy policy]
Mirror Sites :  [www.datasheet.hk]   [www.maxim4u.com]  [www.ic-on-line.cn] [www.ic-on-line.com] [www.ic-on-line.net] [www.alldatasheet.com.cn] [www.gdcy.com]  [www.gdcy.net]


 . . . . .
  We use cookies to deliver the best possible web experience and assist with our advertising efforts. By continuing to use this site, you consent to the use of cookies. For more information on cookies, please take a look at our Privacy Policy. X
0.34751296043396