Part Number Hot Search : 
20142 GBP410 BUZ311 LP250 50019 BC108CSM 320240 V602ME07
Product Description
Full Text Search

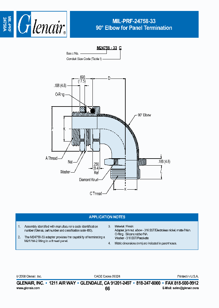
M24758-33C - Elbow for Panel Termination

M24758-33C_4812933.PDF Datasheet


 Full text search : Elbow for Panel Termination
 Product Description search : Elbow for Panel Termination


 Related Part Number
PART Description Maker
M24758-19-16-A Adapter for Panel Termination
Glenair, Inc.
675-501-00-501309 675-501-00-50-1309 675-501-00-50 high performance panel lamps
RIA 12 approved, spike and transient protected with a
Silver plated brass termination tags
Marl International Limited
Marl International Limi...
R124464000 R124426123 R124553120 R124553123 PANEL MOUNT, FEMALE, SMA CONNECTOR, RECEPTACLE
JACK, SMA, PCB, STRAIGHT; Connector type:SMA, Coaxial; Impedance:50R; Material, contact:Brass; Plating, contact:Gold over Nickel; Body style:Straight Jack; Termination method:Solder; Mounting type:PC Board; Insulation RoHS Compliant: Yes
PANEL MOUNT, BOARD TERMINATED, FEMALE, SMA CONNECTOR, SOLDER, RECEPTACLE
RADIALL S A
2001-6101-00 2001-6110-00 2001-6112-00 2001-6113-0    SMA Terminations
DC-4 GHz, SMA termination
DC-18 GHz, SMA termination
SMATerminations
Circular Connector; Body Material:Aluminum Alloy; Series:MS3110; No. of Contacts:61; Connector Shell Size:24; Connecting Termination:Solder; Circular Shell Style:Wall Mount Receptacle; Circular Contact Gender:Pin RoHS Compliant: No
0 MHz - 26500 MHz 50 ohm RF/MICROWAVE TERMINATION
MA-Com
Tyco Electronics
TycoElectronics
192990-1840 192990-1680 192922-1320 192926-0500 19 Single-/Dual-/Triple-Voltage µP Supervisory Circuits with Independent Watchdog Output
SOCKET PANEL 12 WAY
BACKSHELL SIZE 12
JACK PANEL 35 WAY
JACK PANEL 12 WAY
JACK FREE 23 WAY
JACK PANEL 7 WAY
DUST CAP SIZE 10
DUST CAP SIZE 16
JACK PANEL 48 WAY
PLUG FREE 8 WAY
PLUG FREE 19 WAY
SOCKET PANEL 23 WAY
SOCKET PANEL 19 WAY
BACKSHELL SIZE 20
JACK FREE 35 WAY
SOCKET PANEL 44 WAY
PLUG FREE 7 WAY
JACK FREE 7 WAY
SOCKET PANEL 7 WAY
SOCKET PANEL 35 WAY 插座面板35未来
Single-/Dual-/Triple-Voltage µP Supervisory Circuits with Independent Watchdog Output 后壳等级IP65尺寸18
JACK PANEL 28 WAY 插座面板28未来
BACKSHELL IP65 SIZE 12 后壳等级IP65尺寸12
JACK PANEL 8 WAY 插座面板8
JACK PANEL 4 WAY 插座面板4
JACK PANEL 19 WAY 插座面板19未来
DUST CAP SIZE 24 防尘盖尺24
Single-/Dual-/Triple-Voltage µP Supervisory Circuits with Independent Watchdog Output 插座免费8
SOCKET PANEL 48 WAY 插座面板48未来
TE Connectivity, Ltd.
ITT, Corp.
HP3-ML-AC220V HP3-L-DC6V HP3-L-DC24V HP3-ML-DC110V POWER/SIGNAL RELAY, 3PDT, MOMENTARY, 3540mW (COIL), PANEL MOUNT ROHS COMPLIANT
POWER/SIGNAL RELAY, 3PDT, MOMENTARY, 0.25A (COIL), 6VDC (COIL), 1500mW (COIL), PANEL MOUNT ROHS COMPLIANT
POWER/SIGNAL RELAY, 3PDT, MOMENTARY, 0.06A (COIL), 24VDC (COIL), 1400mW (COIL), PANEL MOUNT ROHS COMPLIANT
POWER/SIGNAL RELAY, 3PDT, MOMENTARY, 0.015A (COIL), 110VDC (COIL), 1600mW (COIL), PANEL MOUNT ROHS COMPLIANT
POWER/SIGNAL RELAY, 3PDT, MOMENTARY, 3740mW (COIL), PANEL MOUNT ROHS COMPLIANT
POWER/SIGNAL RELAY, 4PDT, MOMENTARY, 5460mW (COIL), PANEL MOUNT ROHS COMPLIANT
POWER/SIGNAL RELAY, 4PDT, MOMENTARY, 5470mW (COIL), PANEL MOUNT ROHS COMPLIANT
POWER/SIGNAL RELAY, 4PDT, MOMENTARY, 5690mW (COIL), PANEL MOUNT ROHS COMPLIANT
POWER/SIGNAL RELAY, DPDT, MOMENTARY, 2340mW (COIL), PANEL MOUNT ROHS COMPLIANT
POWER/SIGNAL RELAY, DPDT, MOMENTARY, 2480mW (COIL), PANEL MOUNT ROHS COMPLIANT
POWER/SIGNAL RELAY, DPDT, MOMENTARY, 0.055A (COIL), 24VDC (COIL), 1300mW (COIL), PANEL MOUNT ROHS COMPLIANT
POWER/SIGNAL RELAY, DPDT, MOMENTARY, 2250mW (COIL), PANEL MOUNT ROHS COMPLIANT
POWER/SIGNAL RELAY, DPDT, MOMENTARY, 2310mW (COIL), PANEL MOUNT ROHS COMPLIANT
POWER/SIGNAL RELAY, DPDT, MOMENTARY, 2230mW (COIL), PANEL MOUNT ROHS COMPLIANT
POWER/SIGNAL RELAY, DPDT, MOMENTARY, 2090mW (COIL), PANEL MOUNT ROHS COMPLIANT
POWER/SIGNAL RELAY, DPDT, MOMENTARY, 2400mW (COIL), PANEL MOUNT ROHS COMPLIANT
POWER/SIGNAL RELAY, 4PDT, MOMENTARY, 5580mW (COIL), PANEL MOUNT ROHS COMPLIANT
POWER/SIGNAL RELAY, DPDT, MOMENTARY, 2170mW (COIL), PANEL MOUNT ROHS COMPLIANT
POWER/SIGNAL RELAY, DPDT, MOMENTARY, 0.24A (COIL), 6VDC (COIL), 1500mW (COIL), PANEL MOUNT ROHS COMPLIANT
POWER/SIGNAL RELAY, DPDT, MOMENTARY, 0.015A (COIL), 110VDC (COIL), 1700mW (COIL), PANEL MOUNT ROHS COMPLIANT
POWER/SIGNAL RELAY, DPDT, MOMENTARY, 2360mW (COIL), PANEL MOUNT ROHS COMPLIANT
POWER/SIGNAL RELAY, 3PDT, MOMENTARY, 3640mW (COIL), PANEL MOUNT
POWER/SIGNAL RELAY, 3PDT, MOMENTARY, 3560mW (COIL), PANEL MOUNT
POWER/SIGNAL RELAY, 3PDT, MOMENTARY, 3650mW (COIL), PANEL MOUNT
POWER/SIGNAL RELAY, 3PDT, MOMENTARY, 0.016A (COIL), 100VDC (COIL), 1600mW (COIL), PANEL MOUNT
POWER/SIGNAL RELAY, DPDT, MOMENTARY, 0.015A (COIL), 100VDC (COIL), 1500mW (COIL), PANEL MOUNT
Panasonic, Corp.
RFP-40-50TPP-S 0 MHz - 6000 MHz 50 ohm RF/MICROWAVE TERMINATION ROHS COMPLIANT, CERAMIC PACKAGE-1
Flangeless Termination 40 Watts, 50W
Anaren, Inc.
Anaren Microwave
RFP-150-50TCGN-S 0 MHz - 3000 MHz 50 ohm RF/MICROWAVE TERMINATION ROHS COMPLIANT PACKAGE-1
Flangeless Termination 150 Watts, 50W
Anaren, Inc.
Anaren Microwave
03-12-2021 3.18mm Diameter, HCS125, Pin and Socket Plug Housing, Single Row, without Panel and without Panel Mount Ears
Molex Electronics Ltd.
74ABT2241 74ABT2241D 74ABT2241DB 74ABT2241N 74ABT2 Power Supply ABT SERIES, DUAL 4-BIT DRIVER, TRUE OUTPUT, PDSO20
Octal buffer with 30 series termination
From old datasheet system
Octal buffer with 30ohm series termination resistors; 3-State
Octal buffer with 30 Ohm series termination resistors (3-State)
NXP Semiconductors N.V.
PHILIPS[Philips Semiconductors]
EAOPT-OPTO16 EADISK320 EAKIT320-8LWTP EAOPT-935V E 5,7 LCD CONTROL PANEL WITH TOUCH PANEL
List of Unclassifed Manufacturers
List of Unclassifed Manufac...
L675 PANEL FUSEHOLDER BARRIER & PANEL SEALED
List of Unclassifed Manufacturers
 
 Related keyword From Full Text Search System
M24758-33C external rom M24758-33C ic查找网站 M24758-33C gaas M24758-33C reference M24758-33C china datasheet
M24758-33C filetype:pdf M24758-33C positive M24758-33C bit M24758-33C Power M24758-33C Fixed
 

 

Price & Availability of M24758-33C

All Rights Reserved © IC-ON-LINE 2003 - 2022  

[Add Bookmark] [Contact Us] [Link exchange] [Privacy policy]
Mirror Sites :  [www.datasheet.hk]   [www.maxim4u.com]  [www.ic-on-line.cn] [www.ic-on-line.com] [www.ic-on-line.net] [www.alldatasheet.com.cn] [www.gdcy.com]  [www.gdcy.net]


 . . . . .
  We use cookies to deliver the best possible web experience and assist with our advertising efforts. By continuing to use this site, you consent to the use of cookies. For more information on cookies, please take a look at our Privacy Policy. X
0.60478496551514