Part Number Hot Search : 
SF55G NCP15 ACT244NG PCA9554D 30170 FR253 100C0 MJ13001A
Product Description
Full Text Search

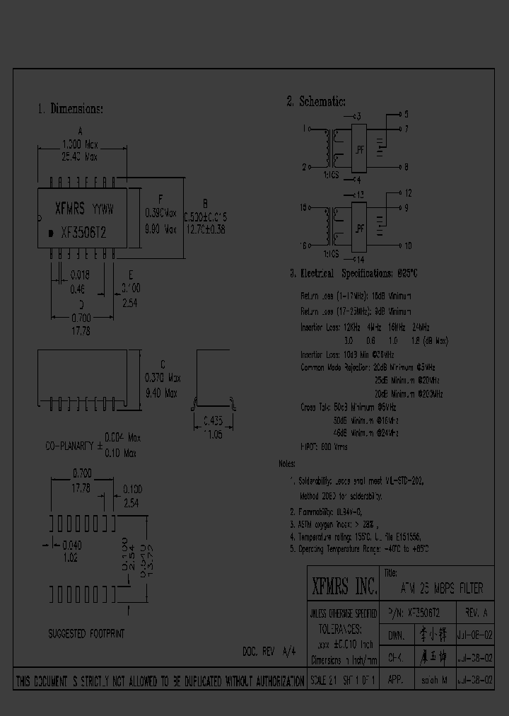
XF3506T2 - ATM 25 MBPS FILTER

XF3506T2_4797160.PDF Datasheet


 Full text search : ATM 25 MBPS FILTER
 Product Description search : ATM 25 MBPS FILTER


 Related Part Number
PART Description Maker
IDT77105 IDT77105L25TF IDT77105L25TFI 25.6 Mbps ATM PHY with TC & PMD
PHY (TC-PMD) for 25.6 Mbps ATM Networks
IDT[Integrated Device Technology]
Integrated Device Technology, Inc.
IDT77252 77252_DS_45048 IDT77252L155PG IDT77252L15 ATM SAR Controller with ABR support - Not recommended for new designs
155 Mbps ATM SAR Controller With ABR Support for PCI-based Networking Applications
From old datasheet system
ATM/SONET Segmentation and Reassembly Circuit
Integrated Device Technology
IDT
IDT77V1254L25L25PG IDT77V1254L25L25PGI IDT77V1254L Quad Port PHY (Physical Layer) for 25.6 and 51.2 ATM Networks
Quad port ATM PHY for 25.6 and 51.2 Mbps ATM Networks with 16 bit UTOPIA Level 2
4 Channel 25/51Mbps PHY, U1/U2
IDT
IDT77V106 IDT77V106L200TFI IDT77V106L25 3.3V ATM PHY for 25.6 and 51.2 Mbps
IDT[Integrated Device Technology]
S558-5999-85 ATM 25.6 MBPS INTERFACEMODULE
Bel Fuse Inc.
T-11229 ATM 25.6 MBPS INTERFACE TRANSFORMER
Rhombus Industries Inc.
PM73487 PM73487-PI 1980618 From old datasheet system
622 Mbps ATM Traffic Management Device
PMC-Sierra, Inc
PMC-Serria
TTC-2T18 1 X 9 FIBER OPTIC TRANSCEIVER FOR 155 MBPS ATM, SONET OC-3/SDH STM-1
Electronic Theatre Controls, Inc.
LXT6155LE LXT6155 155 Mbps SDH/SONET/ATM Transceiver
From old datasheet system
Telecommunication IC - Datasheet Reference
Intel Corporation
GD16333-QFP100 ATM/SONET Demultiplexer ATM SONET的多路解复用
Jonard Industries, Corp.
LH-2001N 1/10 Mbps Filter Modules HomeLAN Magnetics Module
List of Unclassifed Manufacturers
ETC[ETC]
Electronic Theatre Controls, Inc.
GSRFTA0330A GSRFTA0707A GOLLEDGEELECTRONICSLTD-GSR 1 FUNCTIONS, 821 MHz, SAW FILTER
1 FUNCTIONS, 429.25 MHz, SAW FILTER
1 FUNCTIONS, 584 MHz, SAW FILTER
1 FUNCTIONS, 656 MHz, SAW FILTER
1 FUNCTIONS, 420 MHz, SAW FILTER
1 FUNCTIONS, 1960 MHz, SAW FILTER
1 FUNCTIONS, 1732.5 MHz, SAW FILTER
1 FUNCTIONS, 900 MHz, SAW FILTER
1 FUNCTIONS, 2017.5 MHz, SAW FILTER
1 FUNCTIONS, 1056 MHz, SAW FILTER
1 FUNCTIONS, 1842 MHz, SAW FILTER
1 FUNCTIONS, 942.5 MHz, SAW FILTER
1 FUNCTIONS, 2441.8 MHz, SAW FILTER
1 FUNCTIONS, 2158 MHz, SAW FILTER
1 FUNCTIONS, 315 MHz, SAW FILTER
1 FUNCTIONS, 1970 MHz, SAW FILTER
1 FUNCTIONS, 930.5 MHz, SAW FILTER
1 FUNCTIONS, 1870 MHz, SAW FILTER
1 FUNCTIONS, 424 MHz, SAW FILTER
1 FUNCTIONS, 2250 MHz, SAW FILTER
1 FUNCTIONS, 2665 MHz, SAW FILTER
1 FUNCTIONS, 868.3 MHz, SAW FILTER
GOLLEDGE ELECTRONICS LTD
 
 Related keyword From Full Text Search System
XF3506T2 integrated XF3506T2 state XF3506T2 m85049 XF3506T2 temperature XF3506T2 timer
XF3506T2 cost XF3506T2 bookmark XF3506T2 ICPRICE XF3506T2 Temperature XF3506T2 替换的
 

 

Price & Availability of XF3506T2

All Rights Reserved © IC-ON-LINE 2003 - 2022  

[Add Bookmark] [Contact Us] [Link exchange] [Privacy policy]
Mirror Sites :  [www.datasheet.hk]   [www.maxim4u.com]  [www.ic-on-line.cn] [www.ic-on-line.com] [www.ic-on-line.net] [www.alldatasheet.com.cn] [www.gdcy.com]  [www.gdcy.net]


 . . . . .
  We use cookies to deliver the best possible web experience and assist with our advertising efforts. By continuing to use this site, you consent to the use of cookies. For more information on cookies, please take a look at our Privacy Policy. X
0.24116897583008